lemon-mirror:
Home >> Toyota >> 2017 >> Prius Prime Advanced >> Repair and Diagnosis >> Electrical >> Body Electrical >> OEM System Circuits >> Pre-Collision System >> System Diagrams

System Diagrams

Fig 1: Pre-Collision System (1 Of 6)
G12210632Courtesy of © TOYOTA, LICENSE AGREEMENT TMS1002
Fig 2: Pre-Collision System (2 Of 6)
G12210633Courtesy of © TOYOTA, LICENSE AGREEMENT TMS1002
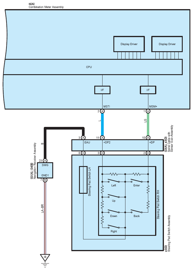
Fig 3: Pre-Collision System (3 Of 6)
G12210634Courtesy of © TOYOTA, LICENSE AGREEMENT TMS1002
Fig 4: Pre-Collision System (4 Of 6)
G12210635Courtesy of © TOYOTA, LICENSE AGREEMENT TMS1002
Fig 5: Pre-Collision System (5 Of 6)
G12210636Courtesy of © TOYOTA, LICENSE AGREEMENT TMS1002
Fig 6: Pre-Collision System (6 Of 6)
G12210637Courtesy of © TOYOTA, LICENSE AGREEMENT TMS1002