lemon-mirror:
Home >> Toyota >> 2017 >> Prius Two >> Repair and Diagnosis >> Electrical >> Body Electrical >> OEM System Circuits >> Pre-Collision System >> System Diagrams

System Diagrams

Fig 1: Pre-Collision System (1 Of 6)
G12208372Courtesy of © TOYOTA, LICENSE AGREEMENT TMS1002
Fig 2: Pre-Collision System (2 Of 6)
G12208373Courtesy of © TOYOTA, LICENSE AGREEMENT TMS1002
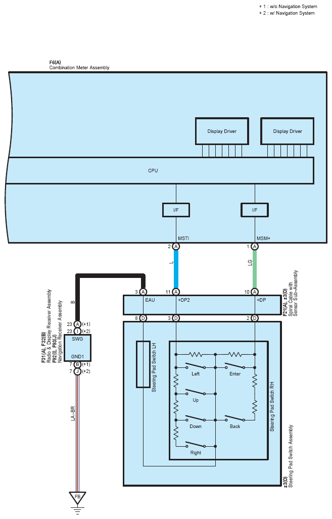
Fig 3: Pre-Collision System (3 Of 6)
G12208374Courtesy of © TOYOTA, LICENSE AGREEMENT TMS1002
Fig 4: Pre-Collision System (4 Of 6)
G12208375Courtesy of © TOYOTA, LICENSE AGREEMENT TMS1002
Fig 5: Pre-Collision System (5 Of 6)
G12208376Courtesy of © TOYOTA, LICENSE AGREEMENT TMS1002
Fig 6: Pre-Collision System (6 Of 6)
G12208377Courtesy of © TOYOTA, LICENSE AGREEMENT TMS1002