lemon-mirror:
Home >> Toyota >> 2017 >> Prius Two >> Repair and Diagnosis >> Electrical >> Body Electrical >> OEM System Circuits >> SRS >> System Diagrams

System Diagrams

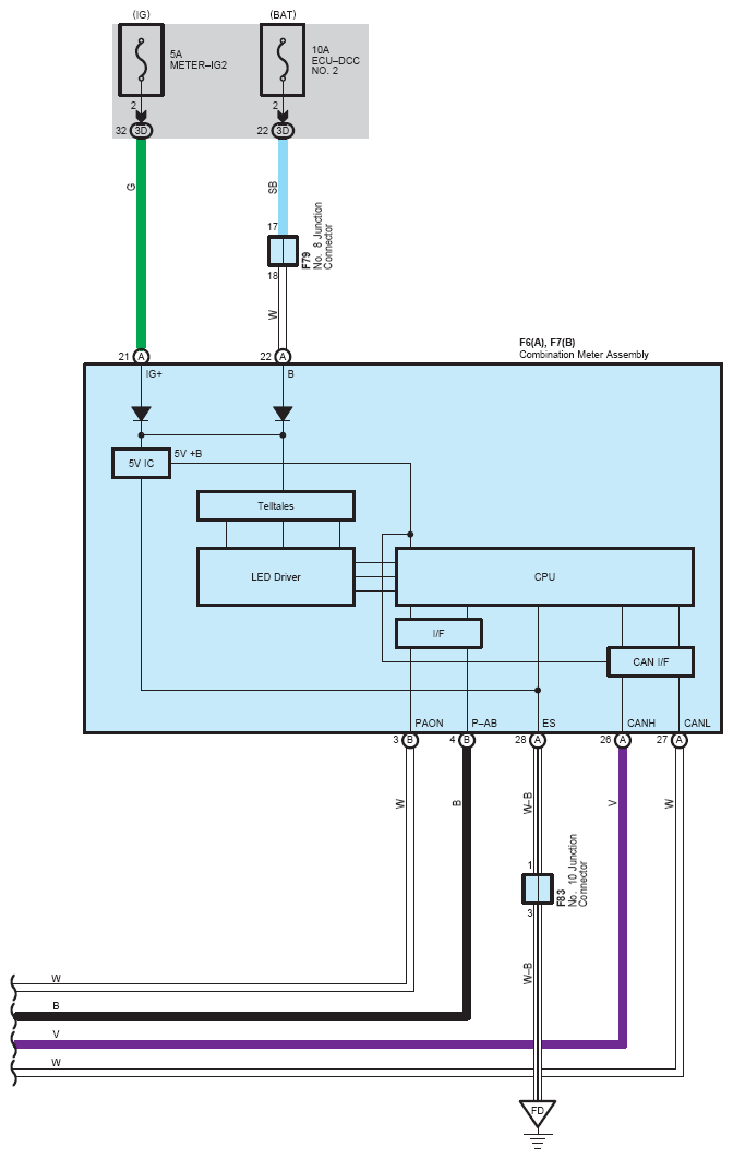
Fig 1: SRS (1 Of 7)
G12208483Courtesy of © TOYOTA, LICENSE AGREEMENT TMS1002
Fig 2: SRS (2 Of 7)
G12208484Courtesy of © TOYOTA, LICENSE AGREEMENT TMS1002
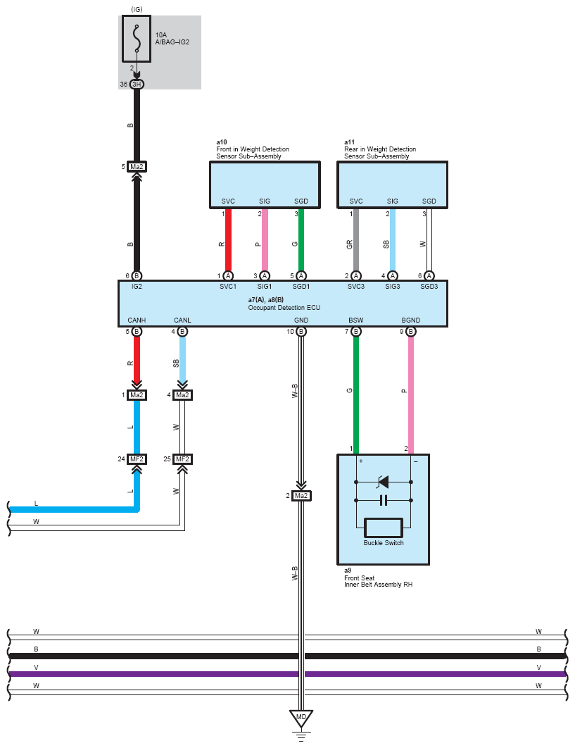
Fig 3: SRS (3 Of 7)
G12208485Courtesy of © TOYOTA, LICENSE AGREEMENT TMS1002
Fig 4: SRS (4 Of 7)
G12208486Courtesy of © TOYOTA, LICENSE AGREEMENT TMS1002
Fig 5: SRS (5 Of 7)
G12208487Courtesy of © TOYOTA, LICENSE AGREEMENT TMS1002
Fig 6: SRS (6 Of 7)
G12208488Courtesy of © TOYOTA, LICENSE AGREEMENT TMS1002
Fig 7: SRS (7 Of 7)
G12208489Courtesy of © TOYOTA, LICENSE AGREEMENT TMS1002