lemon-mirror:
Home >> Toyota >> 2017 >> Prius V Two >> Repair and Diagnosis >> Electrical >> Body Electrical >> OEM System Circuits >> Power Window >> System Diagrams

System Diagrams

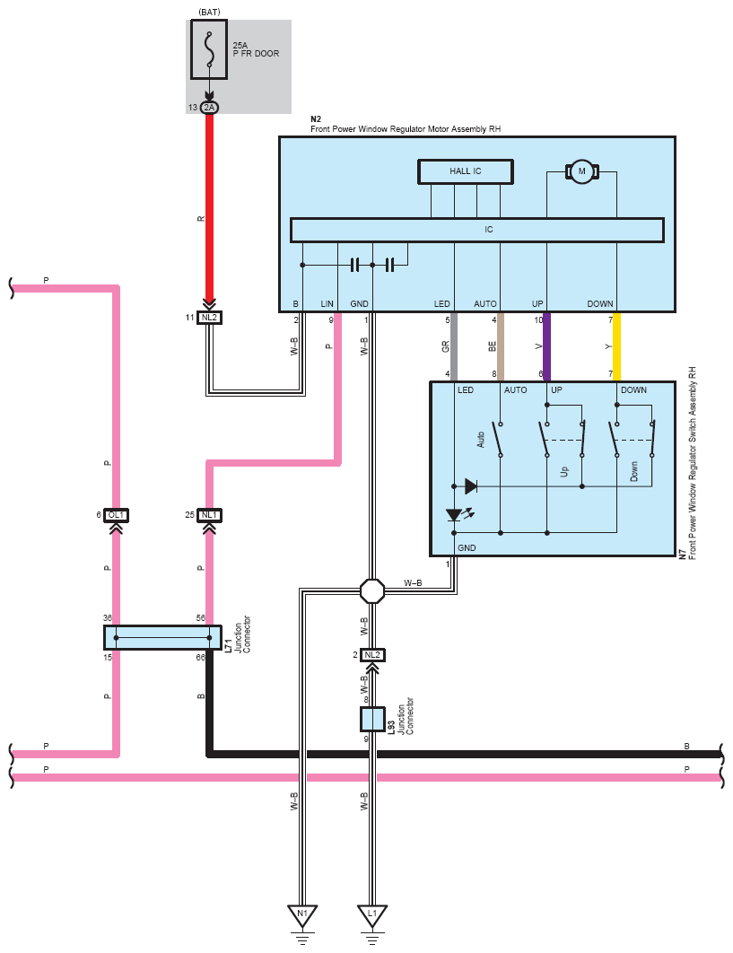
Fig 1: Power Window (1 Of 5)
G12214558Courtesy of © TOYOTA, LICENSE AGREEMENT TMS1002
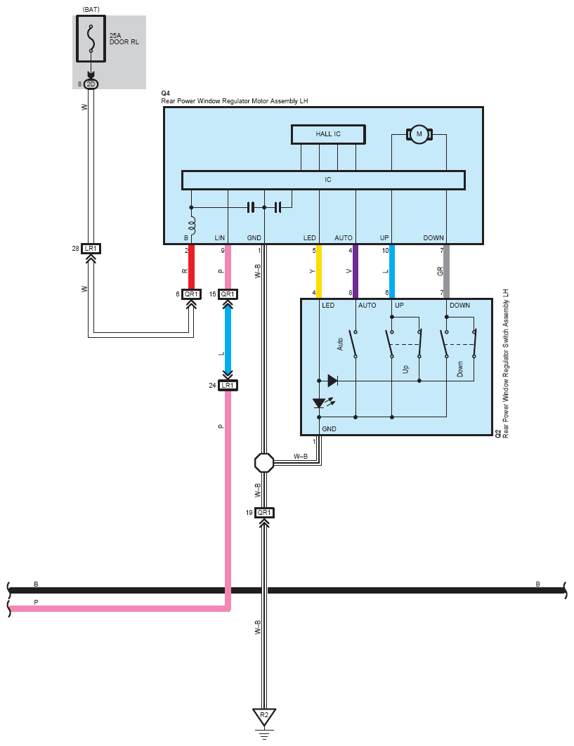
Fig 2: Power Window (2 Of 5)
G12214559Courtesy of © TOYOTA, LICENSE AGREEMENT TMS1002
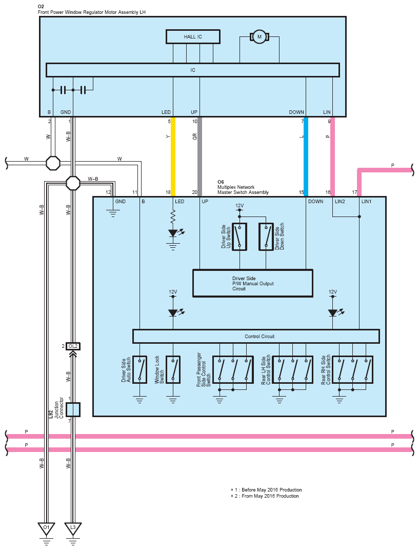
Fig 3: Power Window (3 Of 5)
G12214560Courtesy of © TOYOTA, LICENSE AGREEMENT TMS1002
Fig 4: Power Window (4 Of 5)
G12214561Courtesy of © TOYOTA, LICENSE AGREEMENT TMS1002
Fig 5: Power Window (5 Of 5)
G12214562Courtesy of © TOYOTA, LICENSE AGREEMENT TMS1002