lemon-mirror:
Home >> Triumph >> 1977 >> Spitfire >> Repair and Diagnosis >> Engine Performance >> Wiring Diagrams >> Wiring Diagram

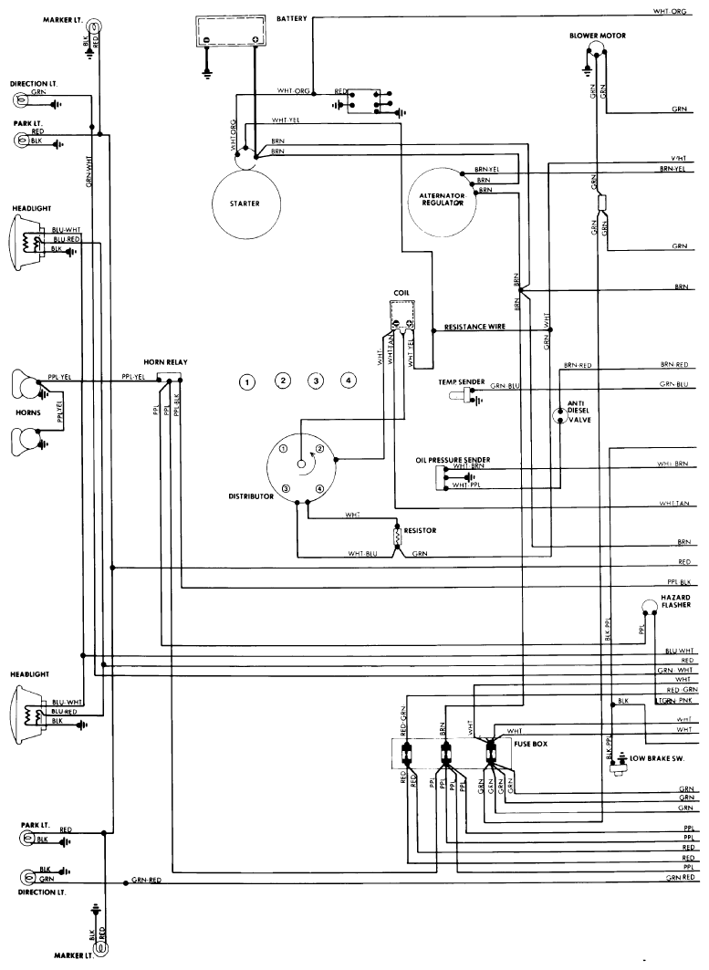
Wiring Diagrams: Wiring Diagram

Fig 1: Wiring Diagram - Spitfire (1 of 2)
G09303356Courtesy of NOT AVAILABLE
Fig 2: Wiring Diagram - Spitfire (2 of 2)
G09303357Courtesy of NOT AVAILABLE