lemon-mirror:
Home >> Volkswagen >> 2008 >> R32 >> Repair and Diagnosis >> Electrical >> Component Locations >> Electrical Component Locator >> Component Location Graphics

Component Location Graphics

NOTE: Figures may show multiple component locations. Refer to appropriate table for proper figure references.
Fig 1: Relay Panel
G00454115Courtesy of VOLKSWAGEN UNITED STATES, INC.
Fig 2: Relay Carrier
G00454116Courtesy of VOLKSWAGEN UNITED STATES, INC.
Fig 3: Electronics Box Low
G00454117Courtesy of VOLKSWAGEN UNITED STATES, INC.
Fig 4: Left Front Of Engine
G00454118Courtesy of VOLKSWAGEN UNITED STATES, INC.
Fig 5: Center Rear Of Trunk Lid
G00454119Courtesy of VOLKSWAGEN UNITED STATES, INC.
Fig 6: Right Side Of Dash
G00454120Courtesy of VOLKSWAGEN UNITED STATES, INC.
Fig 7: Left Side Of Dash
G00454121Courtesy of VOLKSWAGEN UNITED STATES, INC.
Fig 8: Steering Column
G00454122Courtesy of VOLKSWAGEN UNITED STATES, INC.
Fig 9: Right Side Of Luggage Compartment
G00454123Courtesy of VOLKSWAGEN UNITED STATES, INC.
Fig 10: Trunk Lid
G00454124Courtesy of VOLKSWAGEN UNITED STATES, INC.
Fig 11: Front Of Engine Compartment
G00454125Courtesy of VOLKSWAGEN UNITED STATES, INC.
Fig 12: Left Rear Of Engine Compartment
G00454126Courtesy of VOLKSWAGEN UNITED STATES, INC.
Fig 13: Left Side Of Dash
G00454127Courtesy of VOLKSWAGEN UNITED STATES, INC.
Fig 14: Top Center Of Dash
G00454128Courtesy of VOLKSWAGEN UNITED STATES, INC.
Fig 15: Under Center Of Vehicle
G00454129Courtesy of VOLKSWAGEN UNITED STATES, INC.
Fig 16: Top Center Of Dash
G00454130Courtesy of VOLKSWAGEN UNITED STATES, INC.
Fig 17: Left End Of Dash
G00454131Courtesy of VOLKSWAGEN UNITED STATES, INC.
Fig 18: Right End Of Dash
G00454132Courtesy of VOLKSWAGEN UNITED STATES, INC.
Fig 19: Left Side Of Front Grille
G00454133Courtesy of VOLKSWAGEN UNITED STATES, INC.
Fig 20: Driver's Door
G00454134Courtesy of VOLKSWAGEN UNITED STATES, INC.
Fig 21: Front Passenger's Door
G00454135Courtesy of VOLKSWAGEN UNITED STATES, INC.
Fig 22: Left Side Of Dash
G00454136Courtesy of VOLKSWAGEN UNITED STATES, INC.
Fig 23: Left Side Of Engine
G00454137Courtesy of VOLKSWAGEN UNITED STATES, INC.
Fig 24: Left Side Of Engine
G00454138Courtesy of VOLKSWAGEN UNITED STATES, INC.
Fig 25: Left Side Of Engine
G00454139Courtesy of VOLKSWAGEN UNITED STATES, INC.
Fig 26: Left End Of Dash
G00454140Courtesy of VOLKSWAGEN UNITED STATES, INC.
Fig 27: Center Rear Of Roof
G00454141Courtesy of VOLKSWAGEN UNITED STATES, INC.
Fig 28: Right Rear Of Engine Compartment
G00454142Courtesy of VOLKSWAGEN UNITED STATES, INC.
Fig 29: Left Trim Panel
G00454143Courtesy of VOLKSWAGEN UNITED STATES, INC.
Fig 30: Right Trim Panel
G00454144Courtesy of VOLKSWAGEN UNITED STATES, INC.
Fig 31: Center Of Dash
G00454145Courtesy of VOLKSWAGEN UNITED STATES, INC.
Fig 32: Lower Rear Of Engine Compartment
G00454146Courtesy of VOLKSWAGEN UNITED STATES, INC.
Fig 33: Left Front Of Engine Compartment
G00454147Courtesy of VOLKSWAGEN UNITED STATES, INC.
Fig 34: Right Front Of Engine Compartment
G00454148Courtesy of VOLKSWAGEN UNITED STATES, INC.
Fig 35: Front Of Engine Compartment
G00454149Courtesy of VOLKSWAGEN UNITED STATES, INC.
Fig 36: Right Side Of Engine Compartment
G00454150Courtesy of VOLKSWAGEN UNITED STATES, INC.
Fig 37: Right Front Wheel Bearing Housing
G00454151Courtesy of VOLKSWAGEN UNITED STATES, INC.
Fig 38: Left Front Wheel Bearing Housing
G00454152Courtesy of VOLKSWAGEN UNITED STATES, INC.
Fig 39: Rear Of Engine Compartment
G00454153Courtesy of VOLKSWAGEN UNITED STATES, INC.
Fig 40: Left Side Of Dash
G00454154Courtesy of VOLKSWAGEN UNITED STATES, INC.
Fig 41: Right Front Wheelwell
G00454155Courtesy of VOLKSWAGEN UNITED STATES, INC.
Fig 42: Right Rear Of Engine Compartment
G00454156Courtesy of VOLKSWAGEN UNITED STATES, INC.
Fig 43: Front Of Center Console
G00454157Courtesy of VOLKSWAGEN UNITED STATES, INC.
Fig 44: Under Roof Console
G00454158Courtesy of VOLKSWAGEN UNITED STATES, INC.
Fig 45: Behind Instrument Cluster
G00454159Courtesy of VOLKSWAGEN UNITED STATES, INC.
Fig 46: Left Side Of Engine
G00454160Courtesy of VOLKSWAGEN UNITED STATES, INC.
Fig 47: Driver's Door
G00454161Courtesy of VOLKSWAGEN UNITED STATES, INC.
Fig 48: Front Passenger's Door
G00454162Courtesy of VOLKSWAGEN UNITED STATES, INC.
Fig 49: Right Side Of Dash
G00454163Courtesy of VOLKSWAGEN UNITED STATES, INC.
Fig 50: Left Rear Of Engine Compartment
G00454164Courtesy of VOLKSWAGEN UNITED STATES, INC.
Fig 51: Lower Rear Of Engine Compartment
G00454165Courtesy of VOLKSWAGEN UNITED STATES, INC.
Fig 52: Left Side Of Dash
G00454166Courtesy of VOLKSWAGEN UNITED STATES, INC.
Fig 53: Steering Column
G00454167Courtesy of VOLKSWAGEN UNITED STATES, INC.
Fig 54: Left Side Of Dash
G00454168Courtesy of VOLKSWAGEN UNITED STATES, INC.
Fig 55: Center Console
G00454169Courtesy of VOLKSWAGEN UNITED STATES, INC.
Fig 56: Under Front Passenger's Seat
G00454170Courtesy of VOLKSWAGEN UNITED STATES, INC.
Fig 57: Front Of Transmission
G00454171Courtesy of VOLKSWAGEN UNITED STATES, INC.
Fig 58: Under Driver's Seat
G00454172Courtesy of VOLKSWAGEN UNITED STATES, INC.
Fig 59: Under Front Passenger's Seat
G00454173Courtesy of VOLKSWAGEN UNITED STATES, INC.
Fig 60: Right Side Of Dash
G00454174Courtesy of VOLKSWAGEN UNITED STATES, INC.
Fig 61: Left Rear Of Engine Compartment
G00454175Courtesy of VOLKSWAGEN UNITED STATES, INC.
Fig 62: Center Front Of Roof
G00454176Courtesy of VOLKSWAGEN UNITED STATES, INC.
Fig 63: Steering Column
G00454177Courtesy of VOLKSWAGEN UNITED STATES, INC.
Fig 64: Right Side Of Dash
G00454178Courtesy of VOLKSWAGEN UNITED STATES, INC.
Fig 65: Right Side Of Dash
G00454179Courtesy of VOLKSWAGEN UNITED STATES, INC.
Fig 66: Left "B" Pillar
G00454180Courtesy of VOLKSWAGEN UNITED STATES, INC.
Fig 67: Right "B" Pillar
G00454181Courtesy of VOLKSWAGEN UNITED STATES, INC.
Fig 68: Left Rear Of Roof
G00454182Courtesy of VOLKSWAGEN UNITED STATES, INC.
Fig 69: Right Rear Of Roof
G00454183Courtesy of VOLKSWAGEN UNITED STATES, INC.
Fig 70: Left Side Of Dash
G00454184Courtesy of VOLKSWAGEN UNITED STATES, INC.
Fig 71: Right Front Wheel Housing
G00454185Courtesy of VOLKSWAGEN UNITED STATES, INC.
Fig 72: Right Rear Wheel Housing
G00454186Courtesy of VOLKSWAGEN UNITED STATES, INC.
Fig 73: Right Side Of Dash
G00454187Courtesy of VOLKSWAGEN UNITED STATES, INC.
Fig 74: Left Side Of Dash
G00454188Courtesy of VOLKSWAGEN UNITED STATES, INC.
Fig 75: Right Side Of Dash
G00454189Courtesy of VOLKSWAGEN UNITED STATES, INC.
Fig 76: Front Of Engine Compartment
G00454190Courtesy of VOLKSWAGEN UNITED STATES, INC.
Fig 77: Lower Rear Of Engine Compartment
G00454191Courtesy of VOLKSWAGEN UNITED STATES, INC.
Fig 78: Right Side Of Dash
G00454192Courtesy of VOLKSWAGEN UNITED STATES, INC.
Fig 79: Left Side Of Engine
G00454193Courtesy of VOLKSWAGEN UNITED STATES, INC.
Fig 80: Right Front Wheel Housing
G00454194Courtesy of VOLKSWAGEN UNITED STATES, INC.
Fig 81: Front Of Engine Compartment
G00454195Courtesy of VOLKSWAGEN UNITED STATES, INC.
Fig 82: Right Rear Of Engine Compartment
G00454196Courtesy of VOLKSWAGEN UNITED STATES, INC.
Fig 83: Engine
G00454197Courtesy of VOLKSWAGEN UNITED STATES, INC.
Fig 84: Oil Pump Housing
G00454198Courtesy of VOLKSWAGEN UNITED STATES, INC.
Fig 85: Shift Mechanism
G00454199Courtesy of VOLKSWAGEN UNITED STATES, INC.
Fig 86: HVAC Assembly
G00454200Courtesy of VOLKSWAGEN UNITED STATES, INC.
Fig 87: Direct Shift Transmission
G00454201Courtesy of VOLKSWAGEN UNITED STATES, INC.
Fig 88: Automatic Transmission
G00454202Courtesy of VOLKSWAGEN UNITED STATES, INC.
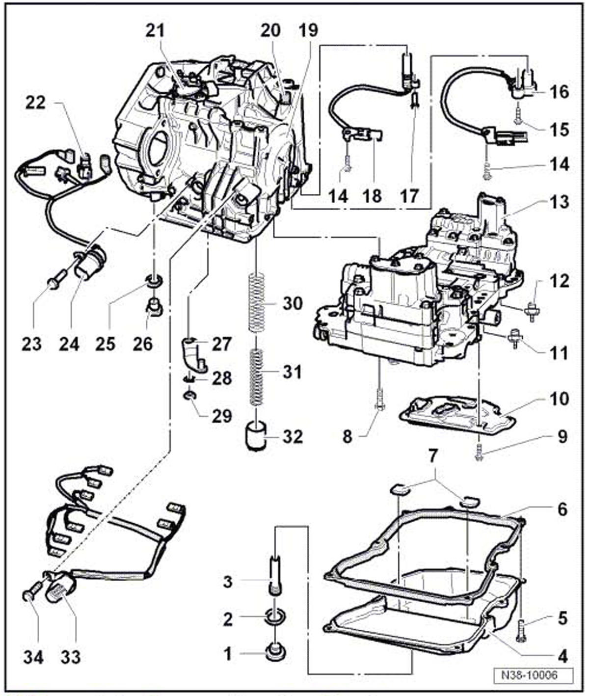
Fig 89: Automatic Transmission Valve Body
G00454203Courtesy of VOLKSWAGEN UNITED STATES, INC.
Fig 90: Left Side Of Engine Compartment
G00454204Courtesy of VOLKSWAGEN UNITED STATES, INC.
Fig 91: Left Side Of Engine Compartment
G00454205Courtesy of VOLKSWAGEN UNITED STATES, INC.
Fig 92: Right Kick Panel
G00454206Courtesy of VOLKSWAGEN UNITED STATES, INC.
Fig 93: Left Kick Panel
G00454207Courtesy of VOLKSWAGEN UNITED STATES, INC.
Fig 94: Right Kick Panel
G00454208Courtesy of VOLKSWAGEN UNITED STATES, INC.
Fig 95: Right Side Of Rear Lid
G00454209Courtesy of VOLKSWAGEN UNITED STATES, INC.
Fig 96: Left Rear Of Engine Compartment
G00454210Courtesy of VOLKSWAGEN UNITED STATES, INC.
Fig 97: Right Rear Of Engine Compartment
G00454211Courtesy of VOLKSWAGEN UNITED STATES, INC.
Fig 98: Right Kick Panel
G00454212Courtesy of VOLKSWAGEN UNITED STATES, INC.
Fig 99: Left Side Of Engine Compartment
G00454213Courtesy of VOLKSWAGEN UNITED STATES, INC.
Fig 100: Left Side Of Engine Compartment
G00454214Courtesy of VOLKSWAGEN UNITED STATES, INC.
Fig 101: Left Side Of Engine Compartment
G00454215Courtesy of VOLKSWAGEN UNITED STATES, INC.
Fig 102: Left Front Of Engine Compartment
G00454216Courtesy of VOLKSWAGEN UNITED STATES, INC.
Fig 103: Right Front Of Engine Compartment
G00454217Courtesy of VOLKSWAGEN UNITED STATES, INC.
Fig 104: Left Side Of Luggage Compartment
G00454218Courtesy of VOLKSWAGEN UNITED STATES, INC.
Fig 105: Right Side Of Luggage Compartment
G00454219Courtesy of VOLKSWAGEN UNITED STATES, INC.
Fig 106: Right Side Of Luggage Compartment
G00454220Courtesy of VOLKSWAGEN UNITED STATES, INC.
Fig 107: On Front Of Engine, Below Intake Manifold
G00460045Courtesy of VOLKSWAGEN UNITED STATES, INC.
Fig 108: On Front Of Engine, Below Intake Manifold
G00460046Courtesy of VOLKSWAGEN UNITED STATES, INC.
Fig 109: On Front Of Engine, Below Intake Manifold
G00460047Courtesy of VOLKSWAGEN UNITED STATES, INC.
Fig 110: On Front Of Engine, Below Intake Manifold
G00460048Courtesy of VOLKSWAGEN UNITED STATES, INC.
Fig 111: In Coolant Pipe, On Left Side Of Engine
G00460030Courtesy of VOLKSWAGEN UNITED STATES, INC.
Fig 112: On Engine Block, Near Transmission
G00460031Courtesy of VOLKSWAGEN UNITED STATES, INC.
Fig 113: In Engine Compartment, Left
G00460032Courtesy of VOLKSWAGEN UNITED STATES, INC.
Fig 114: Below Intake Manifold, In Fuel Rail
G00460033Courtesy of VOLKSWAGEN UNITED STATES, INC.
Fig 115: Below Rear Seat, Right Side
G00460034Courtesy of VOLKSWAGEN UNITED STATES, INC.
Fig 116: In Exhaust, At Turbocharger Exit
G00460035Courtesy of VOLKSWAGEN UNITED STATES, INC.
Fig 117: On Top Of Cylinder Head Cover, Above Cylinder No. 1
G00460049Courtesy of VOLKSWAGEN UNITED STATES, INC.
Fig 118: On Top Of Cylinder Head Cover, Above Cylinder No. 2
G00460050Courtesy of VOLKSWAGEN UNITED STATES, INC.
Fig 119: On Top Of Cylinder Head Cover, Above Cylinder No. 3
G00460028Courtesy of VOLKSWAGEN UNITED STATES, INC.
Fig 120: On Top Of Cylinder Head Cover, Above Cylinder No. 4
G00460029Courtesy of VOLKSWAGEN UNITED STATES, INC.
Fig 121: In Intake Manifold
G00460036Courtesy of VOLKSWAGEN UNITED STATES, INC.
Fig 122: At Bottom Of Intake Manifold, Left Side
G00460037Courtesy of VOLKSWAGEN UNITED STATES, INC.
Fig 123: At Bottom Of Intake Manifold, Left Side
G00460038Courtesy of VOLKSWAGEN UNITED STATES, INC.
Fig 124: On Engine Block, Near Head
G00460039Courtesy of VOLKSWAGEN UNITED STATES, INC.
Fig 125: On Engine Block, Near Head
G00460040Courtesy of VOLKSWAGEN UNITED STATES, INC.
Fig 126: In High Pressure Fuel Pump
G00460041Courtesy of VOLKSWAGEN UNITED STATES, INC.
Fig 127: In Plenum, Center, Below Plastic Cover
G00460042Courtesy of VOLKSWAGEN UNITED STATES, INC.
Fig 128: On Engine, Near Bulkhead
G00460043Courtesy of VOLKSWAGEN UNITED STATES, INC.
Fig 129: On Engine, Near Bulkhead
G00460044Courtesy of VOLKSWAGEN UNITED STATES, INC.