lemon-mirror:
Home >> Volkswagen >> 2016 >> e-Golf SE >> Repair and Diagnosis >> Engine Performance >> Ignition System >> Wiring Diagram >> Wiring Diagram(S) >> Engine/Motor Control Module, Thermal Management Control Module, Radiator Bypass Switch-Over Valve >> Notes

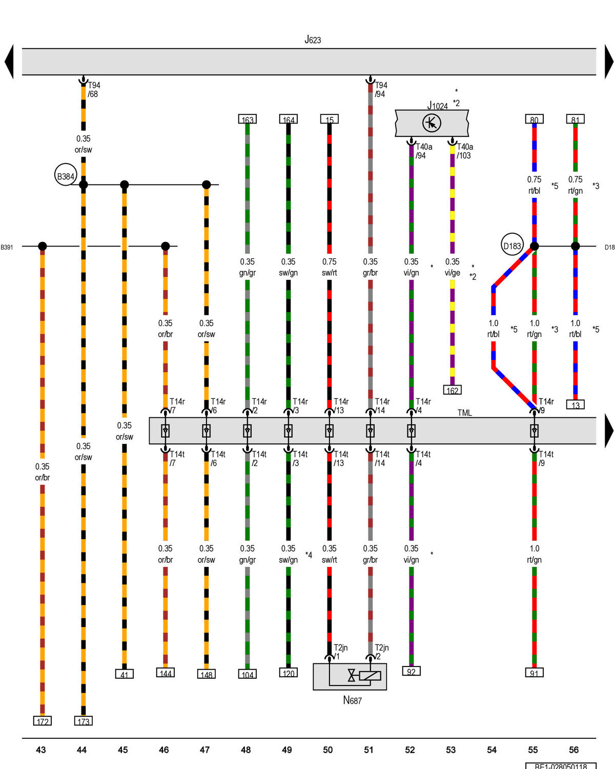
Engine/Motor Control Module, Thermal Management Control Module, Radiator Bypass Switch-Over Valve: Notes

GWWBE1-028050118