lemon-mirror:
Home >> Volvo >> 1980 >> 262 Automatic Trans >> Repair and Diagnosis >> Engine Performance >> Fuel Delivery >> BOSCH Lambda Cis Injection System - All Models >> Lambda Control System Checks >> Electrical Testing

Electrical Testing

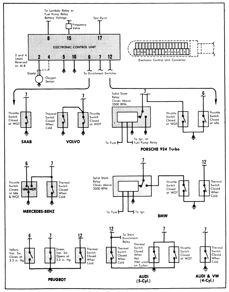
NOTE: Electronic control unit is located under dash near fuse panel on Porsche 924. It is near glove box on Audi, BMW, Peugeot and Volkswagen. Control unit is behind right kick panel on Mercedes-Benz and Volvo, and beneath right seat on Porsche 911SC and Saab.
  1. Locate electronic control unit and press locking tabs back to disconnect connector. All connectors are wired with pin numbers in the same location. Use a high-quality volt-ohm-meter for testing.
    Fig 1: Bosch CIS Lambda Electronic Control Unit Wiring Diagram
    G09310444Courtesy of NOT AVAILABLE
  2. Refer to wiring diagram for pin locations. With ignition "ON" and fuel pump jumper wire in place, check for battery voltage at terminals 8 and 15. Connect ground lead of voltmeter to terminals 5 and 16 while checking for battery voltage to ensure these wires make a good ground connection.
  3. If battery voltage is not available at terminal 8, check Lambda and fuel pump relays. If no voltage at 15, check frequency valve connector. One wire should have battery voltage; the other wire should have continuity to terminal 15. Frequency valve should have 2-3 ohms resistance. Repair or replace as necessary.
  4. Disconnect oxygen sensor and check for continuity between sensor lead and terminal 2 (4 on Mercedes-Benz). No continuity should exist between ground and lead wire.
    Fig 2: Peugeot Enrichment Vacuum Switches
    G09310445Courtesy of NOT AVAILABLE
  5. All models use enrichment switches. All switches provide continuity to ground when switch is closed. Actuate throttle to test throttle switches. Apply vacuum to switches to test vacuum enrichment switches on Peugeot. Thermal switches can be checked by removing switch and heating in water. Repair wiring or replace switches as necessary.
    Fig 3: Throttle Enrichment Switches (Porsche 924 Turbo Shown)
    G09310446Courtesy of NOT AVAILABLE
  6. After testing is completed, reconnect electronic control unit, oxygen sensor, and all switches. Remove fuel pump relay jumper wire and testing equipment.