lemon-mirror:
Home >> Volvo >> 1982 >> 264 >> Repair and Diagnosis >> Electrical >> Body Electrical >> Wiper/Washer Systems >> Operation

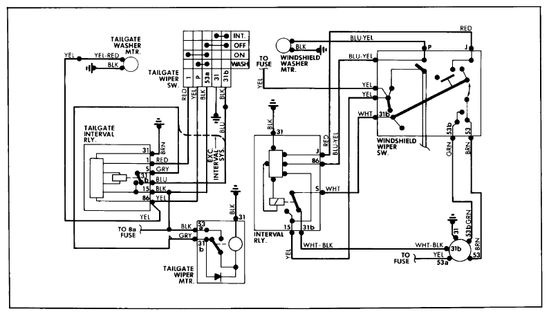
Wiper/Washer Systems: Operation

When the lever is lifted up from its normal position, the wipers operate every 7 seconds. When the lever is pulled down to the first detent, the wipers operate until it is released.

When the lever is pulled to the second detent, the wipers operate at low speed. When the lever is moved to the third detent, high speed is selected. The front washer is operated by pulling the lever toward the driver. The wipers will cycle 2 to 3 times after the lever is released.

NOTE: The interval relays are located under a footplate near the left kick panel. The front relay is black and the rear relay is blue.

The rear wiper is off when the switch (on the wiper lever) is in the middle position. With the switch moved toward the steering column, the rear wiper cycles every 5-15 seconds.

With the switch moved away from the column, the wiper operates at normal speed. The rear washer runs when the button at the end of the lever is pressed. The wiper will operate 2 or 3 cycles after the button is released.

Fig 1: Volvo Wiper/Washer System Wiring Diagram
G09331918Courtesy of VOLVO CARS CORPORATION