Abs Repair Precautions
Observe following precautions when performing repairs:
- DO NOT disconnect battery or electronic components with ignition switch in ON position.
- Disconnect ECU connector when welding on vehicle with AC-DC arch welder.
- NEVER subject ECU to temperatures greater than 180°F (82°C).
- Disconnect battery before charging with fast charger. DO NOT use fast charger to start engine.
NOTE:
Test all ABS components and wiring before condemning ECU.
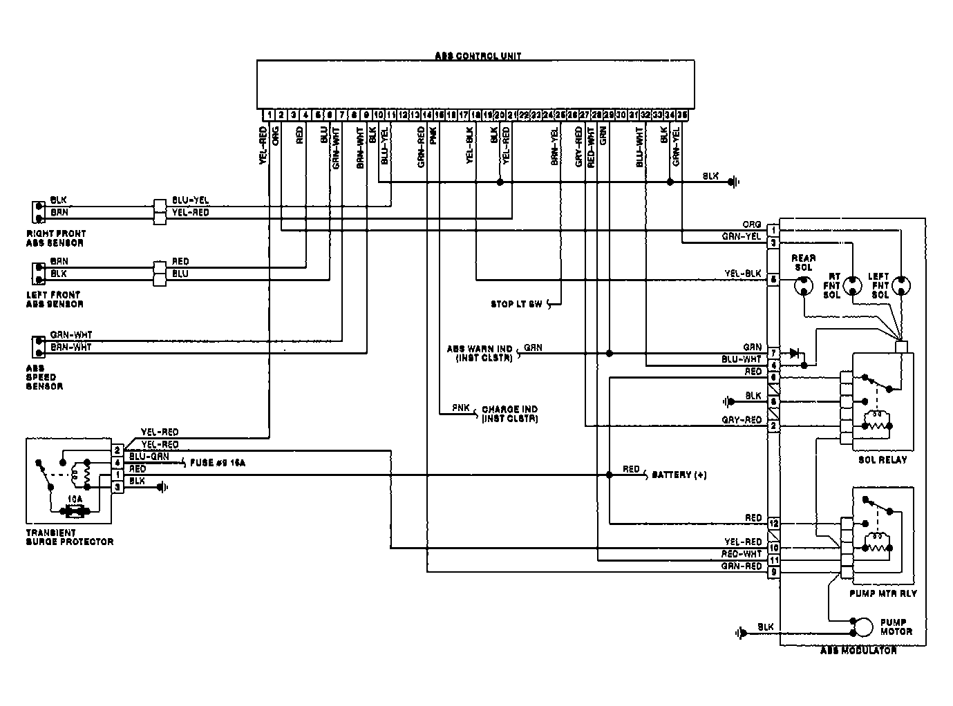
To prepare for testing, turn ignition switch to OFF position. Remove cover from hydraulic modulator. Remove ECU connector by depressing lock spring and swinging out connector. Leave ECU connector unplugged, unless stated otherwise in testing procedure. Consult wiring diagram while performing tests. See Figure or Figure . Check ECU connector terminals with minimum force through holes in side connector. Connector terminal numbers are molded into side of connector. To reduce diagnostic time, test components in following order.