lemon-mirror:
Home >> Volvo >> 2000 >> S70 AWD >> Repair and Diagnosis >> Engine Performance >> System >> Engine Controls - Self-Diagnostics - Turbo >> Component Locations

Component Locations

Fig 1: Locating Data Link Connector
G96F03746Courtesy of VOLVO CARS OF NORTH AMERICA.
Fig 2: C70 Component Locations
G00204099Courtesy of VOLVO CARS OF NORTH AMERICA.
Fig 3: S70 Turbo & V70 Turbo Component Location
G00204103Courtesy of VOLVO CARS OF NORTH AMERICA.
Fig 4: Locating Cooling Fan Relay
G00223305Courtesy of VOLVO CARS OF NORTH AMERICA.
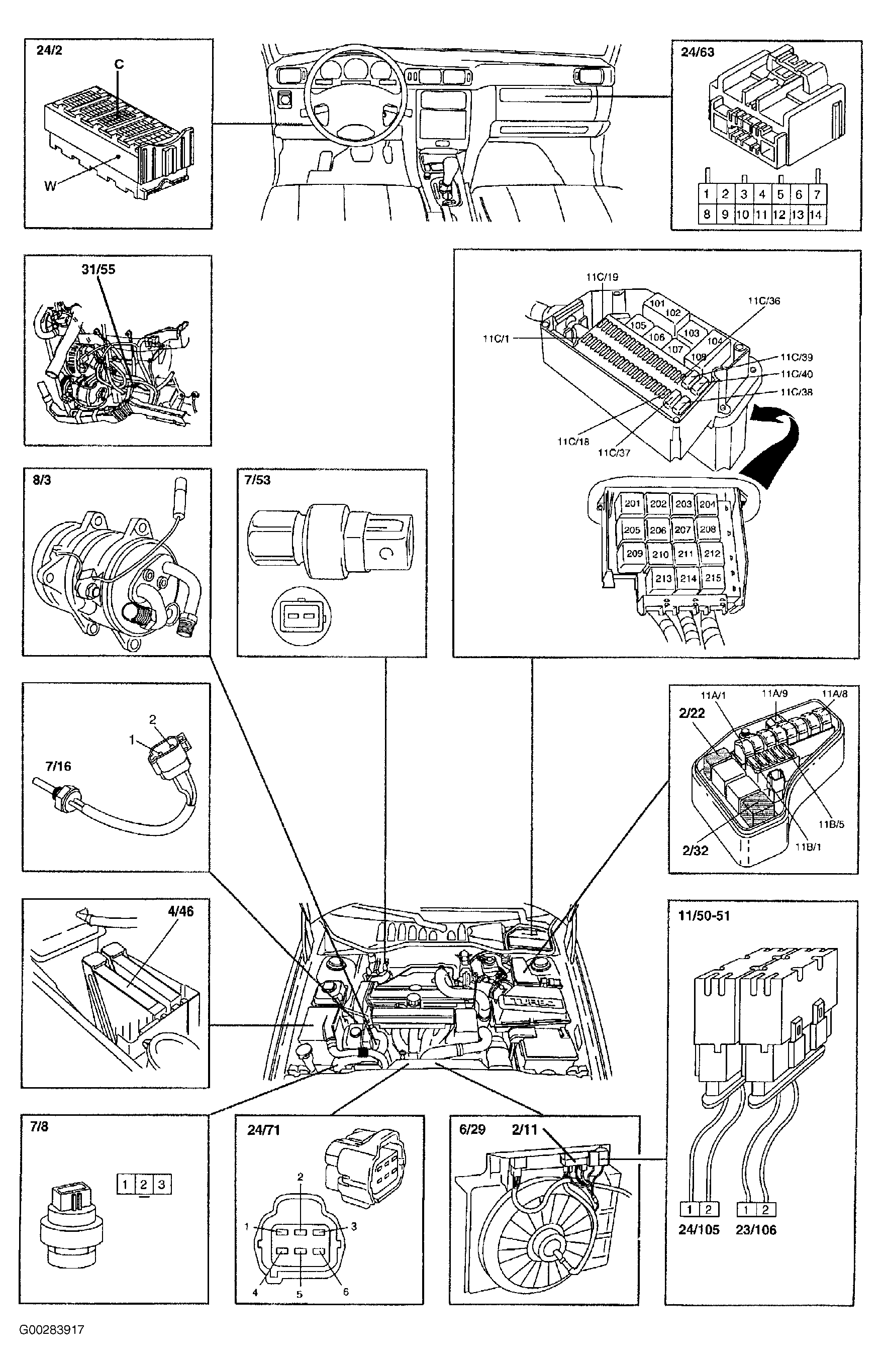
Fig 5: Locating Cooling Fan Components (2000)
G00283917Courtesy of VOLVO CARS OF NORTH AMERICA.
Fig 6: Cooling Fan Component Identification List (1 of 4)
G00236671Courtesy of VOLVO CARS OF NORTH AMERICA.
Fig 7: Cooling Fan Component Identification List (2 of 4)
G00236675Courtesy of VOLVO CARS OF NORTH AMERICA.
Fig 8: Cooling Fan Component Identification List (3 of 4)
G00236679Courtesy of VOLVO CARS OF NORTH AMERICA.
Fig 9: Cooling Fan Component Identification List (4 of 4)
G00236683Courtesy of VOLVO CARS OF NORTH AMERICA.
Fig 10: Locating Fuel Pump Relay
G00208957Courtesy of VOLVO CARS OF NORTH AMERICA.
NOTE: System relay may also be called main relay engine management.
Fig 11: Locating A/C Relay, Electronic Throttle Module Relay & System Relay
G00223285Courtesy of VOLVO CARS OF NORTH AMERICA.
NOTE: For C70, S70 and V70 FWD models, EVAP canister shut-off valve is located the EVAP canister. EVAP canister is located under right, rear section of vehicle. See Fig 12.
Fig 12: Locating EVAP Canister & EVAP Canister Shut-Off Valve (C70, S70 & V70 Except AWD Models)
G00247237Courtesy of VOLVO CARS OF NORTH AMERICA.
Fig 13: Locating EVAP Canister On Rear Subframe (C70 & V70 AWD Models)
G00204132Courtesy of VOLVO CARS OF NORTH AMERICA.