lemon-mirror:
Home >> Volvo >> 2008 >> XC70 >> Repair and Diagnosis >> Engine Performance >> Engine Control Systems >> Electrical Modules And Components - Design And Function - 1 Of 5 >> Brake Control Module (BCM) (2008-2012) >> Function >> Traction Control

Traction Control

General 

Fig 1: Identifying Traction Control Components
GLL106637Courtesy of VOLVO CARS CORPORATION
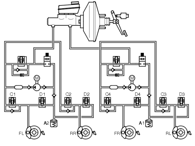
COMPONENTS

1 SV valve (separation valve), normally open 5 Intake valve, normally open
2 ESV valve (electronic shuttle valve), normally closed 6 Pressure equalizer
3 Hydraulic pump 7 By-pass valve
4 Outlet valve, normally closed 8 Non-return valve

Traction control is integrated in the brake system.

The system is primarily intended as a starting-off aid on slippery surfaces for speeds up to approx. 60 km/h (37.3 mph). The function of traction control is extremely limited at speeds over 60 km/h (37.3 mph).

If the brake control module (BCM) receives information from the front wheel sensors indicating that one of the drive wheels is spinning faster than the other, the SV valve (1) is closed. The hydraulic pump (3) is started to pump brake fluid out of the spinning wheel's brake calliper. This builds up pressure in the brake circuit and the brake is applied to the exact degree needed to distribute the driving force between the drive wheels so that the drive wheel with the best grip receives the largest amount of driving force. Control works regardless of engine output.

On vehicles with traction control, the brake control module (BCM) continually registers how much the brakes are used, enabling the module to calculate the temperature of the front wheel brake discs. If the calculated temperature becomes too high (approx. 450 °C/842 °F) while the traction control function is engaged, the traction control function is blocked. The spin warning lamp illuminates and a text appears in the driver information module display. A diagnostic trouble code is generated in the brake control module (BCM). Traction control is blocked to prevent the brakes from overheating. The lamp goes out when the calculated temperature is below approx. 300 °C (572 °F) and traction control is once again enabled. The ABS function, however, is operable the entire time. Information on calculated brake disc temperature is found in the brake control module (BCM) provided its 30-feed is connected. Note that high brake temperature can also be caused by hard use of the brake system.

No traction control 

Fig 2: Identifying No Traction Control
GLL106651Courtesy of VOLVO CARS CORPORATION

If no drive wheel is spinning, the brake system is not actuated. In other words, the master cylinder is in its home position and the connection between the brake fluid reservoir and the rest of the hydraulic system is open. The system is then totally depressurized. In the valve block of the hydraulic unit, the hydraulic valves are in their home position, the intake valves and SV valves are open; the outlet valves and ESV valves are closed.

Traction control when one or more drive wheels is spinning 

Fig 3: Identifying Traction Control
GLL106653Courtesy of VOLVO CARS CORPORATION

If one or more drive wheels tends to spin once the vehicle has been started and driven off, the brake control module (BCM) registers this and compares the signals from the wheel sensors with a calculated reference speed. The control module then closes one or both SV valves and starts the hydraulic pump. The SV valve then blocks the connection between the pump's pressure side and the master cylinder's primary/secondary circuit. The intake valve of the spinning wheel is closed so that the wheel is not braked. The hydraulic pump draws brake fluid from the brake fluid reservoir via the ESV valve and increases pressure until the bypass valve opens. The hydraulic pressure then reaches the spinning wheel and decelerates it so that the driving force is distributed between the drive wheels so that the drive wheel with the best grip receives the largest amount of driving force.

Since the pump usually delivers more flow than required for traction control, excess brake fluid will be directed to the master cylinder via the bypass valve or will be suctioned up directly by the pump.

Once the spinning wheel has been decelerated to a condition with normal spin, the intake valve is closed. Depending on the wheel's acceleration, the outlet valve will open (brake fluid flows back to the induction side of the pump) so that there is a drop in pressure in the brake circuit or the outlet valve remains closed to maintain pressure (pressure hold). Pressure can once again be increased in the brake circuit by closing the outlet valve and opening the intake valve.

This control keeps the wheel in a condition of optimal spin until one of the following occurs: 

The SV valve is activated throughout the entire traction control process.

Activating the brakes, which the brake control module (BCM) registers via a signal from the brake light switch, terminates traction control and causes the SV valve to open. The ESV valve is closed so that the pump cannot suck brake fluid from the master cylinder. The hydraulic unit now works as a normal ABS hydraulic modulator.

The traction control function is only operable if there is a difference in speed between the drive wheels. This difference varies with vehicle speed. When vehicle speed is 0 km/h (0 mph), there must be an 8 km/h (5 mph) difference between the drive wheels for traction control to engage. A difference of 18 km/h (11.2 mph) is required at a vehicle speed of 20 km/h (12.4 mph) and a 25 km/h (15.5 mph) difference is required at 40 km/h (25 mph). At high speeds, too a great difference is required between the drive wheels. Thus, use of traction control is not possible at speeds above 60 km/h (37.3 mph).