lemon-mirror:
Home >> Acura >> 2009 >> RL >> Repair and Diagnosis >> Transmission >> Automatic Trans >> Automatic Transmission >> Shift Cable Replacement

Shift Cable Replacement

  1. Raise the vehicle on a lift, and make sure it is supported securely.
  2. Remove the center console (see CENTER CONSOLE REMOVAL/INSTALLATION ).
  3. Shift the shift lever into R.
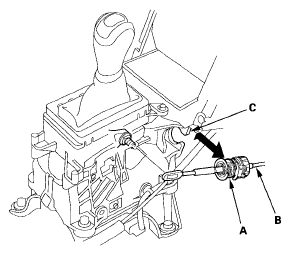
  4. Remove the nut securing the shift cable end.
    Fig 1: Identifying Nut Securing Shift Cable End
    G06164599Courtesy of AMERICAN HONDA MOTOR CO., INC.
  5. Unlock the retainer (A).
    Fig 2: Unlocking Retainer
    G06164600Courtesy of AMERICAN HONDA MOTOR CO., INC.
  6. Rotate the socket holder retainer (A) counterclockwise (B) until it stops, and push in the retainer (C) to lock it.
    Fig 3: Rotating Socket Holder Retainer Counterclockwise Until It Stops
    G06164601Courtesy of AMERICAN HONDA MOTOR CO., INC.
  7. Push the socket holder retainer (A) forward, then slide it to remove the shift cable (B) from the shift lever bracket (C).
    Fig 4: Locating Socket Holder Retainer, Shift Cable And Shift Lever Bracket
    G06164602Courtesy of AMERICAN HONDA MOTOR CO., INC.
  8. Do the battery removal procedure (see BATTERY REMOVAL AND INSTALLATION ).
  9. Remove the battery base.
  10. Remove the air cleaner (see THROTTLE BODY CLEANING ).
  11. Remove the nuts securing the shift cable bracket (A).
    Fig 5: Locating Spring Clip/Washer, Control Pin And Shift Cable End
    G06164603Courtesy of AMERICAN HONDA MOTOR CO., INC.
  12. Remove the spring clip/washer (B) and control pin (C), then separate the shift cable end (D) from the control lever (E).
  13. Remove the shift cable bracket from the steering gearbox stiffener.
    Fig 6: Shift Cable Bracket With Torque Specifications
    G06164604Courtesy of AMERICAN HONDA MOTOR CO., INC.
  14. Remove the heat shield under the shift cable grommet.
  15. Remove the shift cable grommet, and pull out the shift cable.
    Fig 7: Identifying Shift Cable Grommet And Shift Cable
    G06164605Courtesy of AMERICAN HONDA MOTOR CO., INC.
  16. Insert the new shift cable through the grommet hole, and install the grommet in its hole. Do not bend the shift cable excessively.
  17. Install the heat shield.
  18. Secure the shift cable bracket on the steering gearbox stiffener with the bolt.
  19. Apply molybdenum grease to the hole in the bushing (A) in the shift cable end (B).
    Fig 8: Locating Bushing Hole And Shift Cable End With Torque Specifications
    G06164606Courtesy of AMERICAN HONDA MOTOR CO., INC.
  20. Attach the shift cable end to the control lever (C), then insert the control pin (D) into the control lever hole through the shift cable end, and secure the control pin with the spring clip/washer (E).
  21. Secure the shift cable bracket (F) with the nuts.
  22. Install the shift cable on the shift lever bracket, and adjust the shift cable (see SHIFT CABLE ADJUSTMENT ).
  23. Install the air cleaner (see THROTTLE BODY CLEANING ).
  24. Install the battery base.
  25. Do the battery installation procedure (see BATTERY REMOVAL AND INSTALLATION ).
  26. Reinstall the center console (see CENTER CONSOLE REMOVAL/INSTALLATION ).