lemon-mirror:
Home >> Acura >> 2012 >> RL >> Repair and Diagnosis >> Engine Mechanical >> Mechanical >> Engine Assembly >> Engine Installation >> Special Tools Required

Special Tools Required

*: Available through the Acura Tool and Equipment program, 888-424-6857.

  1. Install the accessory brackets and tighten their bolts to the specified torque.
    Fig 1: Accessory Brackets With Torque Specifications
    G07361642Courtesy of AMERICAN HONDA MOTOR CO., INC.
  2. Position the engine/transmission under the vehicle. Be sure that they are properly aligned. Carefully lower the vehicle until the engine/transmission are properly positioned in the engine compartment. Make sure the vehicle is not resting on any part of the engine/transmission. Support the engine/transmission with a chain hoist (A) and carefully raise the engine/transmission into place.
    NOTE: Reinstall the mounting bolts/support nuts in the sequence given in the following steps. Failure to follow this sequence may cause excessive noise and vibration, and reduce engine mount life.
    Fig 2: Supporting Engine/Transmission With Chain Hoist
    G07361643Courtesy of AMERICAN HONDA MOTOR CO., INC.
  3. Install two new bolts securing the upper engine mount bracket. Tighten the bolts to the specified torque.
    Fig 3: Installing Two New Bolts Securing Upper Engine Mount Bracket With Torque Specifications
    G07361644Courtesy of AMERICAN HONDA MOTOR CO., INC.
  4. Install the engine hanger balance bar (VSB02C000019). Attach the front arm (A) to the front cylinder head with a 10 mm (0.39 in) spacer (B) and a 10 x 1.25 mm bolt (C). Remove the rear arm from the engine hanger balance bar, then install the 2008 V6 attachment arm (SIL02C000033) to the rear cylinder head with a 10 mm (0.39 in) spacer (D) and an 8 x 1.25 mm bolt (E).
    Fig 4: Attaching Front Arm To Front Cylinder Head With Spacer
    G07361645Courtesy of AMERICAN HONDA MOTOR CO., INC.
  5. Install the engine support hanger (AAR-T1256) onto the vehicle as shown, and attach the hook to the slotted hole in the engine hanger balance bar. Tighten the wing nut (F) by hand, and lift and support the engine/transmission.
    NOTE:
    • Be careful when working around the windshield.
    • Be careful not to damage the hood opener cable when installing the engine support hanger at the front bulkhead.
    • AAR-T1256 two sets required for stacking additional cross section bar.
  6. Remove the chain hoist, then raise the vehicle on the lift.
  7. Using the subframe adapter (VSB02C000016) and a transmission jack, raise the front subframe up to the body.
    Fig 5: Raising Front Subframe Up To Body
    G07361646Courtesy of AMERICAN HONDA MOTOR CO., INC.
  8. Loosely install the new front subframe mounting bolts (four) (A), the mounting bolts (four) (B), the new mounting bolts (two) (C) and the stiffeners (D).
  9. Align the front subframe with the subframe alignment pin (see SUBFRAME REPLACEMENT ).
  10. Remove the transmission jack and front subframe adapter.
  11. Tighten the transmission lower mount mounting bolts.
    Fig 6: Transmission Lower Mount Mounting Bolts With Torque Specifications
    G07361647Courtesy of AMERICAN HONDA MOTOR CO., INC.
  12. Lower the vehicle on the lift.
  13. Remove the engine support hanger, engine hanger balance bar, and the 2008 V6 attachment arm.
  14. Install the connector bracket (A) to the front cylinder head.
    Fig 7: Installing Connector Bracket To Front Cylinder Head With Torque Specifications
    G07361648Courtesy of AMERICAN HONDA MOTOR CO., INC.
  15. Install the harness clamp (A) and the engine mount control solenoid valve bracket (B) to the rear cylinder head.
    Fig 8: Installing Harness Clamp And Engine Mount Control Solenoid Valve Bracket To Rear Cylinder Head With Torque Specifications
    G07361649Courtesy of AMERICAN HONDA MOTOR CO., INC.
  16. Install the shift cable and tighten the bolt (A) securing the shift cable bracket.
    Fig 9: Installing Shift Cable With Torque Specifications
    G07361650Courtesy of AMERICAN HONDA MOTOR CO., INC.
  17. Install the vacuum hose (B).
  18. Tighten the rear engine mount bolt (C), then install the rear engine mount stop (D).
  19. Install the vacuum hose (A).
    Fig 10: Installing Vacuum Hose With Torque Specifications
    G07361651Courtesy of AMERICAN HONDA MOTOR CO., INC.
  20. Tighten the front engine mount bolt (B), then install the front engine mount stop (C).
  21. Loosen the side engine mount bracket mounting bolts (A) for the upper engine mount bracket, then retighten them to the specified torque.
    Fig 11: Installing Front Engine Mount Stop With Torque Specifications
    G07361652Courtesy of AMERICAN HONDA MOTOR CO., INC.
  22. Install the A/C compressor.
    Fig 12: Installing A/C Compressor With Torque Specifications
    G07361653Courtesy of AMERICAN HONDA MOTOR CO., INC.
  23. Connect the heater hoses.
    Fig 13: Connecting Heater Hoses
    G07361654Courtesy of AMERICAN HONDA MOTOR CO., INC.
  24. Install the radiator (see RADIATOR REPLACEMENT ).
  25. Connect the ATF cooler hoses (A) to the transmission.
    Fig 14: Connecting ATF Cooler Hoses To Transmission
    G07361655Courtesy of AMERICAN HONDA MOTOR CO., INC.
  26. Connect the radiator hoses (A).
    Fig 15: Connecting Radiator Hoses
    G07361656Courtesy of AMERICAN HONDA MOTOR CO., INC.
  27. Raise the vehicle on the lift.
  28. Install the ground cable.
    Fig 16: Installing Ground Cable With Torque Specifications
    G07361657Courtesy of AMERICAN HONDA MOTOR CO., INC.
  29. Connect the PSP switch connector.
    Fig 17: Connecting PSP Switch Connector
    G07361658Courtesy of AMERICAN HONDA MOTOR CO., INC.
  30. Connect the ECPS valve motor connector to the steering gearbox.
    Fig 18: Connecting ECPS Valve Motor Connector To Steering Gearbox
    G07361659Courtesy of AMERICAN HONDA MOTOR CO., INC.
  31. Connect the power steering hose.
    Fig 19: Connecting Power Steering Hose
    G07361660Courtesy of AMERICAN HONDA MOTOR CO., INC.
  32. Install the transfer assembly (see TRANSFER ASSEMBLY INSTALLATION ).
  33. Install the propeller shaft (see PROPELLER SHAFT INSTALLATION ).
  34. Install the exhaust pipe assembly using new gaskets and new self-locking nuts (see EXHAUST PIPE AND MUFFLER REPLACEMENT ).
  35. Install a new set ring on the end of each driveshaft, then install the front driveshafts (see FRONT DRIVESHAFT INSTALLATION ). Make sure each ring "clicks" into place in the differential and intermediate shaft.
  36. Connect the suspension lower arm to the knuckles (see LOWER ARM REMOVAL/INSTALLATION ).
  37. Connect the tie-rod end ball joints to the knuckles (see step 23 on STEERING GEARBOX INSTALLATION ).
  38. Install the damper fork (see INSTALLATION ).
  39. Connect the stabilizer links to the stabilizer bar (see STABILIZER LINK REMOVAL/INSTALLATION ).
  40. Install the splash shield (see SPLASH SHIELD REPLACEMENT ).
  41. Install the front wheels.
  42. Lower the vehicle on the lift.
  43. Align the reference mark (A) on the steering joint (B) and the steering gearbox pinion shaft (C). Connect the steering joint to the steering gearbox pinion shaft. Tighten the steering joint bolt (D).
    Fig 20: Aligning Reference Mark On Steering Joint And Steering Gearbox Pinion Shaft With Torque Specifications
    G07361661Courtesy of AMERICAN HONDA MOTOR CO., INC.
  44. Install the steering joint cover (E).
  45. Remove the steering wheel holder from the steering wheel.
  46. Install the power steering heat shield.
    Fig 21: Installing Power Steering Heat Shield With Torque Specifications
    G07361662Courtesy of AMERICAN HONDA MOTOR CO., INC.
  47. Connect the pump outlet hose (A) with a new O-ring (B) and the pump inlet hose (C) to the power steering pump.
    Fig 22: Connecting Pump Outlet Hose With New O-Ring And Pump Inlet Hose To Power Steering Pump With Torque Specifications
    G07361663Courtesy of AMERICAN HONDA MOTOR CO., INC.
  48. Install the power steering hose clamp (D).
  49. Install the power steering system fluid reservoir to the clamp.
  50. Install the drive belt (see DRIVE BELT REPLACEMENT ).
  51. Install the shift cable (see SHIFT CABLE REPLACEMENT ).
  52. Install the brake booster vacuum hose (A) and the EVAP canister hose (B).
    Fig 23: Installing Brake Booster Vacuum Hose And EVAP Canister Hose
    G07361664Courtesy of AMERICAN HONDA MOTOR CO., INC.
  53. Connect the fuel feed hose (A), then install the quick-connect fitting cover (B) (see FUEL LINE/QUICK-CONNECT FITTING INSTALLATION ).
    Fig 24: Installing Quick-Connect Fitting Cover
    G07361665Courtesy of AMERICAN HONDA MOTOR CO., INC.
  54. Install the strut brace (A), then install the connector (B) and the transfer breather hose (C).
    Fig 25: Installing Connector And Transfer Breather Hose With Torque Specifications
    G07361666Courtesy of AMERICAN HONDA MOTOR CO., INC.
  55. Connect the engine wire harness connectors (A), then install the harness clamp (B).
    Fig 26: Connecting Engine Wire Harness Connectors
    G07361667Courtesy of AMERICAN HONDA MOTOR CO., INC.
  56. Install the battery cable terminal(A), and connect the starter connector (B).
    Fig 27: Installing Battery Cable Terminal With Torque Specifications
    G07361668Courtesy of AMERICAN HONDA MOTOR CO., INC.
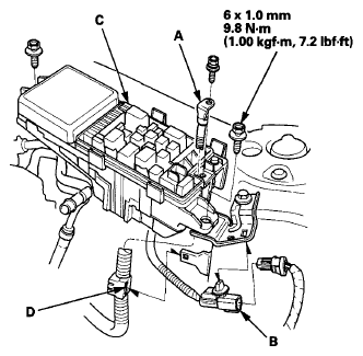
  57. Install the under-hood fuse/relay box (C) and the harness clamp (D).
  58. Connect the positive starter cable (A), and install the harness clamp (B).
    Fig 28: Installing Harness Clamp With Torque Specifications
    G07361669Courtesy of AMERICAN HONDA MOTOR CO., INC.
  59. Install the battery base (A).
    Fig 29: Installing Battery Base With Torque Specifications
    G07361670Courtesy of AMERICAN HONDA MOTOR CO., INC.
  60. Install the air intake duct cover.
    Fig 30: Installing Air Intake Duct Cover
    G07361671Courtesy of AMERICAN HONDA MOTOR CO., INC.
  61. Install the air cleaner (see AIR CLEANER REMOVAL/INSTALLATION ).
  62. Do the battery installation procedure (see BATTERY REMOVAL AND INSTALLATION ).
  63. Move the shift lever to each gear, and verify that the A/T gear position indicator follows the transmission range switch.
  64. Inspect for fuel leaks. Turn the ignition switch to ON (II) (do not operate the starter) so the fuel pump runs for about 2 seconds and pressurizes the fuel line. Repeat this operation two or three times, then check for fuel leaks at any point in the fuel line.
  65. Refill the engine with engine oil (see ENGINE OIL REPLACEMENT ).
  66. Refill the transmission with ATF (see ATF REPLACEMENT ).
  67. Refill the reservoir with power steering fluid (see FLUID CHECK/REPLACEMENT ).
  68. Refill the radiator with engine coolant, and bleed air from the cooling system with the heater valve open (see COOLANT CHECK ).
  69. Do the power steering system bleeding procedure (see FLUID CHECK/REPLACEMENT ).
  70. Check for fluid leaks.
  71. Do the PCM reset procedure.
  72. Do the CKP pattern clear/CKP pattern learn procedure (see CKP PATTERN CLEAR/CKP PATTERN LEARN ).
  73. Inspect the idle speed (see IDLE SPEED INSPECTION ).
  74. Inspect the ignition timing (see IGNITION TIMING INSPECTION ).
  75. Install these items:
  76. Install the engine cover.
    Fig 31: Installing Engine Cover
    G07361672Courtesy of AMERICAN HONDA MOTOR CO., INC.
  77. Check the wheel alignment (see WHEEL ALIGNMENT ).