lemon-mirror:
Home >> Acura >> 2012 >> RL >> Repair and Diagnosis >> Engine Mechanical >> Mechanical >> Engine Assembly >> Engine Removal

Engine Removal

Special Tools Required 

*: Available through the Acura Tool and Equipment program, 888-424-6857.

NOTE:
  • Use fender covers to avoid damaging painted surfaces.
  • To avoid damaging the wiring and terminals, unplug the wiring connectors carefully while holding the connector portion.
  • Mark all wiring and hoses to avoid misconnection. Also, be sure that they do not contact other wiring or hoses, or interfere with other parts.
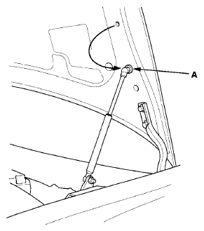
  1. Disconnect the support struts from both sides of the pivot ball (bolted to the hood) (A). Secure the hood in a vertical position. Remove the right side pivot ball and install it into the lower threaded hole, then reattach the support strut.
    NOTE: Do not attempt to close the hood with the support strut in the vertical position, as it will damage the support strut and hood.
    Fig 1: Disconnecting Support Struts From Both Sides Of Pivot Ball
    G07361611Courtesy of AMERICAN HONDA MOTOR CO., INC.
  2. Drain the power steering fluid (see FLUID CHECK/REPLACEMENT ).
  3. Relieve the fuel pressure (see FUEL PRESSURE RELIEVING ).
  4. Do the battery removal procedure (see BATTERY REMOVAL AND INSTALLATION ).
  5. Remove the engine cover.
    Fig 2: Removing Engine Cover
    G07361612Courtesy of AMERICAN HONDA MOTOR CO., INC.
  6. Remove these items:
  7. Remove the air intake duct cover.
    Fig 3: Removing Air Intake Duct Cover
    G07361613Courtesy of AMERICAN HONDA MOTOR CO., INC.
  8. Remove the two upper bolts (A), and loosen the two lower bolts (B), then remove the battery base (C).
    Fig 4: Removing Two Upper Bolts
    G07361614Courtesy of AMERICAN HONDA MOTOR CO., INC.
  9. Disconnect the positive starter cable (A), and remove the harness clamps (B).
    Fig 5: Disconnecting Positive Starter Cable
    G07361615Courtesy of AMERICAN HONDA MOTOR CO., INC.
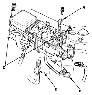
  10. Remove the battery cable terminal (A) from the under-hood fuse/relay box.
    Fig 6: Removing Battery Cable Terminal From Under-Hood Fuse/Relay Box
    G07361616Courtesy of AMERICAN HONDA MOTOR CO., INC.
  11. Disconnect the starter connector (B).
  12. Remove the under-hood fuse/relay box mounting bolts (C), and the harness clamp (D).
  13. Remove the harness clamp (A), and disconnect the engine wire harness connectors (B) on the left side of the engine compartment.
    Fig 7: Disconnecting Engine Wire Harness Connectors On Left Side Of Engine Compartment
    G07361617Courtesy of AMERICAN HONDA MOTOR CO., INC.
  14. Remove the connector clamp (A) and the transfer breather hose (B), then remove the strut brace (C).
    Fig 8: Removing Connector Clamp And Transfer Breather Hose
    G07361618Courtesy of AMERICAN HONDA MOTOR CO., INC.
  15. Remove the quick-connect fitting cover (A), then disconnect the fuel feed hose (B) (see FUEL LINE/QUICK-CONNECT FITTING REMOVAL ).
    Fig 9: Removing Quick-Connect Fitting Cover
    G07361619Courtesy of AMERICAN HONDA MOTOR CO., INC.
  16. Disconnect the brake booster vacuum hose (A) and the EVAP canister hose (B).
    Fig 10: Disconnecting Brake Booster Vacuum Hose And EVAP Canister Hose
    G07361620Courtesy of AMERICAN HONDA MOTOR CO., INC.
  17. Remove the shift cable (see SHIFT CABLE REPLACEMENT ).
  18. Remove the drive belt (see DRIVE BELT REPLACEMENT ).
  19. Disconnect the pump outlet hose (A) and the pump inlet hose (B) from the power steering pump, then plug the hoses and the power steering pump.
    Fig 11: Disconnecting Pump Outlet Hose And Pump Inlet Hose From Power Steering Pump
    G07361621Courtesy of AMERICAN HONDA MOTOR CO., INC.
  20. Remove the power steering hose bracket (C).
  21. Remove the power steering heat shield from the front subframe.
    Fig 12: Removing Power Steering Heat Shield From Front Subframe
    G07361622Courtesy of AMERICAN HONDA MOTOR CO., INC.
  22. Center the steering wheel spokes, and install a commercially available steering wheel holder tool (see step 3 on STEERING SHAFT REMOVAL AND INSTALLATION ).
  23. Remove the steering joint cover (A).
    Fig 13: Removing Steering Joint Cover
    G07361623Courtesy of AMERICAN HONDA MOTOR CO., INC.
  24. Make a reference mark (B) across the steering joint (C) and the steering gearbox pinion shaft (D). Remove the steering joint bolt (E), and disconnect the steering joint from the steering gearbox pinion shaft.
  25. Wait until the engine is cool, then carefully remove the radiator cap.
  26. Raise the vehicle on the lift.
  27. Remove the front wheels.
  28. Remove the splash shield (see SPLASH SHIELD REPLACEMENT ).
  29. Loosen the drain plug in the radiator, and drain the engine coolant (see COOLANT REPLACEMENT ).
  30. Drain the ATF (see ATF REPLACEMENT ).
  31. Drain the engine oil (see ENGINE OIL REPLACEMENT ).
  32. Disconnect the stabilizer links from the stabilizer bar (see STABILIZER LINK REMOVAL/INSTALLATION ).
  33. Remove the damper fork (see DAMPER/SPRING REMOVAL/INSTALLATION ).
  34. Separate the tie-rod end ball joints from the knuckles (see step 15 on STEERING GEARBOX REMOVAL ).
  35. Separate the knuckles from the lower arms (see LOWER ARM REMOVAL/INSTALLATION ).
  36. Remove the front driveshafts (see DRIVESHAFT INSPECTION ). Coat all precision-finished surfaces with new engine oil. Tie plastic bags over the driveshaft ends.
  37. Remove the exhaust pipe assembly (see EXHAUST PIPE AND MUFFLER REPLACEMENT ).
  38. Remove the propeller shaft (see PROPELLER SHAFT REMOVAL ).
  39. Remove the transfer assembly (see TRANSFER ASSEMBLY REMOVAL ).
  40. Disconnect the power steering hose, then plug the line and the hose.
    Fig 14: Disconnecting Power Steering Hose
    G07361624Courtesy of AMERICAN HONDA MOTOR CO., INC.
  41. Disconnect the PSP switch connector.
    Fig 15: Disconnecting PSP Switch Connector
    G07361625Courtesy of AMERICAN HONDA MOTOR CO., INC.
  42. Disconnect the ECPS valve motor connector from the steering gearbox.
    Fig 16: Disconnecting ECPS Valve Motor Connector From Steering Gearbox
    G07361626Courtesy of AMERICAN HONDA MOTOR CO., INC.
  43. Remove the ground cable.
    Fig 17: Removing Ground Cable
    G07361627Courtesy of AMERICAN HONDA MOTOR CO., INC.
  44. Remove the transmission lower mounting bolts (A).
    Fig 18: Removing Transmission Lower Mounting Bolts
    G07361628Courtesy of AMERICAN HONDA MOTOR CO., INC.
  45. Lower the vehicle on the lift.
  46. Disconnect the radiator hoses (A).
    Fig 19: Disconnecting Radiator Hoses
    G07361629Courtesy of AMERICAN HONDA MOTOR CO., INC.
  47. Disconnect the heater hoses (A).
    Fig 20: Disconnecting Heater Hoses
    G07361630Courtesy of AMERICAN HONDA MOTOR CO., INC.
  48. Remove the radiator (see RADIATOR REPLACEMENT ).
  49. Disconnect the ATF cooler hoses (A) from the transmission, then plug the ATF cooler hoses and the lines.
    Fig 21: Disconnecting ATF Cooler Hoses From Transmission
    G07361631Courtesy of AMERICAN HONDA MOTOR CO., INC.
  50. Remove the A/C compressor without disconnecting the A/C hoses. Do not bend the A/C hoses excessively.
    NOTE: Hang the A/C compressor with a wire tie.
    Fig 22: Hanging A/C Compressor With Wire Tie
    G07361632Courtesy of AMERICAN HONDA MOTOR CO., INC.
  51. Remove the connector bracket (A) from the front cylinder head.
    Fig 23: Removing Connector Bracket From Front Cylinder Head
    G07361633Courtesy of AMERICAN HONDA MOTOR CO., INC.
  52. Remove the engine mount control solenoid valve bracket (A) and the harness bracket (B) from the rear cylinder head.
    Fig 24: Removing Engine Mount Control Solenoid Valve Bracket And Harness Bracket From Rear Cylinder Head
    G07361634Courtesy of AMERICAN HONDA MOTOR CO., INC.
  53. Install the engine hanger balance bar (VSB02C000019). Attach the front arm (A) to the front cylinder head with a 10 mm (0.39 in) spacer (B) and a 10 x 1.25 mm bolt (C). Remove the rear arm from the engine hanger balance bar, then install the 2008 V6 attachment arm (SIL02C000033). Attach the 2008 V6 attachment arm to the rear cylinder head with a 10 mm (0.39 in) spacer (D) and an 8 x 1.25 mm bolt (E).
    Fig 25: Installing Engine Hanger Balance Bar
    G07361635Courtesy of AMERICAN HONDA MOTOR CO., INC.
  54. Install the engine support hanger (AAR-T1256) onto the vehicle as shown, and attach the hook to the slotted hole in the engine hanger balance bar. Tighten the wing nut (F) by hand, and lift and support the engine/transmission.
    NOTE:
    • Be careful when working around the windshield.
    • Be careful not to damage the hood opener cable when installing the engine support hanger at the front bulkhead.
    • AAR-T1256 two sets required for stacking additional cross section bar.
  55. Disconnect the vacuum hose (A), then remove the front engine mounting mount stop (B) and the front engine mount bolt (C).
    Fig 26: Removing Front Engine Mounting Mount Stop And Front Engine Mount Bolt
    G07361636Courtesy of AMERICAN HONDA MOTOR CO., INC.
  56. Disconnect the vacuum hose (A), then remove the rear engine mounting mount stop (B) and the rear engine mount bolt (C).
    Fig 27: Removing Rear Engine Mounting Mount Stop And Rear Engine Mount Bolt
    G07361637Courtesy of AMERICAN HONDA MOTOR CO., INC.
  57. Remove the shift cable bracket (D).
  58. Raise the vehicle on the lift.
  59. Attach the subframe adapter (VSB02C000016) to the front subframe by looping the belt (A) over the front of the front subframe (B), then secure the belt with its stop (C).
    Fig 28: Attaching Subframe Adapter (VSB02C000016) To Front Subframe By Looping Belt
    G07361638Courtesy of AMERICAN HONDA MOTOR CO., INC.
  60. Raise the transmission jack and line up the slots in the subframe adapter arms with the bolt holes on the jack base, then securely attach them with four bolts.
  61. Remove the six mounting bolts (A) securing the subframe stiffeners (B), the four subframe mounting bolts (C), and the stiffeners, then lower the front subframe (D).
    Fig 29: Removing Mounting Bolts
    G07361639Courtesy of AMERICAN HONDA MOTOR CO., INC.
  62. Lower the vehicle and attach a chain hoist (A) to the engine hanger (B) and transmission hanger (C). Lift up the engine/transmission until it is securely supported by the chain hoist, and remove the engine support hanger and the engine balance bar, and the engine hanger adapter set.
    Fig 30: Lifting Up Engine/Transmission
    G07361640Courtesy of AMERICAN HONDA MOTOR CO., INC.
  63. Remove the upper engine mount bracket bolts (A).
    Fig 31: Removing Upper Engine Mount Bracket Bolts
    G07361641Courtesy of AMERICAN HONDA MOTOR CO., INC.
  64. Check that the engine/transmission is completely free of the vacuum hoses, the fuel hoses, the coolant hoses, and the electrical wiring.
  65. Slowly lower the engine/transmission about 150 mm (5.91 in). Check once again that all the hoses and the electrical wiring are disconnected and free from the engine/transmission, then lower it all the way and support it.
  66. Disconnect the chain hoist from the engine/transmission.
  67. Raise the vehicle, and remove the engine/transmission from under the vehicle.