lemon-mirror:
Home >> Acura >> 2012 >> RL >> Repair and Diagnosis >> Transmission >> Automatic Trans >> Automatic Transmission >> Transmission Installation

Transmission Installation

Special Tools Required 

*: Available through the Acura Tool and Equipment Program 888-424-6857.

NOTE: Use fender covers to avoid damaging painted surfaces.
  1. If you did not clean the ATF cooler when you removed the transmission, and you are installing an overhauled or remanufactured transmission, clean the ATF cooler (see ATF COOLER CLEANING  ).
  2. Install a new O-ring (A) on the torque converter (B), then install the torque converter on the mainshaft (C).
    NOTE: Make sure the torque converter is fully engaged on the mainshaft starter shaft and the ATF pump gear. Failure to do so will result in severe transmission or engine damage.
    Fig 1: Installing O-Ring On Torque Converter
    G07362391Courtesy of AMERICAN HONDA MOTOR CO., INC.
  3. Install the 14 x 20 mm dowel pin (D) and the 10 x 20 mm dowel pin (E) in the torque converter housing.
  4. Place the transmission on a jack, and raise it to the engine level.
  5. Attach the transmission to the engine, and install the lower transmission housing mounting bolts.

    Front side 

    Fig 2: Attaching Transmission To Engine With Torque Specifications
    G07362392Courtesy of AMERICAN HONDA MOTOR CO., INC.

    Rear side 

    Fig 3: Attaching Transmission To Engine - Rear With Torque Specifications
    G07362393Courtesy of AMERICAN HONDA MOTOR CO., INC.
  6. Connect the crankshaft position (CKP) sensor connector (A), and install the CKP sensor cover (B).
    Fig 4: Connecting Crankshaft Position (CKP) Sensor Connector With Torque Specifications
    G07362394Courtesy of AMERICAN HONDA MOTOR CO., INC.
  7. Install the front engine mount bracket with new bolts.
    Fig 5: Installing Front Engine Mount Bracket With New Bolts With Torque Specifications
    G07362395Courtesy of AMERICAN HONDA MOTOR CO., INC.
  8. Install the transmission lower mount with new bolts (A) (B).
    Fig 6: Installing Transmission Lower Mount With New Bolts With Torque Specifications
    G07362396Courtesy of AMERICAN HONDA MOTOR CO., INC.
  9. Install a new set ring (A) on the intermediate shaft (B).
    Fig 7: Installing Set Ring On Intermediate Shaft With Torque Specifications
    G07362397Courtesy of AMERICAN HONDA MOTOR CO., INC.
  10. Clean the areas where the intermediate shaft contacts the transmission (differential) with solvent, and dry with compressed air. Apply ATF to the intermediate shaft splines (C), then install the intermediate shaft, be sure not to allow dust or other foreign particles to enter the transmission.
    NOTE: Insert the intermediate shaft carefully to prevent damaging the oil seal (D).
  11. Install the rear WU-TWC bracket (E) and heat shield (F).
  12. Install a new set ring (A) on the left driveshaft (B).
    Fig 8: Installing Set Ring On Left Driveshaft
    G07362398Courtesy of AMERICAN HONDA MOTOR CO., INC.
  13. Clean the areas where the left driveshaft contacts the transmission (differential) with solvent, and dry with compressed air. Then install the left driveshaft, be sure not to allow dust or other foreign particles to enter the transmission. Turn the steering knuckle fully outward, and slide the driveshaft into the differential until you feel its set ring fully engage the side gear.
    NOTE: Insert the left driveshaft horizontally to prevent damaging the oil seal (C).
  14. Apply the recommended grease to the right driveshaft inboard joint splines (see step 4 on FRONT DRIVESHAFT INSTALLATION ).
  15. Slide the right driveshaft over the intermediate shaft splines until you feel the driveshaft fully engage the intermediate shaft set ring.
  16. Install the front subframe stop rubbers (A) on the front of the subframe (B), and support the front subframe with the subframe adapter (VSB02C000016) and a jack, and lift it up to body.
    Fig 9: Installing Front Subframe Stop Rubbers On Front Of Subframe
    G07362399Courtesy of AMERICAN HONDA MOTOR CO., INC.
  17. Loosely install new subframe mounting bolts (A), new rear stiffener mounting bolts (B), front stiffener mounting bolts (C), and front and rear stiffeners.
    Fig 10: Installing New Subframe Mounting Bolts With Torque Specifications
    G07362400Courtesy of AMERICAN HONDA MOTOR CO., INC.
  18. Loosely tighten the right rear subframe mounting bolt (A); insert the subframe alignment pin through the positioning slot (B) on the rear stiffener, through the positioning hole (C) on the subframe, and into the positioning hole (D) on the body, then tighten the subframe mounting bolt.
    Fig 11: Inserting Subframe Alignment Pin Through Positioning Slot On Rear Stiffener With Torque Specifications
    G07362401Courtesy of AMERICAN HONDA MOTOR CO., INC.
  19. Loosely tighten the left rear subframe mounting bolt in the same manner in step  18.
  20. Loosely tighten the right and left front subframe mounting bolts.
  21. Loosen the right rear subframe mounting bolt, then tighten the bolt to the specified torque with a subframe alignment pin into the positioning hole.
  22. Tighten the left rear subframe mounting bolt to the specified torque with the subframe alignment pin into the positioning hole.
  23. Tighten the right and left front subframe mounting bolts to the specified torque.
  24. Check that the positioning holes and slot are aligned using the subframe alignment pin.
  25. Tighten the rear and front stiffener mounting bolts to the specified torque.
  26. Remove the jack and subframe adapter.
  27. Install the damper forks (A) with damper pinch bolts, new damper fork bolts, and new self-locking nuts. Attach the knuckle holder (B) to the knuckle, and secure the knuckle holder with the bolts and new nuts.
    Fig 12: Installing Damper Forks With Damper Pinch Bolts With Torque Specifications
    G07362402Courtesy of AMERICAN HONDA MOTOR CO., INC.
  28. Install the stabilizer links (C) to the lower arms, and install the nuts (D). Insert a 6 mm Allen wrench (E) in the ball joint pin (F), and tighten the nuts.
  29. Install the tie-rod end ball joints (G) to each knuckle with the nuts and new cotter pins (H).
  30. Install new transmission lower mount bolts.
    Fig 13: Installing New Transmission Lower Mount Bolts With Torque Specifications
    G07362403Courtesy of AMERICAN HONDA MOTOR CO., INC.
  31. Connect the power steering fluid hose (A) to the line (B) at the right front of the front subframe, and secure the hose with its hose clamp (C).
    Fig 14: Connecting Power Steering Fluid Hose To Line
    G07362404Courtesy of AMERICAN HONDA MOTOR CO., INC.
  32. Connect the ATF cooler hose (D) to the ATF cooler line (E), and secure the hose with the clip (F).
  33. Attach the torque converter to the drive plate (A) with eight bolts (B). Rotate the crankshaft pulley as necessary to tighten the bolt to half of the specified torque, then to the final torque, in a crisscross pattern. After tightening the last bolt, check that the crankshaft rotates freely.
    Fig 15: Attaching Torque Converter To Drive Plate With Eight Bolts With Torque Specifications
    G07362405Courtesy of AMERICAN HONDA MOTOR CO., INC.
  34. Install the torque converter cover (C).
  35. Install the dowel pin (A) in the transmission, and install the transfer assembly (B) on the transmission.
    Fig 16: Installing Dowel Pin In Transmission With Torque Specifications
    G07362406Courtesy of AMERICAN HONDA MOTOR CO., INC.
  36. Secure the transfer breather hose bracket (A) on the transfer assembly with the bolt, and connect the breather hose (B) over the breather pipe (C) with facing the dot mark (D) to the rear side of the vehicle. If the breather hose was removed from the clamp, install the hose at the dot mark (E) on the clamp (F).
    Fig 17: Securing Transfer Breather Hose Bracket On Transfer Assembly With Bolt With Torque Specifications
    G07362407Courtesy of AMERICAN HONDA MOTOR CO., INC.
  37. Install the propeller shaft (see PROPELLER SHAFT INSTALLATION ).
  38. Install the propeller shaft (A) to the transfer companion flange (B) by aligning the reference marks (C). Make sure you use new mounting nuts (D).
    Fig 18: Installing Propeller Shaft To Transfer Companion Flange With Torque Specifications
    G07362408Courtesy of AMERICAN HONDA MOTOR CO., INC.
  39. Install exhaust pipe A with new self-locking nuts and new gaskets (B) (C).
    Fig 19: Installing Exhaust Pipe With New Self-Locking Nuts And New Gaskets With Torque Specifications
    G07362409Courtesy of AMERICAN HONDA MOTOR CO., INC.
  40. Connect the input shaft (mainshaft) speed sensor connector (A) and the output shaft (countershaft) speed sensor connector (B), then install the harness clamps (C).
    Fig 20: Connecting Input Shaft (Mainshaft) Speed Sensor Connector And Output Shaft (Countershaft) Speed Sensor Connector
    G07362410Courtesy of AMERICAN HONDA MOTOR CO., INC.
  41. Connect the transmission fluid pressure switch C (4th clutch) connector (A), then install the harness clamp (B).
    Fig 21: Connecting Transmission Fluid Pressure Switch C (4Th Clutch) Connector
    G07362411Courtesy of AMERICAN HONDA MOTOR CO., INC.
  42. Connect the ATF temperature sensor connector (A), then install the harness clamp (B) and the transmission ground terminal bracket (C).
    Fig 22: Connecting ATF Temperature Sensor Connector With Torque Specifications
    G07362412Courtesy of AMERICAN HONDA MOTOR CO., INC.
  43. Install the upper transmission housing mounting bolts.
    Fig 23: Installing Upper Transmission Housing Mounting Bolts With Torque Specifications
    G07362413Courtesy of AMERICAN HONDA MOTOR CO., INC.
  44. Install a new front engine mount bolt (A), and install the front engine mount stop (B) and the clamp bracket (C) with the nuts.
    Fig 24: Installing Front Engine Mount Bolt With Torque Specifications
    G07362414Courtesy of AMERICAN HONDA MOTOR CO., INC.
  45. Connect the vacuum hose (D) to the vacuum pipe (E).
  46. Install a new rear mount bolt (A), and install the rear mount stop (B) with the nuts.
    Fig 25: Installing Rear Mount Bolt With Torque Specifications
    G07362415Courtesy of AMERICAN HONDA MOTOR CO., INC.
  47. Connect the vacuum hose (D) to the hose joint (E)
  48. Remove the engine support hanger, the engine support hanger adapters, and the engine hanger balancer bar, and install the service caps to the cowl cover.
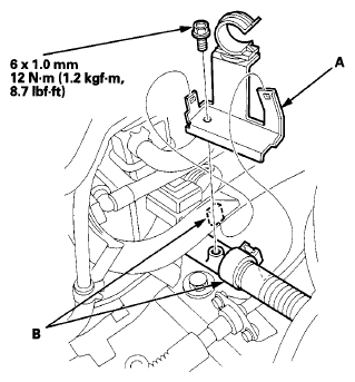
  49. Install the connector bracket (A) on the front cylinder head.
    Fig 26: Installing Connector Bracket On Front Cylinder Head With Torque Specifications
    G07362416Courtesy of AMERICAN HONDA MOTOR CO., INC.
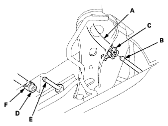
  50. Install the engine mount control solenoid valve bracket (A) and clamp bracket (B) on the rear cylinder head.
    Fig 27: Installing Engine Mount Control Solenoid Valve Bracket And Clamp Bracket On Rear Cylinder Head With Torque Specifications
    G07362417Courtesy of AMERICAN HONDA MOTOR CO., INC.
  51. Install the harness clamp (A) and connect the EVAP canister purge valve connector (B).
    Fig 28: Installing Harness Clamp With Torque Specifications
    G07362418Courtesy of AMERICAN HONDA MOTOR CO., INC.
  52. Install the bolts (C) securing the harness cover (D).
  53. Connect the ATF cooler hoses (A) to the ATF outlet line (B) and the ATF filter (C), then secure the hoses with the clips (D).
    Fig 29: Connecting ATF Cooler Hoses To ATF Outlet Line With Torque Specifications
    G07362419Courtesy of AMERICAN HONDA MOTOR CO., INC.
  54. Install the shift cable bracket (A).
    Fig 30: Installing Shift Cable Bracket
    G07362420Courtesy of AMERICAN HONDA MOTOR CO., INC.
  55. Apply molybdenum grease to the hole in the bushing (A) in the shift cable end (B).
    Fig 31: Applying Molybdenum Grease To Hole In Bushing In Shift Cable End
    G07362421Courtesy of AMERICAN HONDA MOTOR CO., INC.
  56. Attach the shift cable end to the selector control lever (C), then insert the control pin (D) into the control lever hole through the shift cable end, and secure the control pin with the spring clip (E).
  57. Install the shift cable bracket on the steering gearbox stiffener.
    Fig 32: Installing Shift Cable Bracket On Steering Gearbox Stiffener With Torque Specifications
    G07362422Courtesy of AMERICAN HONDA MOTOR CO., INC.
  58. Connect the ECPS valve motor connector.
    Fig 33: Connecting ECPS Valve Motor Connector
    G07362423Courtesy of AMERICAN HONDA MOTOR CO., INC.
  59. Connect the transmission fluid pressure switch A (2nd clutch) connector (A) and the transmission fluid pressure switch D (5th clutch) connector (B).
    Fig 34: Connecting Transmission Fluid Pressure Switch (2Nd Clutch) Connector
    G07362424Courtesy of AMERICAN HONDA MOTOR CO., INC.
  60. Install the clamp bracket (A), and install the harness clamps (B).
    Fig 35: Installing Clamp Bracket With Torque Specifications
    G07362425Courtesy of AMERICAN HONDA MOTOR CO., INC.
  61. Install the clamp bracket (A), and install the harness clamp (B).
    Fig 36: Installing Harness Clamp With Torque Specifications
    G07362426Courtesy of AMERICAN HONDA MOTOR CO., INC.
  62. Install the harness cover bracket (A), and install the harness clamp (B).
    Fig 37: Installing Harness Cover Bracket With Torque Specifications
    G07362427Courtesy of AMERICAN HONDA MOTOR CO., INC.
  63. Install the harness clamp (A), and install the bolt (B) securing the harness cover (C).
    Fig 38: Installing Harness Clamp With Torque Specifications
    G07362428Courtesy of AMERICAN HONDA MOTOR CO., INC.
  64. Connect these connectors:
    • A/T clutch pressure control solenoid valve A connector (D)
    • A/T clutch pressure control solenoid valve B connector (E)
    • A/T clutch pressure control solenoid valve C connector (F)
    • A/T clutch pressure control solenoid valve D connector (G)
    • Transmission fluid pressure switch B (3rd clutch) connector (H)
    • Transmission fluid pressure switch E (6th clutch) connector (I)
    • Line pressure switch connector (J)
    • Transmission range switch connector (K)
  65. Install the harness clamps (A).
    Fig 39: Installing Harness Clamps
    G07362429Courtesy of AMERICAN HONDA MOTOR CO., INC.
  66. Connect these connectors:
    • Shift solenoid valve A connector (B)
    • Shift solenoid valve B connector (C)
    • Shift solenoid valve C connector (D)
    • Line pressure solenoid valve A connector (E)
  67. Install the starter (A) and the skid block (B) with a new gasket (C).
    Fig 40: Installing Starter And Skid Block With Gasket With Torque Specifications
    G07362430Courtesy of AMERICAN HONDA MOTOR CO., INC.
  68. Connect the S terminal connector (D) and the positive starter cable (E), and install the vacuum pipe (F) to the clamp (G).
  69. Install the ATF dipstick.
  70. Install the steering gearbox heat shield.
    Fig 41: Installing Steering Gearbox Heat Shield With Torque Specifications
    G07362431Courtesy of AMERICAN HONDA MOTOR CO., INC.
  71. Connect the power steering pressure switch connector.
    Fig 42: Connecting Power Steering Pressure Switch Connector
    G07362432Courtesy of AMERICAN HONDA MOTOR CO., INC.
  72. Install the power steering pump outlet line (A) with a new O-ring (B) to the power steering pump, and install the hose clamp bolt (C).
    Fig 43: Installing Power Steering Pump Outlet Line With O-Ring With Torque Specifications
    G07362433Courtesy of AMERICAN HONDA MOTOR CO., INC.
  73. Install the strut brace (A) on the body, and secure it with nuts (B) and the bolts (C).
    Fig 44: Installing Strut Brace On Body With Torque Specifications
    G07362434Courtesy of AMERICAN HONDA MOTOR CO., INC.
  74. Connect the breather tube end (D), and install the vacuum hose (E) on the strut brace.
  75. Install the under-hood fuse/relay box (F) on its bracket, and secure it with the bolts (G).
  76. Install the steering joint (see STEERING GEARBOX INSTALLATION step 29 on ) and the steering joint cover A, then remove the steering wheel holder tool.
  77. Refill the power steering fluid reservoir with fluid upper level line.
  78. Refill the transmission with ATF (see step  7 ).
  79. Install the battery base.
    Fig 45: Installing Battery Base With Torque Specifications
    G07362435Courtesy of AMERICAN HONDA MOTOR CO., INC.
  80. Install the air cleaner (see AIR CLEANER REMOVAL/INSTALLATION ).
  81. Do the battery installation procedure (see INSTALLATION ).
  82. Install the passenger's side windshield wiper arm.
  83. Install the covers in the following order; engine cover (A), cowl cover upper trim (B), upper grille cover (C), right upper fender trim (D), left upper fender trim (E), and battery trim (F).
    Fig 46: Installing Covers
    G07362436Courtesy of AMERICAN HONDA MOTOR CO., INC.
  84. Reinstall the hood support struts to the upper location on both sides of the hood.
  85. Install the splash shield (see SPLASH SHIELD REPLACEMENT ).
  86. Install the front wheels.
  87. Set the parking brake. Start the engine, and shift the transmission through all positions three times. Check the shift lever operation, the A/T gear position indicator operation, and the shift cable adjustment.
  88. Check and adjust the front wheel alignment (see WHEEL ALIGNMENT ).
  89. Start the engine in P or N, and warm it up to normal operating temperature (the radiator fan comes on).
  90. Check the ATF level (see ATF LEVEL CHECK  ).
  91. Road test the vehicle.