lemon-mirror:
Home >> Acura >> 2012 >> RL >> Repair and Diagnosis >> Transmission >> Automatic Trans >> Automatic Transmission >> Transmission Removal

Transmission Removal

Special Tools Required 

*: Available through the Acura Tool and Equipment Program 888-424-6857.

NOTE:
  • Use fender covers to avoid damaging painted surfaces.
  • Special tool Reds engine support hanger AAR-T1256 must be used with the side engine mount installed.
  1. Remove these parts:
  2. Remove the passenger's side windshield wiper arm (see step 2 on WIPER MOTOR REPLACEMENT ).
  3. Disconnect the support strut from the pivot ball on both sides of the hood. Raise and secure the hood in a vertical position. Remove the right side pivot ball and install it into the lower threaded hole, then reattach the support strut.
    NOTE: Do not attempt to close the hood with the support strut in the vertical position; it will damage the support strut and the hood.
    Fig 2: Removing Right Side Pivot Ball
    G07362343Courtesy of AMERICAN HONDA MOTOR CO., INC.
  4. Center the steering wheel spokes, and install a commercially available steering wheel holder tool (see step 8 on STEERING GEARBOX REMOVAL ).
  5. Remove the steering joint cover A, then disconnect the steering joint (see step 10 on STEERING GEARBOX REMOVAL ).
  6. Drain the power steering fluid from the reservoir.
  7. Do the battery removal procedure (see REMOVAL ).
  8. Remove the air cleaner (see AIR CLEANER REMOVAL/INSTALLATION ).
  9. Loosen the bolts (A) and remove the bolts (B), then remove the battery base (C).
    Fig 3: Removing Battery Base
    G07362344Courtesy of AMERICAN HONDA MOTOR CO., INC.
  10. Remove the bolts (A) securing the under-hood fuse/relay box.
    Fig 4: Identifying Bolts Securing Under-Hood Fuse/Relay Box
    G07362345Courtesy of AMERICAN HONDA MOTOR CO., INC.
  11. Remove the bolts (B) and the nuts (C) securing the strut brace (D).
  12. Remove the breather tube end (E) and the vacuum hose (F), then remove the strut brace.
  13. Cover the auto-tensioner, the alternator, the A/C compressor with several shop towels to protect them from spilled power steering fluid. Remove the power steering pump outlet line (A) from the power steering pump, and remove the hose clamp bolt (B). Cover the opening of the pump and the pump outlet line with a piece of tape to prevent foreign material from entering either the pump or the outlet line. Take care not to spill fluid on the vehicle. Wipe off any spilled fluid at once.
    Fig 5: Identifying Bolts And Nuts Securing Strut Brace
    G07362346Courtesy of AMERICAN HONDA MOTOR CO., INC.
  14. Disconnect the power steering pressure switch connector.
    Fig 6: Disconnecting Power Steering Pressure Switch Connector
    G07362347Courtesy of AMERICAN HONDA MOTOR CO., INC.
  15. Remove the steering gearbox heat shield.
    Fig 7: Removing Steering Gearbox Heat Shield
    G07362348Courtesy of AMERICAN HONDA MOTOR CO., INC.
  16. Remove the ATF dipstick, then disconnect the positive starter cable (A) and the S terminal connector (B) from the starter (C).
    Fig 8: Disconnecting Positive Starter Cable And S Terminal Connector From Starter
    G07362349Courtesy of AMERICAN HONDA MOTOR CO., INC.
  17. Remove the harness clamp (D), and remove the vacuum pipe (E) from the clamp (F).
  18. Remove the skid block (G), the starter, and the gasket (H).
  19. Disconnect these connectors:
    • Shift solenoid valve A connector (A)
    • Shift solenoid valve B connector (B)
    • Shift solenoid valve C connector (C)
    • Line pressure solenoid valve A connector (D)
      Fig 9: Removing Vacuum Pipe From Clamp
      G07362350Courtesy of AMERICAN HONDA MOTOR CO., INC.
  20. Remove the harness clamps (E).
  21. Disconnect these connectors:
    • A/T clutch pressure control solenoid valve A connector (A)
    • A/T clutch pressure control solenoid valve B connector (B)
    • A/T clutch pressure control solenoid valve C connector (C)
    • A/T clutch pressure control solenoid valve D connector (D)
    • Transmission fluid pressure switch B (3rd clutch) connector (E)
    • Transmission fluid pressure switch E (6th clutch) connector (F)
    • Line pressure switch connector (G)
    • Transmission range switch connector (H)
      Fig 10: Identifying Transmission Range Switch Connector
      G07362351Courtesy of AMERICAN HONDA MOTOR CO., INC.
  22. Remove the bolt (I) securing the harness cover (J), and remove the harness clamp (K).
  23. Remove the harness clamp (A), and remove the harness cover bracket (B).
    Fig 11: Removing Harness Cover Bracket
    G07362352Courtesy of AMERICAN HONDA MOTOR CO., INC.
  24. Remove the harness clamp (A), and remove the clamp bracket (B).
    Fig 12: Removing Clamp Bracket
    G07362353Courtesy of AMERICAN HONDA MOTOR CO., INC.
  25. Remove the harness clamps (A), and remove the clamp bracket (8).
    Fig 13: Removing Harness Clamps And Clamp Bracket
    G07362354Courtesy of AMERICAN HONDA MOTOR CO., INC.
  26. Disconnect the transmission fluid pressure switch A (2nd clutch) connector (A) and the transmission fluid pressure switch D (5th clutch) connector (B).
    Fig 14: Disconnecting Transmission Fluid Pressure Switch And Transmission Fluid Pressure Switch D (5Th Clutch) Connector
    G07362355Courtesy of AMERICAN HONDA MOTOR CO., INC.
  27. Disconnect the ECPS valve motor connector.
    Fig 15: Disconnecting ECPS Valve Motor Connector
    G07362356Courtesy of AMERICAN HONDA MOTOR CO., INC.
  28. Remove the shift cable bracket on the steering gearbox stiffener.
    Fig 16: Removing Shift Cable Bracket On Steering Gearbox Stiffener
    G07362357Courtesy of AMERICAN HONDA MOTOR CO., INC.
  29. Remove the spring clip (A) and the control pin (B), then separate the shift cable end (C) from the selector control lever (D).
    Fig 17: Separating Shift Cable End From Selector Control Lever
    G07362358Courtesy of AMERICAN HONDA MOTOR CO., INC.
  30. Check the bushing (E) in the shift cable end for proper fit and wear. If the bushing is loose or worn, replace the shift cable (see SHIFT CABLE REPLACEMENT  ).
  31. Remove the nuts (A) securing the shift cable bracket (B).
    Fig 18: Removing Nuts Securing Shift Cable Bracket
    G07362359Courtesy of AMERICAN HONDA MOTOR CO., INC.
  32. Remove the ATF cooler hoses (A) from the ATF cooler line (B) and the ATF filter (C). Turn the ends of the cooler hoses up to prevent ATF from flowing out, then plug the cooler hoses, the line, and the ATF filter.
    Fig 19: Removing ATF Cooler Hoses From ATF Cooler Line And ATF Filter
    G07362360Courtesy of AMERICAN HONDA MOTOR CO., INC.
  33. Remove the bolts (A) securing the harness cover (B)
    Fig 20: Removing Bolts Securing Harness Cover
    G07362361Courtesy of AMERICAN HONDA MOTOR CO., INC.
  34. Disconnect the EVAP canister purge valve connector (C) and remove the harness clamp (D).
  35. Remove the connector bracket (A) from the front cylinder head; use the bracket bolt hole to attach the engine hanger balancer bar front arm.
    Fig 21: Removing Connector Bracket From Front Cylinder Head
    G07362362Courtesy of AMERICAN HONDA MOTOR CO., INC.
  36. Remove the engine mount control solenoid valve bracket (A) from the rear cylinder head; use the bracket bolt hole to attach the engine hanger balance bar rear arm.
    Fig 22: Removing Engine Mount Control Solenoid Valve Bracket From Rear Cylinder Head
    G07362363Courtesy of AMERICAN HONDA MOTOR CO., INC.
  37. Install the engine hanger balance bar (VSB02C000019). Attach the front arm (A) to the front cylinder head with a spacer (B) and a 10 x 1.25 mm bolt (C). Remove the rear arm from the engine hanger balance bar, then install the 2008 V6 attachment arm (SIL02C000033). Attach the 2008 V6 attachment arm to the rear cylinder head with a spacer (D) and an 8x1.25 mm bolt (E).
    Fig 23: Attaching Front Arm To Front Cylinder Head With Spacer
    G07362364Courtesy of AMERICAN HONDA MOTOR CO., INC.
  38. Install the engine support hanger (AAR-T1256) onto the vehicle as shown, and attach the hook to the slotted hole in the engine hanger balance bar. Tighten the wing nut (F) by hand, and lift and support the engine.
    NOTE:
    • Be careful when working around the windshield.
    • AAR-T1256 two sets required for stacking additional cross section bar.
  39. Disconnect the vacuum hose (A) from the vacuum pipe (B).
    Fig 24: Disconnecting Vacuum Hose From Vacuum Pipe
    G07362365Courtesy of AMERICAN HONDA MOTOR CO., INC.
  40. Remove the clamp bracket (C) and the front mount stop (D), and remove the front engine mount bolt (E).
  41. Disconnect the vacuum hose (A) from the hose joint (B).
    Fig 25: Disconnecting Vacuum Hose From Hose Joint
    G07362366Courtesy of AMERICAN HONDA MOTOR CO., INC.
  42. Remove the rear mount stop (C), and remove the rear mount bolt (D).
  43. Remove the upper transmission housing mounting bolts.
    Fig 26: Removing Upper Transmission Housing Mounting Bolts
    G07362367Courtesy of AMERICAN HONDA MOTOR CO., INC.
  44. Raise the vehicle on a lift, and make sure it is securely supported.
  45. Remove the front wheels.
  46. Remove the splash shield (see SPLASH SHIELD REPLACEMENT ).
  47. Remove the drain plug (A) and the sealing washer (B), and drain the ATF.
    Fig 27: Removing Drain Plug And Sealing Washer And Drain ATF With Torque Specifications
    G07362368Courtesy of AMERICAN HONDA MOTOR CO., INC.
  48. Reinstall the drain plug with a new sealing washer.
  49. Disconnect the ATF temperature sensor connector (A), then remove the harness clamp (B) and ground terminal bracket (C).
    Fig 28: Disconnecting ATF Temperature Sensor Connector
    G07362369Courtesy of AMERICAN HONDA MOTOR CO., INC.
  50. Disconnect the transmission fluid pressure switch C (4th clutch) connector (A), then remove the harness clamp (B).
    Fig 29: Disconnecting Transmission Fluid Pressure Switch C (4Th Clutch) Connector
    G07362370Courtesy of AMERICAN HONDA MOTOR CO., INC.
  51. Disconnect the input shaft (mainshaft) speed sensor connector (A) and the output shaft (countershaft) speed sensor connector (B), then remove the harness clamps (C).
    Fig 30: Disconnecting Input Shaft (Mainshaft) Speed Sensor Connector And Output Shaft (Countershaft) Speed Sensor Connector
    G07362371Courtesy of AMERICAN HONDA MOTOR CO., INC.
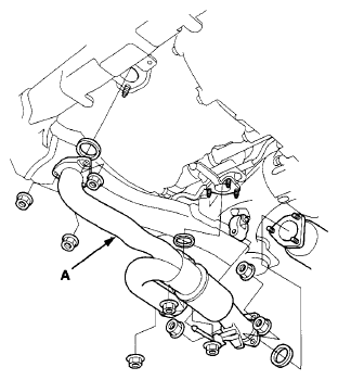
  52. Remove exhaust pipe A.
    Fig 31: Removing Exhaust Pipe
    G07362372Courtesy of AMERICAN HONDA MOTOR CO., INC.
  53. Make reference marks (A) across the propeller shaft (B) and the transfer companion flange (C), and separate the propeller shaft from the transfer companion flange.
    Fig 32: Identifying Reference Marks Across Propeller Shaft And Transfer Companion Flange
    G07362373Courtesy of AMERICAN HONDA MOTOR CO., INC.
  54. Remove the propeller shaft (see PROPELLER SHAFT RUNOUT ).
  55. Remove the bolt securing the transfer breather hose bracket (A), and disconnect the breather hose (B) from the breather pipe (C) on the transfer assembly.
    Fig 33: Disconnecting Breather Hose From Breather Pipe On Transfer Assembly
    G07362374Courtesy of AMERICAN HONDA MOTOR CO., INC.
  56. Remove the transfer assembly from the transmission.
    Fig 34: Removing Transfer Assembly From Transmission
    G07362375Courtesy of AMERICAN HONDA MOTOR CO., INC.
  57. Remove the torque converter cover (A), and remove the drive plate bolts (B) (8) while rotating the crankshaft pulley.
    Fig 35: Removing Torque Converter Cover
    G07362376Courtesy of AMERICAN HONDA MOTOR CO., INC.
  58. Loosen the hose clamp bolt, then disconnect the power steering fluid hose (A) from the fluid line at the left front of the front subframe.
    Fig 36: Disconnecting Power Steering Fluid Hose From Fluid Line
    G07362377Courtesy of AMERICAN HONDA MOTOR CO., INC.
  59. Disconnect the ATF cooler hose (B) from the ATF cooler line. Turn the end of the cooler hose up to prevent ATF from flowing out, then plug the hose.
  60. Remove the transmission lower mount bolts.
    Fig 37: Removing Transmission Lower Mount Bolts
    G07362378Courtesy of AMERICAN HONDA MOTOR CO., INC.
  61. Insert a 6 mm Allen wrench (A) in the top of the ball joint pin (B), and remove the nuts (C), then separate the stabilizer link (D) from the lower arms (E).
    Fig 38: Inserting Allen Wrench In Top Of Ball Joint Pin
    G07362379Courtesy of AMERICAN HONDA MOTOR CO., INC.
  62. Remove the damper pinch bolts (F), damper fork bolts, and self-locking nuts, knuckle holder bolts (G) and nuts (H). Remove the damper forks (I).
  63. Remove the cotter pins (J) and nuts (K), and separate the steering tie-rod end ball joints (L) from the knuckle (see step 15 on STEERING GEARBOX REMOVAL ).
  64. Attach the subframe adapter (VSB02C000016) to the subframe by looping the strap (A) over the front of the subframe, then secure the strap with its stop (B), and tighten the wing nut (C).
    Fig 39: Attaching Subframe Adapter (Vsb02C000016) To Subframe
    G07362380Courtesy of AMERICAN HONDA MOTOR CO., INC.
  65. Raise the jack and line up the slots in the arms with the bolt holes on the corner of the jack base, then attach them with bolts and the nuts.
  66. Remove the six bolts securing the stiffeners (A) (B), and four bolts securing the front subframe (C), and lower the front subframe.
    NOTE: Check that the front subframe is free of the vacuum hose, the ATF cooler hoses, and the electrical wiring.
    Fig 40: Removing Bolts Securing Stiffeners
    G07362381Courtesy of AMERICAN HONDA MOTOR CO., INC.
  67. Support the transmission with a transmission jack.
  68. Remove the driveshafts from the differential and the intermediate shaft. Coat all precision machined surfaces with clean engine oil, then put plastic bags over driveshaft ends.
    NOTE: Plug the driveshaft hole (A) to prevent dirt and solvent from entering the transmission.
    Fig 41: Supporting Transmission With Transmission Jack
    G07362382Courtesy of AMERICAN HONDA MOTOR CO., INC.
  69. Secure the driveshafts to the body with a strap.
  70. Remove the rear WU-TWC bracket (A).
    Fig 42: Removing Rear WU-TWC Bracket
    G07362383Courtesy of AMERICAN HONDA MOTOR CO., INC.
  71. Remove the intermediate shaft (B) and heat shield (C). Coat all precision machined surfaces with clean engine oil, then put plastic bags over intermediate shaft ends.
    NOTE: Plug the intermediate shaft hole (D) to prevent dirt and solvent from entering the transmission.
  72. Remove the transmission lower mount.
    Fig 43: Removing Transmission Lower Mount
    G07362384Courtesy of AMERICAN HONDA MOTOR CO., INC.
  73. Remove the front engine mount bracket.
    Fig 44: Removing Front Engine Mount Bracket
    G07362385Courtesy of AMERICAN HONDA MOTOR CO., INC.
  74. Remove the crankshaft position (CKP) sensor cover (A), and disconnect the CKP sensor connector (B).
    Fig 45: Removing Crankshaft Position (CKP) Sensor Cover
    G07362386Courtesy of AMERICAN HONDA MOTOR CO., INC.
  75. Remove the lower transmission housing mounting bolts.

    Front side 

    Fig 46: Removing Lower Transmission Housing Mounting Bolts
    G07362387Courtesy of AMERICAN HONDA MOTOR CO., INC.

    Rear side 

    Fig 47: Removing Lower Transmission Housing Mounting Bolts - Rear Side
    G07362388Courtesy of AMERICAN HONDA MOTOR CO., INC.
  76. Lower the transmission by loosening the wing nut of the engine support hanger, and tilt the engine just enough for the transmission to clear its end from the side frame.
  77. Slide the transmission away from the engine to remove it from the vehicle.
  78. Remove the torque converter (A), the O-ring (B), and the dowel pins (C).
    Fig 48: Removing Torque Converter, O-Ring And Dowel Pins
    G07362389Courtesy of AMERICAN HONDA MOTOR CO., INC.
  79. Inspect the drive plate, and replace it if it is damaged.