lemon-mirror:
Home >> Buick >> 1999 >> Century Custom >> Repair and Diagnosis >> Body & Frame >> Windows >> Power Window System >> Component Locations

Component Locations

COMPONENT LOCATIONS

Component Location
Express Down Module Part Of Left Front Window Switch. See Fig 1.
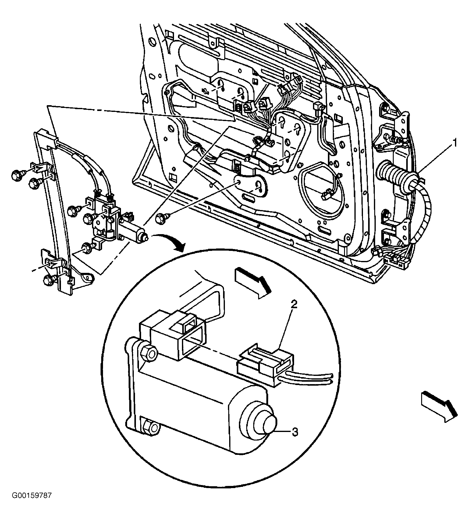
Front Window Regulator Motor In Center Of Front Door. See Fig 2.
Fuse Block Right Side Of Instrument Panel, In Right Front Door Opening.
Left Front Window Switch In Center Of Left Front Door Panel. See Fig 1
Right Front Window Switch In Center Of Right Front Door Panel.
Rear Window Regulator Motor In Center Of Rear Door.
Rear Window Switch In Center Of Rear Door Panel.
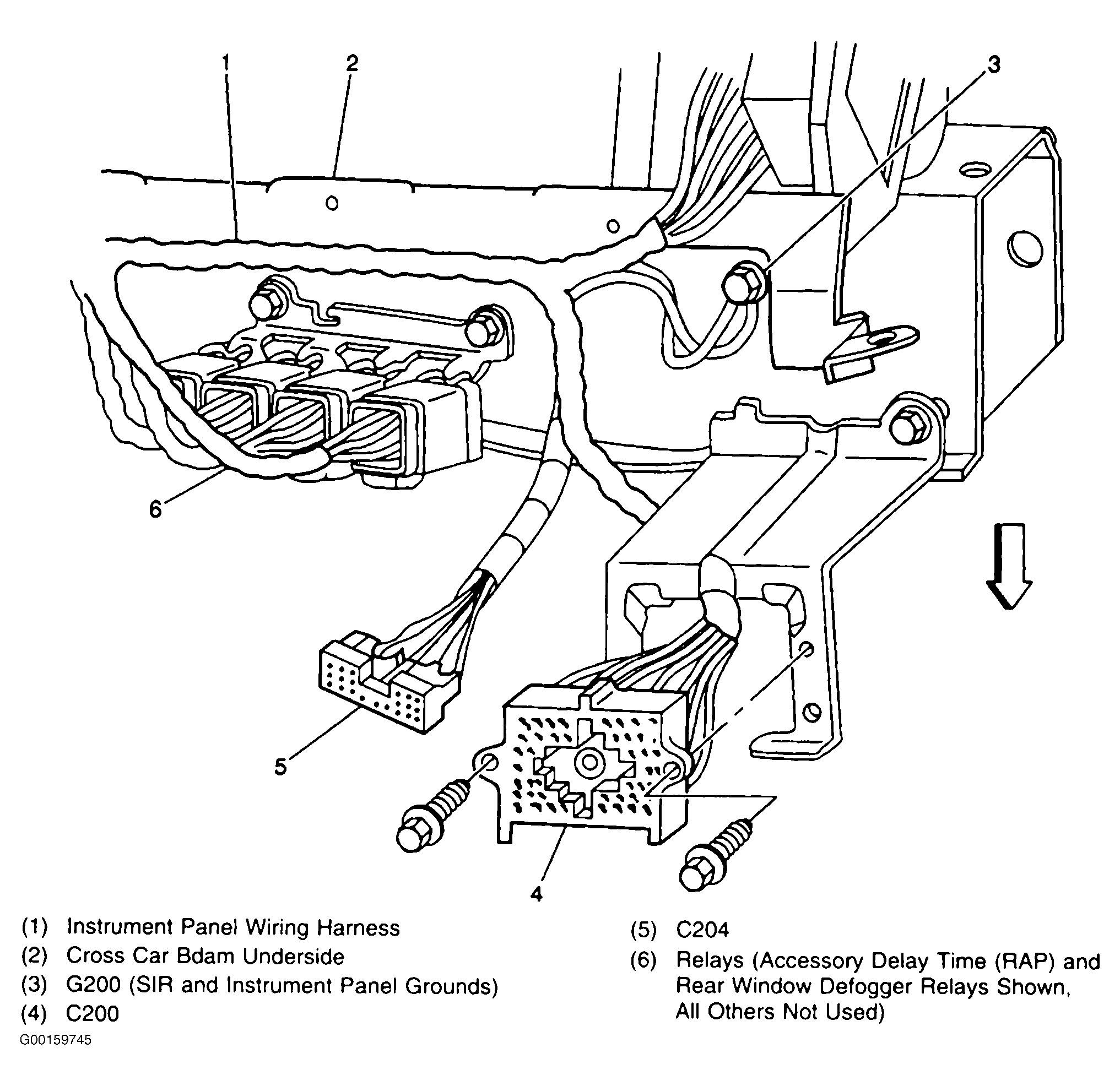
C200 (56 Cavities) In Instrument Panel Wiring Harness To Body Wiring Harness, Behind Right Side Of Instrument Panel, Near Shroud. See Fig 3.
C301 (16 Cavities) In Body Wiring Harness To Left Front Door Wiring Harness, Behind Trim At Base Of A-Pillar. See Fig 4.
C302 (16 Cavities) In Body Wiring Harness To Right Front Door Wiring Harness, Behind Trim At Base Of A-Pillar. See Fig 5.
C351 (10 Cavities) In Body Wiring Harness To Right Rear Door Wiring Harness, In B-Pillar. See Fig 4.
C352 (10 Cavities) In Body Wiring Harness To Right Rear Door Wiring Harness, In B-Pillar. See Fig 5.
G201 Below Instrument Panel To Left Side Of Steering Column
G203 Below Instrument Panel, To Right Side Of Steering Column
G301 Inside Left Door Sill, Forward Of Left Front Seat. See Fig 4.
G302 In Right Door Sill, Forward Of Right Front Seat
P500 At Left A-Pillar. See Fig 2.
P600 At Right A-Pillar
P700 At Left B-Pillar. See Fig 6.
P800 At Right B-Pillar. See Fig 6.
S307 In Body Wiring Harness, On Floor Under Driver's Seat, Approx. 11" From C311 Breakout.
Fig 1: Identifying Front Power Window Switches & Removing Switches From Mounting Plate
G00159780Courtesy of GENERAL MOTORS CORP.
Fig 2: Locating Front Regulator Motor & Grommet P500
G00159787Courtesy of GENERAL MOTORS CORP.
Fig 3: Locating Connector C200
G00159745Courtesy of GENERAL MOTORS CORP.
Fig 4: Locating Connectors C301 & C351, & Ground G301
G00159788Courtesy of GENERAL MOTORS CORP.
Fig 5: Locating Connectors C302 & C352
G00159789Courtesy of GENERAL MOTORS CORP.
Fig 6: Locating Grommets P700 & P800
G00159790Courtesy of GENERAL MOTORS CORP.