lemon-mirror:
Home >> Cadillac >> 2000 >> Eldorado ESC >> Repair and Diagnosis >> Electrical >> Component Locations >> Electrical Component Locator >> Circuit Protection Devices

Circuit Protection Devices

CIRCUIT PROTECTION DEVICES

Component Component Location
Automatic Level Control Maxi Fuse Block Front of rear compartment, near electronics bay.
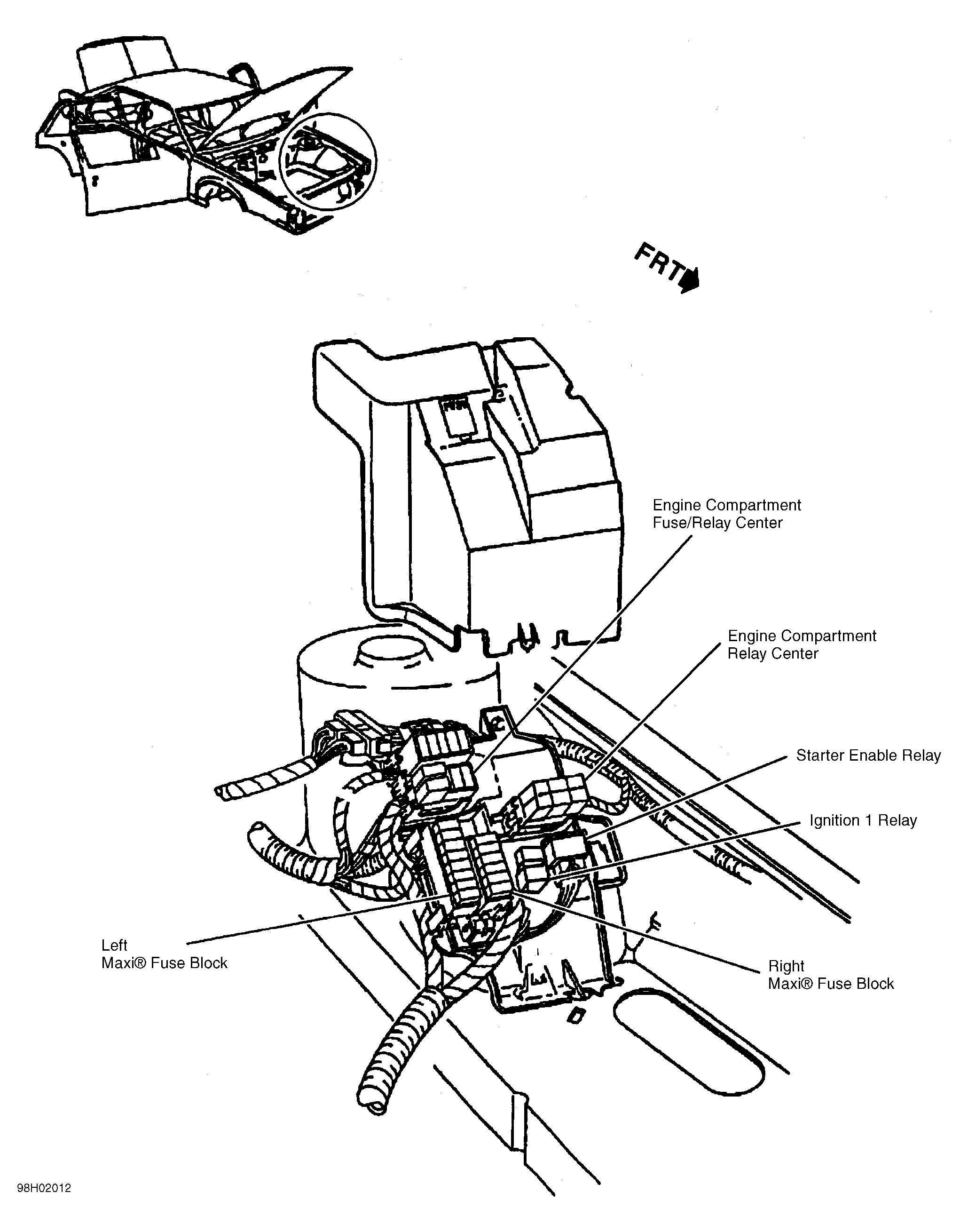
Engine Compartment Fuse/Relay Center Left side of engine compartment. See Figure .
Engine Compartment Relay Center Left side of engine compartment. See Figure .
Left Maxi Fuse Block Left side of engine compartment. See Figure .
Rear Compartment Fuse Block Left front of rear compartment, on electronics bay. See Figure .
Rear Compartment Relay Center (5) Behind rear seat back. See Figure .
Right Maxi Fuse Block Left side of engine compartment. See Figure .
Steering Column Fuse Holder Near base of steering column.