lemon-mirror:
Home >> Cadillac >> 2002 >> Escalade EXT >> Repair and Diagnosis >> Electrical >> Starter >> Starting System >> Removal & Installation >> Starter Shield >> Installation

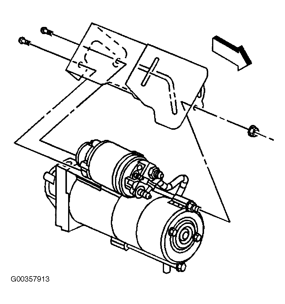
Starter Shield: Installation

  1. If equipped with a 8.1L engine, install the starter heat shield. See Figure .
  2. Install the starter heat shield bolts, and nut.
  3. If equipped with a 4.8L, 5.3L, or 6.0L engine, install the starter heat shield. See Figure .
  4. Install the starter motor. See STARTER  .