lemon-mirror:
Home >> Chrysler >> 2004 >> PT Cruiser Base, Automatic >> Repair and Diagnosis >> Electrical >> Charging Systems >> Battery System >> Battery HOLDDOWN >> Description

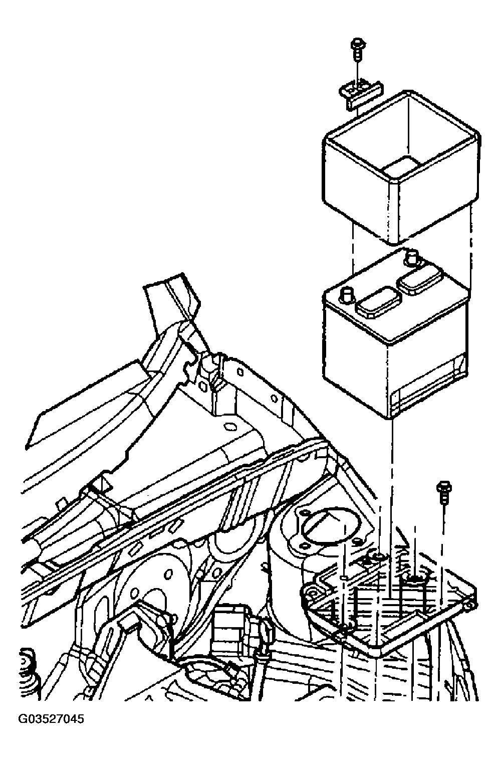
Battery HOLDDOWN: Description

The battery holddown includes a bolt and a holddown bracket/rod. On gasoline engine equipped vehicles, the battery holddown bracket bolts directly to the battery tray (Fig 1 ) and when installed properly meshes with the battery case to form a secure and stable battery holddown assembly. On diesel engine equipped vehicles, the battery holddown and battery are located under the passenger front seat.

Fig 1: Identifying Conventional Battery Holddown
G03527045Courtesy of DAIMLERCHRYSLER CORP.

When installing a battery into the battery tray, it is important that the hold down hardware is properly installed and that the fasteners are tightened to the proper specifications. Improper hold down fastener tightness, whether too loose or too tight, can result in damage to the battery, the vehicle, or both.

CAUTION: Never operate a vehicle without a battery holddown device properly installed. Damage to the vehicle, components and battery could result.