lemon-mirror:
Home >> Chrysler >> 2005 >> PT Cruiser Base, 2D Convertible, Automatic >> Repair and Diagnosis >> Restraints >> Restraints Control Systems >> Occupant Restraint Controller >> Description

Occupant Restraint Controller: Description

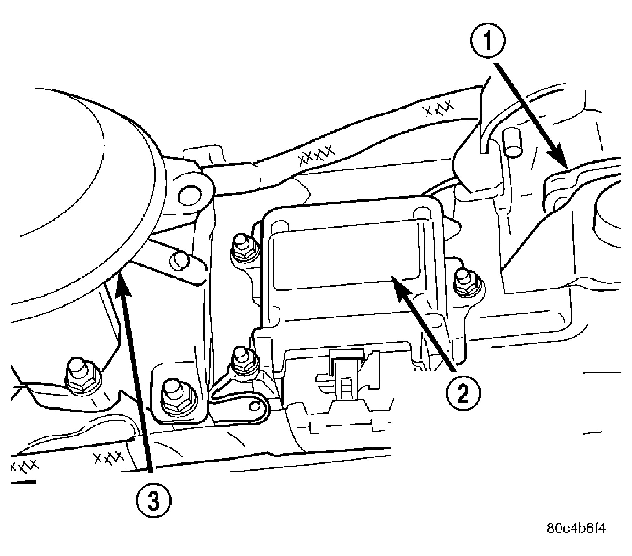
Fig 1: Occupant Restraint Controller Location
GC0023006Courtesy of DAIMLERCHRYSLER CORP.
1 - PARKING BRAKE
2 - OCCUPANT RESTRAINT CONTROLLER
3 - CONSOLE GEAR SELECTOR

The Occupant Restraint Controller (ORC) is also sometimes referred to as the Airbag Control Module (ACM). The ORC is mounted on the tunnel floor pan, between the transmission shifter and parking brake. See Fig 1.

The ORC contains a microprocessor, the impact sensing device, and energy storage capacitors. The microprocessor contains the airbag system logic. The airbag system logic includes On-Board Diagnostics (OBD) capability, and communicates with the instrument cluster circuitry on the Programmable Communication Interface (PCI) data bus to control the airbag indicator lamp.