lemon-mirror:
Home >> Honda >> 2007 >> Odyssey EX >> Repair and Diagnosis >> Engine Mechanical >> Mechanical >> Engine Assembly >> Engine Removal

Engine Removal

Special Tools Required 

NOTE:
  • Use fender covers to avoid damaging painted surfaces.
  • To avoid damaging the wires and terminals, unplug the wiring connectors carefully while holding the connector portion.
  • Mark all wiring and hoses to avoid misconnection.

    Also, be sure that they do not contact other wiring or hoses, or interfere with other parts.

  1. Secure the hood in the wide open position by using a support rod as shown.
    Fig 1: Identifying Support Rod
    G05522799Courtesy of AMERICAN HONDA MOTOR CO., INC.

    *: This illustration shows '07 model.

  2. Drain the power steering system fluid (see FLUID REPLACEMENT ).
  3. Relieve the fuel pressure (see FUEL PRESSURE RELIEVING ).
  4. Disconnect the negative cable from the battery, then disconnect the positive cable (seeBATTERY TERMINAL DISCONNECTION AND RECONNECTION )
  5. '07 model: Remove the front grill cover (see FRONT GRILLE COVER REPLACEMENT ).
  6. '08-09 models: Remove the front bumper (see FRONT BUMPER REMOVAL/INSTALLATION ).
  7. Remove the engine cover.
    Fig 2: Identifying Engine Cover
    G05522800Courtesy of AMERICAN HONDA MOTOR CO., INC.
  8. Remove the breather pipe (A), then remove the intake air duct (B).
    Fig 3: Identifying Breather Pipe And Intake Air Duct
    G05522801Courtesy of AMERICAN HONDA MOTOR CO., INC.
  9. Remove the air cleaner assembly (see AIR CLEANER REMOVAL/INSTALLATION ).
  10. Remove the harness clamps (A), the intake air duct cover (B), and the bolt (C) holding the intake air duct.

    '07 model 

    Fig 4: Identifying Harness Clamps, Intake Air Duct Cover And Bolt - 07 Model
    G05522802Courtesy of AMERICAN HONDA MOTOR CO., INC.

    '08-09 models 

    Fig 5: Identifying Harness Clamps, Intake Air Duct Cover And Bolt - 08-09 models
    G05522803Courtesy of AMERICAN HONDA MOTOR CO., INC.
  11. Remove the three mounting bolts (D) and loosen the mounting bolt (E), then remove the battery base (F).
  12. '08-09 models: Remove the ground cable (G).
  13. Remove the harness clamp (A) and the starter cable (B) from the B terminal.

    J35A6, '07 model J35A7 engines 

    Fig 6: Identifying Harness Clamp And Starter Cable - 07 Model J35A7 Engines
    G05522804Courtesy of AMERICAN HONDA MOTOR CO., INC.

    '08-09 models J35A7 engine 

    Fig 7: Identifying Harness Clamp And Starter Cable - 08-09 models J35A7 Engine
    G05522805Courtesy of AMERICAN HONDA MOTOR CO., INC.
  14. Remove the quick-connect fitting cover (A), then disconnect the fuel feed hose (B) (see FUEL LINE/QUICK-CONNECT FITTING REMOVAL ).
    Fig 8: Identifying Quick-Connect Fitting Cover And Fuel Feed Hose
    G05522806Courtesy of AMERICAN HONDA MOTOR CO., INC.
  15. Remove the brake booster vacuum hose (A) and the evaporative emission (EVAP) canister hose (B).
    Fig 9: Identifying Brake Booster Vacuum Hose And Evaporative Emission (EVAP) Canister Hose
    G05522807Courtesy of AMERICAN HONDA MOTOR CO., INC.
  16. J35A6 engine: Remove the vacuum hose (C).
  17. Remove the steering wheel (see STEERING WHEEL REMOVAL ).
  18. Remove the driver's side console lower panel, and pull the carpet to expose the steering joint cover (see CARPET REPLACEMENT ).
  19. Remove the steering joint cover (A).
    Fig 10: Identifying Steering Joint Cover, Mark, Steering Joint Bolt And Steering Gearbox Pinion Shaft
    G05522808Courtesy of AMERICAN HONDA MOTOR CO., INC.
  20. Make a reference mark (B) across the steering joint and the steering gearbox pinion shaft. Remove the steering joint bolt (C), and disconnect the steering joint from the steering gearbox pinion shaft (D).
  21. Remove the powertrain control module (PCM) cover (A).
    Fig 11: Identifying Powertrain Control Module (PCM) Cover
    G05522809Courtesy of AMERICAN HONDA MOTOR CO., INC.
  22. Remove the harness clamps (A), then disconnect the engine wire harness connectors (B) and the cabin wire harness connector (C) on the right side of the engine compartment.
    Fig 12: Identifying Harness Clamps, Engine Wire Harness Connectors And Cabin Wire Harness Connector
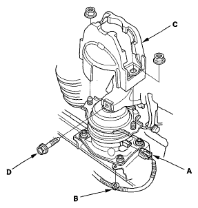
    G05522810Courtesy of AMERICAN HONDA MOTOR CO., INC.
  23. J35A6, '07 model J35A7 engines: Remove the harness clamps (A), then remove the alternator cable (B).
    Fig 13: Identifying Harness Clamps And Alternator Cable
    G05522811Courtesy of AMERICAN HONDA MOTOR CO., INC.
  24. '08-09 models J35A7 engine: Remove the harness clamp (A), then disconnect the battery cable (B) from the under-hood fuse/relay box.
    Fig 14: Identifying Harness Clamp And Battery Cable
    G05522812Courtesy of AMERICAN HONDA MOTOR CO., INC.
  25. Remove the drive belt:
  26. Remove the power steering (P/S) pump inlet hose (A) and the P/S pump outlet hose (B) from the P/S pump, then plug the hoses and the P/S pump.
    Fig 15: Identifying Power Steering (P/S) Pump Inlet Hose And P/S Pump Outlet Hose
    G05522813Courtesy of AMERICAN HONDA MOTOR CO., INC.
  27. Remove the P/S hose bracket (C) from the cylinder head cover.
  28. Remove the shift cable (see SHIFT CABLE REPLACEMENT ). Do not bend the shift cable excessively.
  29. Wait until the engine is cool, then carefully remove the radiator cap.
  30. Raise the vehicle on the lift.
  31. Remove the front wheels.
  32. Remove the splash shield.
    Fig 16: Identifying Splash Shield
    G05522814Courtesy of AMERICAN HONDA MOTOR CO., INC.
  33. Loosen the drain plug in the radiator, and drain the engine coolant (see COOLANT CHECK ).
  34. Drain the automatic transmission fluid (ATF) (see ATF REPLACEMENT ).
  35. Drain the engine oil (see ENGINE OIL REPLACEMENT ).
  36. Remove exhaust pipe A.
    Fig 17: Identifying Exhaust Pipe
    G05522815Courtesy of AMERICAN HONDA MOTOR CO., INC.
  37. Disconnect the stabilizer links (see STABILIZER LINK REMOVAL/INSTALLATION ).
  38. Separate the tie-rod end ball joints from the knuckles (see step 10 on BALL JOINT BOOT REPLACEMENT ).
  39. Separate the knuckles from the lower arms (see step 11 on BALL JOINT BOOT REPLACEMENT ).
  40. Remove the driveshafts (see DRIVESHAFT INSPECTION ). Coat all precision-finished surfaces with new engine oil. Tie plastic bags over the driveshaft ends.
  41. Disconnect the P/S hose (A), then plug the line and the hose.
    Fig 18: Identifying P/S Hose
    G05522816Courtesy of AMERICAN HONDA MOTOR CO., INC.
  42. Disconnect the power steering pressure switch connector (A).
    Fig 19: Identifying Power Steering Pressure Switch Connector
    G05522817Courtesy of AMERICAN HONDA MOTOR CO., INC.
  43. Remove the nuts securing the lower transmission front mount and the lower transmission rear mount.
    Fig 20: Identifying Nuts
    G05522818Courtesy of AMERICAN HONDA MOTOR CO., INC.
  44. Lower the vehicle on the lift.
  45. Remove the upper radiator hose (A) and the lower radiator hose (B).
    Fig 21: Identifying Upper Radiator Hose And Lower Radiator Hose
    G05522820Courtesy of AMERICAN HONDA MOTOR CO., INC.
  46. Remove the heater hoses.
    Fig 22: Identifying Heater Hoses
    G05522821Courtesy of AMERICAN HONDA MOTOR CO., INC.
  47. J35A6, '07 model J35A7 engines: Remove the ground cables (A).
    Fig 23: Identifying Ground Cables
    G05522822Courtesy of AMERICAN HONDA MOTOR CO., INC.
  48. '08-09 models J35A7 engine: Remove the ground cable (A), then remove the harness clamp (B).
    Fig 24: Identifying Ground Cable And Harness Clamp
    G05522823Courtesy of AMERICAN HONDA MOTOR CO., INC.
  49. Remove the ATF cooler hoses (A), then plug the ATF cooler hoses and the lines.
    Fig 25: Identifying ATF Cooler Hoses
    G05522824Courtesy of AMERICAN HONDA MOTOR CO., INC.
  50. Remove the radiator (see RADIATOR REPLACEMENT ).
  51. Disconnect the A/C compressor clutch connector (A), then remove the A/C compressor (B) without disconnecting the A/C hoses.
    Fig 26: Identifying A/C Compressor Clutch Connector And A/C Compressor
    G05522825Courtesy of AMERICAN HONDA MOTOR CO., INC.
  52. Hang the A/C compressor with a rope as shown.
    Fig 27: Hanging A/C Compressor With Rope
    G05522826Courtesy of AMERICAN HONDA MOTOR CO., INC.
  53. '08-09 models J35A7 engine: Remove the harness holder and the connectors from the front cylinder head (see step 3 on CYLINDER HEAD COVER REMOVAL ).
  54. Remove the connector bracket from the front cylinder head:
  55. Remove the harness bracket from the rear cylinder head.
  56. Install the engine hanger adapters (VSB02C000022) on the end of the engine support beams, then install the engine support hanger (AAR-T1256) with the adapters to the vehicle.
    Fig 28: Identifying Engine Hanger Adapters On End Of Engine Support Beams
    G00465395Courtesy of AMERICAN HONDA MOTOR CO., INC.
  57. J35A6, '07 model J35A7 engines:Lift and support the engine with the engine support hanger and the engine hanger balance bar (VSB02C000019). Attach the front arm (A) to the front cylinder head with several spacers (B) and the 10 x 1.25 mm bolt (C). Attach the 2008-09 V6 attachment arm (SIL02C000033) (D) to the rear cylinder head with a 8 x 1.25 mm bolt (E), then attach the rear arm (F) to the 2008-09 V6 attachment arm.
  58. '08-09 models J35A7 engine: Lift and support the engine with the engine support hanger and the engine hanger balance bar. Attach the front arm to the front cylinder head with several spacers and a 10 x 1.25 mm bolt. Attach the 2008-09 V6 attachment arm (SIL02C000033) (F) to the rear cylinder head with a 8 x 1.25 mm bolt, then attach the rear arm to the 2008-09 V6 attachment arm.
  59. J35A6 engine: Remove the front engine mount control solenoid valve tube (A) and the front engine mount stop (B), then remove the front engine mount bolt (C).
    Fig 29: Identifying Front Engine Mount Control Solenoid Valve Tube And Front Engine Mount Stop
    G05522828Courtesy of AMERICAN HONDA MOTOR CO., INC.
  60. J35A7 engine: Disconnect the front active control engine mount (ACM) actuator connector (A) and the harness clamp (B), remove the front engine mount stop (C), then remove the front engine mount bolt (D).
    Fig 30: Identifying Front Active Control Engine Mount (ACM) Actuator Connector And Harness Clamp
    G05522829Courtesy of AMERICAN HONDA MOTOR CO., INC.

    *: This illustration shows '07 model.

  61. Raise the vehicle on the lift.
  62. J35A6 engine: Remove the heat shield (A) and the rear engine mount bolts (B).
    Fig 31: Identifying Heat Shield And Rear Engine Mount Bolts
    G05522830Courtesy of AMERICAN HONDA MOTOR CO., INC.
  63. J35A7 engine: Disconnect the rear ACM actuator connector (A), remove the rear engine mount stop (B), then remove the rear engine mount bolt (C).
    Fig 32: Identifying Rear ACM Actuator Connector, Rear Engine Mount Stop And Rear Engine Mount Bolt
    G05522831Courtesy of AMERICAN HONDA MOTOR CO., INC.
  64. Make the appropriate reference lines (A) at the both side of the front subframe (B) that line up with the edge (C) on the body.
    Fig 33: Identifying Reference Lines, Front Subframe And Edge
    G05522832Courtesy of AMERICAN HONDA MOTOR CO., INC.
  65. Attach the front subframe adapter (VSB02C000016) to the subframe (A) by hanging the belt (B) over the front of the subframe, then secure the belt with its retaining pin (C).
    Fig 34: Identifying Subframe, Belt And Retaining Pin
    G05522833Courtesy of AMERICAN HONDA MOTOR CO., INC.
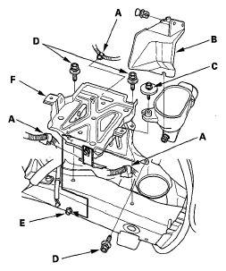
  66. Raise the jack, and line up the slots in the front subframe adapter arms with the bolt holes on the corner of the jack base, then securely attach them with four bolts.
  67. Remove the six 12 x 1.25 mm bolts (A) (B) securing the stiffeners (C), the four subframe mounting bolts (D), and the stiffeners, then lower the front subframe (E).
    Fig 35: Identifying Six 12 x 1.25mm Bolts
    G00465349Courtesy of AMERICAN HONDA MOTOR CO., INC.
  68. Lower the vehicle on the lift.
  69. Attach a chain hoist (A) to the engine hook (B) and the transmission hook (C), then lift up the engine/transmission until it is securely supported by the chain hoist, and remove the engine support hanger and the engine hanger adapters.
    Fig 36: Identifying Chain Hoist, Engine Hook And Transmission Hook
    G05522835Courtesy of AMERICAN HONDA MOTOR CO., INC.
  70. Remove the mounting bolts from the upper half of the side engine mount bracket.
    Fig 37: Identifying Mounting Bolts
    G05522836Courtesy of AMERICAN HONDA MOTOR CO., INC.
  71. Check that the engine/transmission is completely free of vacuum hoses, fuel and coolant hoses, and electrical wiring.
  72. Slowly lower the engine/transmission about 150 mm (6 in.). Check once again that all hoses and electrical wiring are disconnected and free from the engine/transmission, then lower it all the way and support it.
  73. Disconnect the chain hoist from the engine/transmission.
  74. Raise the vehicle, and remove the engine/transmission from under the vehicle.