lemon-mirror:
Home >> Honda >> 2012 >> Fit Base, Automatic Trans >> Repair and Diagnosis >> Engine Mechanical >> Mechanical >> Engine Block >> Oil Pan Installation

Oil Pan Installation

  1. Remove any old liquid gasket from the oil pan mating surfaces bolts, and bolt holes.
  2. Clean and dry the oil pan mating surfaces and the O-ring groove.
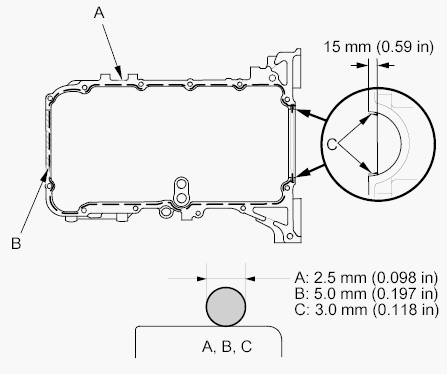
  3. Install a new oil pan gasket (A), a new O-ring (B), and the dowel pins (C) on the oil pan.
    Fig 1: Identifying Oil Pan Gasket, O-Ring & Dowel Pins
    G05952643Courtesy of AMERICAN HONDA MOTOR CO., INC.
  4. Apply liquid gasket (P/N 08717-0004, 08718-0003, 08718-0004, or 08718-0009) to the engine block mating surface of the oil pan and to the inside edge of the threaded bolt holes. Install the component within 5 minutes of applying the liquid gasket.
    NOTE:
    • Apply liquid gasket about 2.5 mm (0.098 in.) diameter bead along the broken line (A).
    • Apply liquid gasket about 5.0 mm (0.20 in.) diameter bead along the broken line (B).
    • Apply liquid gasket about 3.0 mm (0.118 in) diameter bead along the broken line (C).
    • If you apply liquid gasket P/N 08718-0012, the component must be installed within 4 minutes.
    • If too much time has passed after applying the liquid gasket, remove the old liquid gasket and residue, then reapply new liquid gasket.
      Fig 2: Identifying Liquid Gasket Applying Area On Engine Block Mating Surface Of Oil Pan & To Inside Edge Of Bolt Holes
      G05952644Courtesy of AMERICAN HONDA MOTOR CO., INC.
  5. Install the oil pan.
    NOTE:
    • Wait at least 30 minutes before filling the engine with oil.
    • Do not run the engine for at least 3 hours after installing the oil pan.
    • Make sure to install the bolts in the correct locations according to size.
      Fig 3: Identifying Oil Pan Bolts
      G05952645Courtesy of AMERICAN HONDA MOTOR CO., INC.
  6. Tighten the bolts/m three steps. Wipe off the excess liquid gasket on the each side of crankshaft pulley and the flywheel/drive plate.

    Specified torque 

    (1): 24 N.m (2.4 kgf.m, 17 lbf.ft) 

    (2)-(13): 12 N.m (1.2 kgf.m, 8.8 lbf.ft) 

    Fig 4: Identifying Bolts Tightening Sequence
    G05952646Courtesy of AMERICAN HONDA MOTOR CO., INC.
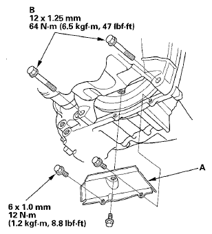
  7. Install the clutch cover/torque converter cover (A), and install the transmission mounting bolts (B).

    M/T model 

    Fig 5: Clutch Cover/Torque Converter Cover & Transmission Mounting Bolts - M/T Model With Torque Specifications
    G05952647Courtesy of AMERICAN HONDA MOTOR CO., INC.

    A/T model 

    Fig 6: Clutch Cover/Torque Converter Cover & Transmission Mounting Bolts - A/T Model With Torque Specifications
    G05952648Courtesy of AMERICAN HONDA MOTOR CO., INC.
  8. Connect the CKP sensor connector (A), then install the CKP sensor cover (B).
    Fig 7: Identifying CKP Sensor Connector & CKP Sensor Cover
    G05952649Courtesy of AMERICAN HONDA MOTOR CO., INC.
  9. Install the dipstick tube (A) with a new O-ring (B), then install the dipstick.
    Fig 8: Identifying Dipstick Tube & O-Ring
    G05952650Courtesy of AMERICAN HONDA MOTOR CO., INC.
  10. M/T model: Install the torque rod bracket (see TORQUE ROD BRACKET REPLACEMENT ).
  11. If the engine is still in the vehicle, do steps  12 through  16.
  12. A/T model: Install the shift cable cover (A).
    Fig 9: Shift Cable Cover Bolts With Torque Specifications
    G00504603Courtesy of AMERICAN HONDA MOTOR CO., INC.
  13. Install the A/C compressor (see step 26 on SIDE ENGINE MOUNT REPLACEMENT ).
  14. Install the driveshaft heat shield (see step 22 on SIDE ENGINE MOUNT REPLACEMENT ).
  15. Install the drive belt (see DRIVE BELT REMOVAL/INSTALLATION ).
  16. Refill the engine with engine oil (see step 4 on ENGINE OIL LEVEL CHECK ).