lemon-mirror:
Home >> Honda >> 2012 >> Ridgeline RT >> Repair and Diagnosis >> Transmission >> Automatic Trans >> Automatic Transmission >> ATF Cooler Hose Replacement >> Exploded View

Exploded View

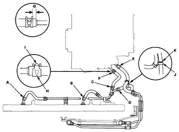
Fig 1: Exploded View Of ATF Cooler Hose
G06628869Courtesy of AMERICAN HONDA MOTOR CO., INC.
NOTE: When installing the hose clamps, make sure they do not interfere with the surrounding parts.
  1. Install the ATF cooler hoses over the ATF cooler lines with the clips at the appropriate points in reference to the following list.
    ATF COOLER HOSES INSTALLATION POINTS

    Point Distance from Hose End to Clip (G) Hose End Contact Point
    A 2-4 mm (0.1-0.2 in) Bulge
    B
    C 6-8 mm (0.2-0.3 in) Bulge
    D
    E
    F
  2. Secure the hose with the clip (H), aligning the tab (I) upward.
  3. Secure the ATF cooler hose with the clamp (J) at the marking (K).
  4. Refill the transmission with ATF to the proper level (see ATF LEVEL CHECK ).