lemon-mirror:
Home >> Honda >> 2012 >> Ridgeline RT >> Repair and Diagnosis >> Transmission >> Automatic Trans >> Automatic Transmission >> Transmission Installation

Transmission Installation

Special Tools Required 

*Available through the Honda Tool and Equipment Program 888-424-6857.

NOTE:
  • Use fender covers to avoid damaging painted surfaces.
  • Special tool Reds engine support hanger AAR-T1256 must be used with the side engine mount installed.
  1. Clean the ATF cooler (see ATF COOLER CLEANING ).
  2. Install the torque converter (A) on the mainshaft (B) with a new O-ring (C).
    Fig 1: Identifying Torque Converter, Mainshaft And O-Ring
    G06628826Courtesy of AMERICAN HONDA MOTOR CO., INC.
  3. Install the 14 x 20 mm dowel pin (0) and the 10 x 20 mm dowel pin (E) in the torque converter housing.
  4. Install the transmission lower mounts.
    Fig 2: Transmission Lower Mounts With Torque Specifications
    G06628827Courtesy of AMERICAN HONDA MOTOR CO., INC.
  5. Place the transmission on the jack, and raise it to engine level.
  6. Attach the transmission to the engine, and install the transmission housing mounting bolts.
    Fig 3: Transmission Housing Mounting Bolts With Torque Specifications
    G06628828Courtesy of AMERICAN HONDA MOTOR CO., INC.
  7. Install the transmission housing mounting bolts.
    Fig 4: Transmission Housing Mounting Bolts With Torque Specifications
    G06628829Courtesy of AMERICAN HONDA MOTOR CO., INC.
  8. Install the front transmission housing mounting bolt (A) using a socket 22 mm long and a torque wrench.
    Fig 5: Front Transmission Housing Mounting Bolts With Torque Specifications
    G06628830Courtesy of AMERICAN HONDA MOTOR CO., INC.
  9. Install the front transmission housing mounting bolt (B).
  10. Install the front engine mount bracket (A) with new bolts.
    Fig 6: Front Engine Mount Bracket Bolts And Front Transmission Housing Mounting Bolt With Torque Specifications
    G06628831Courtesy of AMERICAN HONDA MOTOR CO., INC.
  11. Install the sensor harness clamp bracket (B) on the mount bracket.
  12. Install the transmission housing mounting bolts.
    Fig 7: Transmission Housing Mounting Bolts With Torque Specifications
    G06628832Courtesy of AMERICAN HONDA MOTOR CO., INC.
  13. Install a new set ring (A) on the intermediate shaft (B).
    Fig 8: Intermediate Shaft Splines, Catalytic Converter (WU-TWC) Bracket And Heat Shield With Torque Specifications
    G06628833Courtesy of AMERICAN HONDA MOTOR CO., INC.
  14. Clean the areas where the intermediate shaft contacts the transmission (differential) with solvent, and dry with compressed air. Apply ATF to the intermediate shaft splines (C), then install the intermediate shaft, be sure not to allow dust or other foreign particles to enter the transmission.
  15. Install the rear warm up three way catalytic converter (WU-TWC) bracket (D) and the heat shield (E).
  16. Install a new set ring (A) on the left driveshaft (B).
    Fig 9: Identifying Set Ring On Left Driveshaft
    G06628834Courtesy of AMERICAN HONDA MOTOR CO., INC.
  17. Clean the areas where the left driveshaft contacts the transmission (differential) with solvent, and dry with compressed air. Then install the left driveshaft. Be sure not to allow dust or other foreign particles to enter the transmission. Turn the steering knuckle fully outward, and slide the driveshaft into the differential until you feel its set ring fully engage the side gear.
  18. Apply the recommended grease to the right driveshaft inboard joint splines.
  19. Slide the right driveshaft over the intermediate shaft splines until you feel the driveshaft fully engage the intermediate shaft set ring.
  20. Support the front subframe (A) with the front subframe adapter (EQS02BMDXB0) and a jack, and lift it up to the body.
    Fig 10: Identifying Front Subframe With Front Subframe Adapter (EQS02BMDXB0)
    G06628835Courtesy of AMERICAN HONDA MOTOR CO., INC.
  21. Loosely install new subframe mounting bolts (A), rear stiffeners (B) and mounting bolts (C), and front stiffeners (D) and mounting bolts (E).
    Fig 11: Front And Rear Stiffeners With Mounting Bolts With Torque Specifications
    G06628836Courtesy of AMERICAN HONDA MOTOR CO., INC.
  22. Loosely tighten the right rear subframe mounting bolt (A); insert the subframe alignment pin (070AG-SJAA10S) through the positioning hole (B) on the rear stiffener, through the positioning hole (C) on the subframe, and into the positioning hole (D) on the body, then tighten the subframe mounting bolt.
    Fig 12: Tightening Subframe Mounting Bolt With Torque Specifications
    G06628837Courtesy of AMERICAN HONDA MOTOR CO., INC.
  23. Loosely tighten the left rear subframe mounting bolt in the same manner in step 22.
  24. Loosely tighten the right and left front subframe mounting bolts.
  25. Loosen the right rear mounting bolt, then tighten the bolt to the specified torque with putting the subframe alignment pin into the positioning hole.
  26. Tighten the left rear mounting bolt to the specified torque with putting the subframe alignment pin into the positioning hole.
  27. Tighten the right and left front mounting bolts to the specified torque.
  28. Check that the positioning holes are aligned using the subframe alignment pin.
  29. Tighten the rear and front stiffener mounting bolts to the specified torque.
  30. Remove the jack and front subframe adapter.
  31. Install both bolt retainers (A) on both rear mounting bolts (B) of the front subframe (C).
    Fig 13: Rear Mounting Bolts Of Front Subframe With Torque Specifications
    G06628838Courtesy of AMERICAN HONDA MOTOR CO., INC.
  32. Install the rear mount bracket bolts.
    Fig 14: Rear Mount Bracket Bolt With Torque Specifications
    G06628839Courtesy of AMERICAN HONDA MOTOR CO., INC.
  33. Install the transmission lower mount nuts.
    Fig 15: Transmission Lower Mount Nuts With Torque Specifications
    G06628840Courtesy of AMERICAN HONDA MOTOR CO., INC.
  34. Attach the torque converter to the drive plate (A) with eight bolts (B). Rotate the crankshaft pulley as necessary to tighten the bolt to half of the specified torque, then do the final torque in a crisscross pattern. After tightening the last bolt, check that the crankshaft rotates freely.
    Fig 16: Torque Converter Cover With Mounting Bolts Torque Specification
    G06628841Courtesy of AMERICAN HONDA MOTOR CO., INC.
  35. Install the torque converter cover (C).
  36. Connect the power steering fluid hose (A) to the power steering fluid line (B), and secure the hose with its hose clamp (C).
    Fig 17: Identifying Power Steering Fluid Hose, Power Steering Fluid Line And Hose Clamp
    G06628842Courtesy of AMERICAN HONDA MOTOR CO., INC.
  37. Secure the power steering fluid hose with the hose clamp (D).
  38. Connect the power steering pressure switch connector.
    Fig 18: Connecting Power Steering Pressure Switch Connector
    G06628843Courtesy of AMERICAN HONDA MOTOR CO., INC.
  39. Install the dowel pin (A) in the transmission, and install the transfer assembly (B) on the transmission.
    Fig 19: Dowel Pin And Transfer Assembly With Torque Specifications
    G06628844Courtesy of AMERICAN HONDA MOTOR CO., INC.
  40. Install the propeller shaft (A) to the transfer companion flange (B) by aligning the reference mark (C).
    Fig 20: Reference Mark On Propeller Shaft To Transfer Companion Flange With Torque Specifications
    G06628845Courtesy of AMERICAN HONDA MOTOR CO., INC.
  41. Install the ball joints on each lower arms (A) to each knuckles (B) with new castle nuts (C), and secure the castle nuts with the lock pins (D) (see KNUCKLE/HUB/WHEEL BEARING REPLACEMENT ).
    Fig 21: Inserting Allen Wrench In Top Of Ball Joint Pins With Torque Specifications
    G06628846Courtesy of AMERICAN HONDA MOTOR CO., INC.
  42. Install the nuts (E) to the ball joint pins (F) on each stabilizer links (G). Insert a 6 mm Allen wrench (H) in the top of the ball joint pins, and tighten the nuts to the specified torque.
  43. Install the tie-rod end ball joints (I) to each knuckles with the nuts (J) and new cotter pins (K) (see KNUCKLE/HUB/WHEEL BEARING REPLACEMENT ).
  44. Secure the transfer breather hose bracket (A) on the transfer assembly with the bolt, and install the breather hose (B) over the breather pipe (C) with the dot (D) on the hose facing out.
    Fig 22: Transfer Breather Hose Bracket, Breather Hose And Breather Pipe With Torque Specifications
    G06628847Courtesy of AMERICAN HONDA MOTOR CO., INC.
  45. Install exhaust pipe A with new self-locking nuts, its mount (B), and new gaskets (C) (D).
    Fig 23: Exhaust Pipe With New Self-Locking Nuts, Mount And Gaskets With Torque Specifications
    G06628848Courtesy of AMERICAN HONDA MOTOR CO., INC.
  46. Install the front subframe stiffener with new mounting bolts.
    Fig 24: Front Subframe Stiffener With Mounting Bolts With Torque Specifications
    G06628849Courtesy of AMERICAN HONDA MOTOR CO., INC.
  47. Install a new front mount bolt, and install the front mount stop (A) with new nuts.
    Fig 25: Front Mount Stop With Nuts With Torque Specifications
    G06628850Courtesy of AMERICAN HONDA MOTOR CO., INC.
  48. Remove the engine support hanger, the engine hanger adapters, and the engine balance bar.
  49. Install the connector bracket on the engine front cylinder head.
    Fig 26: Connector Bracket Bolt With Torque Specification
    G06628851Courtesy of AMERICAN HONDA MOTOR CO., INC.
  50. Install the harness clamp brackets on the engine rear cylinder head.
    Fig 27: Engine Rear Cylinder Head Harness Clamp Bracket Bolt With Torque Specification
    G00510082Courtesy of AMERICAN HONDA MOTOR CO., INC.
  51. Install the transfer breather (A) on the throttle cable bracket (B). Install the transfer breather hose clamp (C) on the heater hose (D), centering the heater hose dot (E) in the clamp opening.
    Fig 28: Identifying Transfer Breather On Throttle Cable Bracket
    G06628853Courtesy of AMERICAN HONDA MOTOR CO., INC.
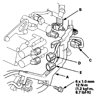
  52. Connect the input shaft (mainshaft) speed sensor connector (A), the output shaft (countershaft) speed sensor connector (B), the ATF temperature sensor connector (C), and the transmission fluid pressure switch B (3rd clutch) connector (D). Check the connector for rust, dirt, or oil, and clean or repair if necessary, then connect the connector securely.
    Fig 29: Identifying Input Shaft (Mainshaft) Speed Sensor Connector (A) And Output Shaft (Countershaft) Speed Sensor Connector
    G06628854Courtesy of AMERICAN HONDA MOTOR CO., INC.
  53. Connect the ATF cooler hoses (A) to the ATF cooler lines (B), and secure the hoses with the clips (C) (see ATF COOLER HOSE REPLACEMENT ).
    Fig 30: Identifying ATF Cooler Hoses, ATF Cooler Lines With Clips
    G06628855Courtesy of AMERICAN HONDA MOTOR CO., INC.
  54. Connect the transmission fluid pressure switch A (2nd clutch) connector.
    Fig 31: Connecting Transmission Fluid Pressure Switch A (2nd Clutch) Connector
    G06628856Courtesy of AMERICAN HONDA MOTOR CO., INC.
  55. Connect the transmission range switch connector (A), and install the harness clamp (B) on the clamp bracket (C).
    Fig 32: Transmission Range Switch Connector, Harness Clamp And Clamp Bracket With Torque Specifications
    G06628857Courtesy of AMERICAN HONDA MOTOR CO., INC.
  56. Install the transmission ground cable (D).
  57. Secure the harness cover (A) and the harness cover bracket (B) with the bolts.
    Fig 33: Harness Cover And Harness Cover Bracket With Bolts With Torque Specifications
    G06628858Courtesy of AMERICAN HONDA MOTOR CO., INC.
  58. Connect the A/T clutch pressure control solenoid valve C connector (C).
  59. Install the harness cover (A) on the harness cover bracket (B), and secure it with the bolt.
    Fig 34: Harness Cover, Harness Cover Bracket With A/T Clutch Pressure Control Solenoid Valve Connectors With Torque Specifications
    G06628859Courtesy of AMERICAN HONDA MOTOR CO., INC.
  60. Connect the 4th clutch transmission fluid pressure switch connector (C). Connect the A/T clutch pressure control solenoid valve A connector (D), and the A/T clutch pressure control solenoid valve B connector (E).
  61. Apply molybdenum grease to the hole in the bushing (A) in the shift cable end (B).
    Fig 35: Control Lever, Control Pin, Bushing And Spring Clip With Torque Specifications
    G06628860Courtesy of AMERICAN HONDA MOTOR CO., INC.
  62. Attach the shift cable end to the control lever (C), then insert the control pin (D) into the control lever hole through the shift cable end, and secure the control pin with the spring clip (E).
  63. Secure the shift cable bracket (F) with the nuts.
  64. Install the starter (A) with a new gasket (C) (see INSTALLATION ), then install the harness clamp (D).
    Fig 36: Starter, Gasket And Harness Clamp With Torque Specifications
    G06628861Courtesy of AMERICAN HONDA MOTOR CO., INC.
  65. Install the radiator hose bracket (C) and the dipstick (D).
  66. Connect the positive starter cable (E) and the S terminal connector (F). Make sure the crimped side of the ring terminal faces away from the starter when you connect it.
  67. Install the harness clamp (G).
  68. Install the transmission breather hose (A) over the breather pipe (B) at the transmission housing, and install the hose in the clamp (C) at the dot (D) on the hose with facing out.
    Fig 37: Identifying Transmission Breather Hose Over Breather Pipe
    G06628862Courtesy of AMERICAN HONDA MOTOR CO., INC.
  69. Install the power steering pump outlet line (A) with a new O-ring (B) to the pump, and secure the hose clamp (C) with the bolt.
    Fig 38: Power Steering Pump Outlet Line With O-Ring And Clamp With Torque Specifications
    G06628863Courtesy of AMERICAN HONDA MOTOR CO., INC.
  70. Align the reference mark (A) on the steering joint and steering gearbox pinion shaft. Connect the steering joint (B) to the steering gearbox pinion shaft (C). Tighten the steering joint bolt.
    Fig 39: Aligning Steering Joint Reference Mark
    G00510086Courtesy of AMERICAN HONDA MOTOR CO., INC.
  71. Install the steering joint cover (D).
  72. Remove the steering wheel holder tool (A).
    Fig 40: Steering Wheel Holding Tool
    G00510149Courtesy of AMERICAN HONDA MOTOR CO., INC.
  73. Refill the power steering fluid reservoir with fluid to the upper level line.
  74. Refill the transmission with the ATF (see step  5 on ).
  75. Install the battery base bracket and the battery base.
  76. Install the air cleaner housing, the resonator, the air intake duct, and the engine cover.
  77. Install the battery tray, then do the battery installation (see BATTERY TERMINAL DISCONNECTION AND RECONNECTION ).
    NOTE: Do not road test until step 83.
  78. Install the splash shield.
  79. Install the service caps on the cowl cover.
  80. Set the parking brake, run the engine at fast idle, and turn the steering wheel from lock-to-lock several times to bleed air from the system. Recheck the fluid level, and refill if necessary.
  81. Set the parking brake. Start the engine, and shift the transmission through all positions three times. Check the shift lever operation, A/T gear position indicator operation, and shift cable adjustment.
  82. Place a floor jack under the lower arm, and raise the suspension to load it with the vehicle's weight.

    Tighten the ball joint mounting nuts to 88-98 N.m (9.0-10.0 kgf.m, 65-72 lbf.ft). Install new cotter pins onto the castle nut.

  83. Check and adjust the front wheel alignment (see WHEEL ALIGNMENT ).
  84. Start the engine in the P or N, and warm it up to normal operating temperature (the radiator fan comes on).
  85. Turn off the engine, and check the ATF level (see ATF LEVEL CHECK ).
  86. Road test the vehicle (see ROAD TEST ).