lemon-mirror:
Home >> Hyundai >> 2003 >> Accent Base >> Repair and Diagnosis >> Electrical >> Starters >> Overhaul >> Starter Assembly

Starter Assembly

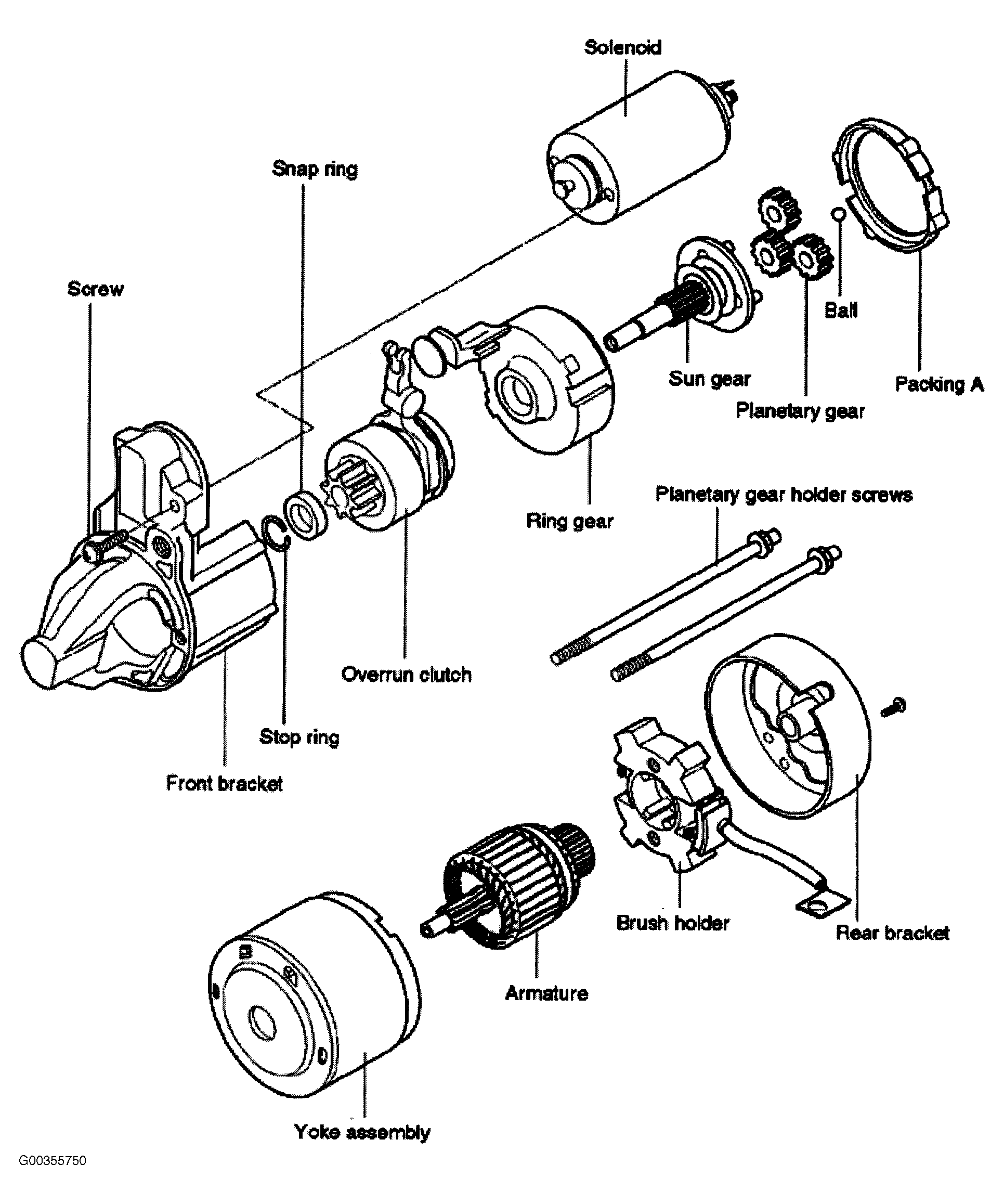
NOTE: Use illustration for exploded view of starter. See Fig 1
Fig 1: Exploded View Of Starter
G00355750Courtesy of HYUNDAI MOTOR CO.