lemon-mirror:
Home >> Jaguar >> 1986 >> XJ-SC >> Repair and Diagnosis >> Electrical >> Component Locations >> Electrical Component Locator >> Miscellaneous Components

Miscellaneous Components

MISCELLANEOUS COMPONENTS LOCATION

Component Location
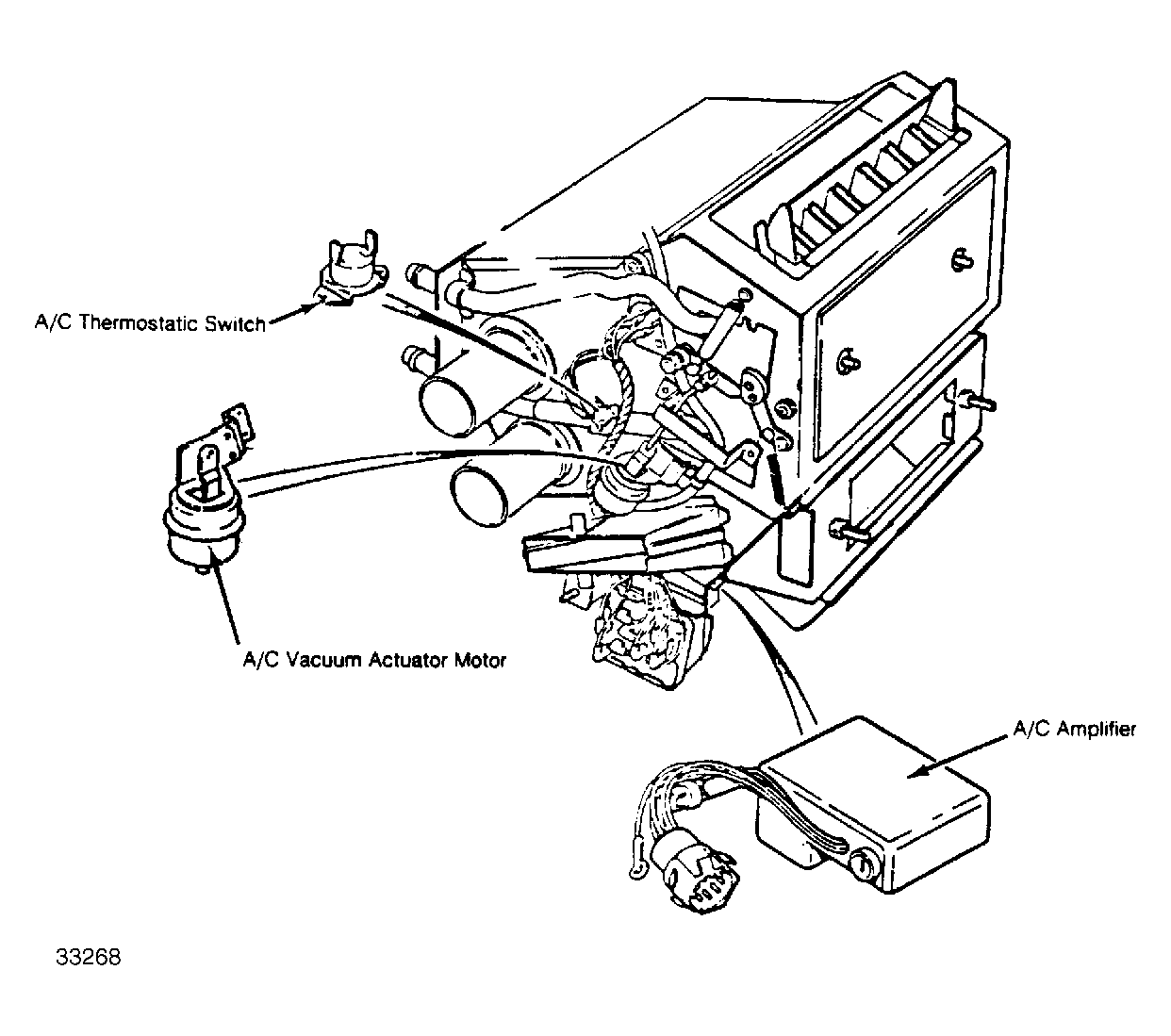
A/C Amplifier On lower right side of A/C assembly. See Figure .
A/C-Heater Blower Motor Resistor On left side of heater box.
Auxiliary Fuse Block Under right side of instrument panel. See Figure .
Ballast Resistor On center of engine near coil.
Cold Start Injectors Near fuel pressure regulators. See Figure .
Diagnostic Connector Information not available.
Headlight Fuse Block On left inner fender panel. See Figure .
Main Fuse Block Under left side of instrument panel. See Figure .
Power Amplifier On upper radiator support. See Figure & Figure .
Power Resistor At right front corner of engine compartment.