lemon-mirror:
Home >> Kia >> 2001 >> Rio Automatic >> Repair and Diagnosis >> Transmission >> Automatic Trans >> Overhaul >> Upper Control Valve Body >> Disassembly

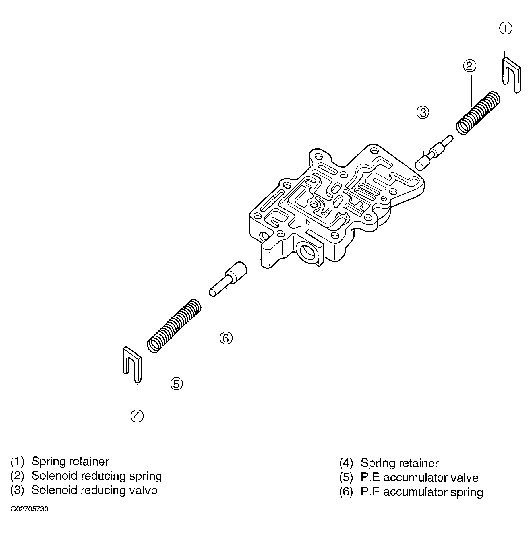
Upper Control Valve Body: Disassembly

NOTE:
  • Each valve should slide in/out under its own weight.
  • When a valve will not slide in/out under its own weight, depending on valve, push it out with a wire or replace valve body open-side down and lightly tap it with a soft hammer.
  • If a valve surface or bore is scratched or damaged, replace control valve body.
  • Do not drop or lose valves or internal parts.
  • Before assembly, make sure all parts are thoroughly clean.
  • Apply ATF to all parts and bores.
  • Note proper direction of valves and internal parts.
  • Do not reuse any part that has been dropped.
  • Wrap a screwdriver or rod with tape before using it to insert a valve.

Disassemble in order shown in Fig 1 .

Fig 1: Exploded View Of Upper Control Valve Body
G02705730