lemon-mirror:
Home >> Mazda >> 2006 >> MPV ES >> Repair and Diagnosis >> Electrical >> Charging Systems >> Charging System >> Generator Removal/Installation [AJ]

Generator Removal/Installation [AJ]

WARNING:
  • When the battery cables are connected, touching the vehicle body with generator terminal B will generate sparks. This can cause personal injury, fire, and damage to the electrical components. Always disconnect the battery before performing the following operation.
  1. Disconnect the negative battery cable.
  2. Remove the drive belt. (See DRIVE BELT REPLACEMENT [AJ] .)
  3. Remove the front pipe. (See EXHAUST SYSTEM REMOVAL/INSTALLATION [AJ] .)
  4. Remove the joint shaft. (See JOINT SHAFT REMOVAL/INSTALLATION .)
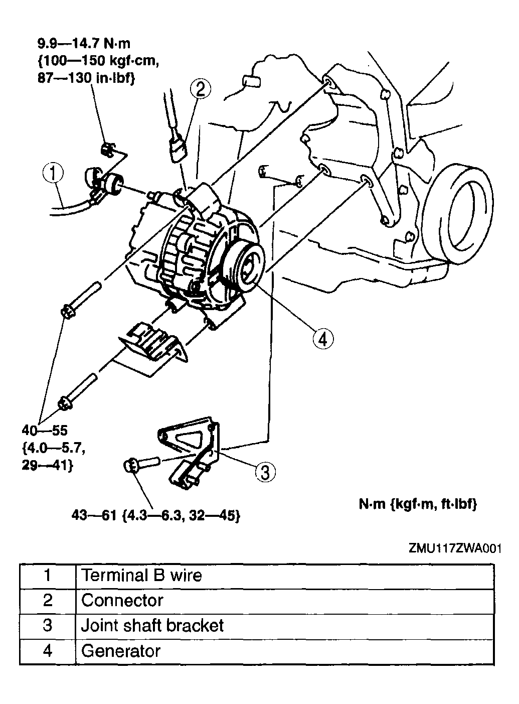
  5. Remove in the order indicated in Fig 1.
  6. Install in the reverse order of removal.
Fig 1: Removing/Installing Generator With Torque Specifications
G04328238Courtesy of MAZDA MOTORS CORP.