lemon-mirror:
Home >> Mazda >> 2021 >> CX-5 Signature >> Repair and Diagnosis >> External Pages >> Different car >> Section 17 (Intake-Air System) >> Intake-Air System Removal/Installation >> Notes

Intake-Air System Removal/Installation: Notes

WARNING: This page is about a different car, the 2016 Mazda CX-5. However, it is still accessible from the selected car via links, so may be relevant.
WARNING:
  • A hot engine and intake air system can cause severe burns. Turn off the engine and wait until they are cool before removing the intake air system.
  1. Disconnect the negative battery cable. (See NEGATIVE BATTERY CABLE DISCONNECTION/CONNECTION .)
  2. Remove in the order indicated in the table.
  3. Install in the reverse order of removal.
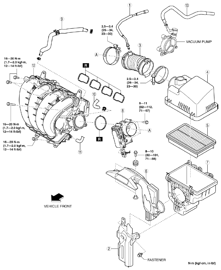
Fig 1: Exploded View Of Intake-Air System
G10916235Courtesy of MAZDA MOTORS CORP.
COMPONENT DESCRIPTION

1 Ventilation hose
(See Ventilation Hose Installation Note .)
2 Resonance chamber
(See Resonance Chamber Removal Note .)
3 Air hose
(See Air Hose Installation Note )
4 Air cleaner cover
5 Air cleaner element
6 Fresh-air duct
(See Fresh-air Duct Removal Note .)
(See Fresh-air Duct Installation Note .)
7 Air cleaner case
(See Air Cleaner Case Installation Note .)
8 Throttle body
9 Vacuum hose (between intake manifold and vacuum pump)
(See Vacuum Hose Removal Note .)
(See Vacuum Hose Installation Note .)
10 Evaporative hose
(See Evaporative Hose Installation Note )
11 PCV hose
12 Intake manifold
(See Intake Manifold Removal Note )
13 Vacuum hose (between vacuum pump and power brake unit)