lemon-mirror:
Home >> Mazda >> 2021 >> CX-5 Signature >> Repair and Diagnosis >> External Pages >> Different car >> Section 30 (Lighting System) >> Auto Leveling Sensor Inspection

Auto Leveling Sensor Inspection

WARNING: This page is about a different car, the 2016 Mazda CX-5. However, it is still accessible from the selected car via links, so may be relevant.
  1. Disconnect the negative battery cable. (See NEGATIVE BATTERY CABLE DISCONNECTION/CONNECTION .)
  2. Remove the auto leveling sensor. (See AUTO LEVELING SENSOR REMOVAL/INSTALLATION .)
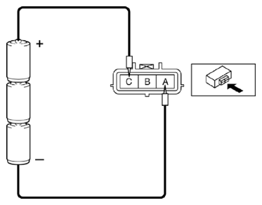
  3. Prepare three dry cell batteries (1.5 V).
  4. Connect the three dry cell batteries in a series.
    Fig 1: Identifying Dry Cell Battery
    G10939289Courtesy of MAZDA MOTORS CORP.
  5. Connect the positive pole of the dry cell battery to auto leveling sensor terminal C, and the negative pole to terminal A.
    Fig 2: Connecting Positive Pole Of Dry Cell Battery To Auto Leveling Sensor Terminal C
    G10939290Courtesy of MAZDA MOTORS CORP.
  6. Connect the tester as shown in the figure with approx. 4.5 V of voltage applied between auto leveling sensor terminals A and C, and measure the voltage at auto leveling sensor terminal B.
    Fig 3: Measuring Voltage At Auto Leveling Sensor Terminal B
    G10939291Courtesy of MAZDA MOTORS CORP.
  7. When slowly moving the auto leveling sensor link up and down, verify that the voltage fluctuates linearly between 0.5-4.5 V as shown in the figure.
Fig 4: Auto Leveling Sensor Angle Graph
G10939292Courtesy of MAZDA MOTORS CORP.