lemon-mirror:
Home >> Oldsmobile >> 1997 >> Cutlass Base >> Repair and Diagnosis >> Electrical >> Component Locations >> Electrical Component Locator >> Control Units

Control Units

CONTROL UNITS

Component Component Location
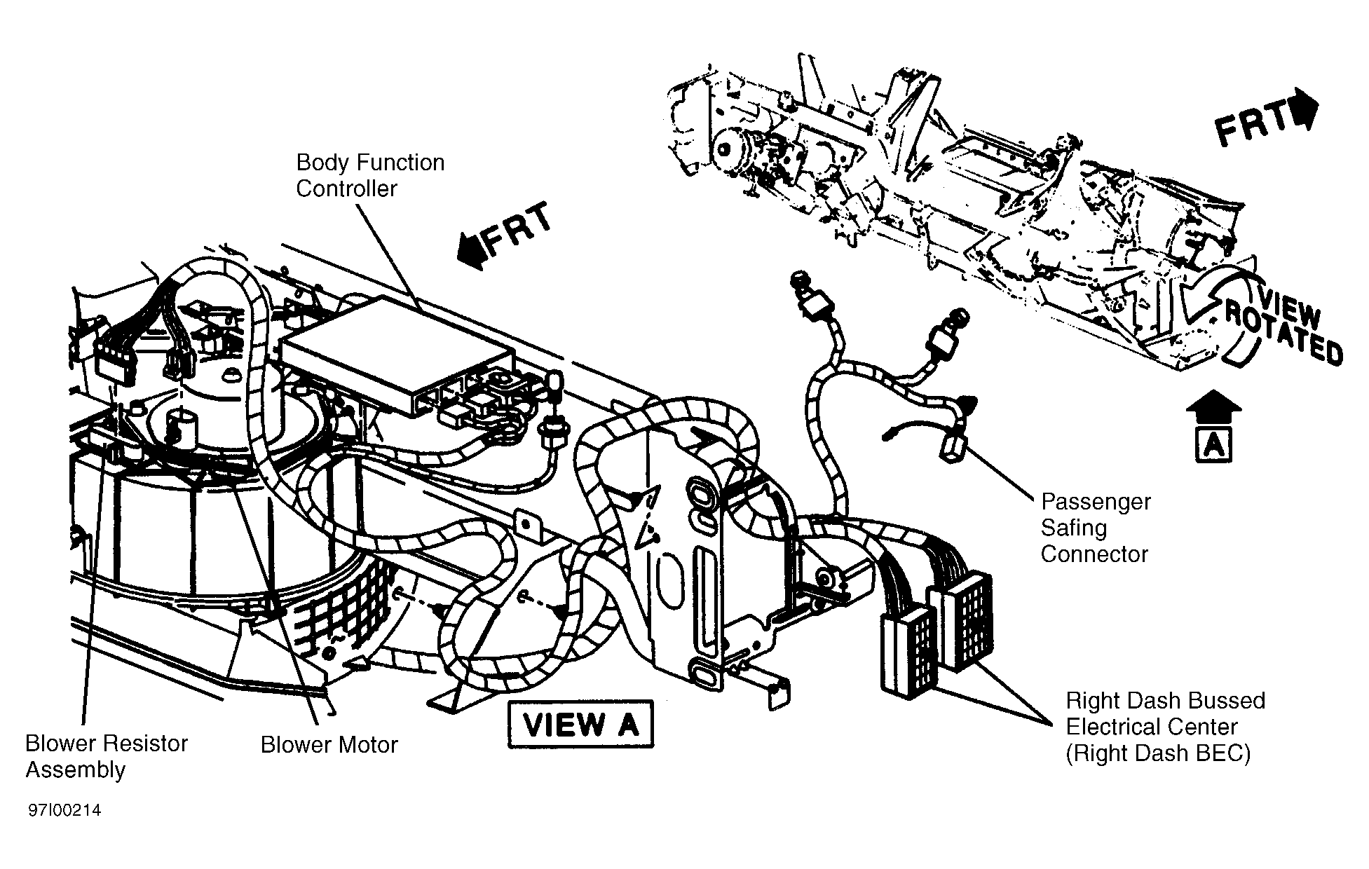
Body Function Controller Below right side of dash. See Figure .
Cruise Control Module On right side of engine compartment.
Driver Inflator Module On top of steering column.
Electronic Brake Control Module (EBCM) Inside left front fender.
Fuel Tank Module Under rear of vehicle.
Ignition Control Module (2.4L) On top left of engine. See Figure .
Ignition Control Module (3.1L) On top rear of engine. See Figure .
Lamp Dimmer Module On left side of dash.
Passenger Inflator Module On right upper dash.
Powertrain Control Module (PCM) Below left side of dash, near steering column.
Remote Control Door Lock Receiver On rear package shelf.
Sensing Diagnostic Module (SDM) Under right front seat.