lemon-mirror:
Home >> Saab >> 2000 >> 9-3 Base, 2D Convertible, Automatic >> Repair and Diagnosis >> Transmission >> Automatic Trans >> Overhaul >> Transaxle Disassembly

Transaxle Disassembly

NOTE: The following information is for Daewoo models only. Information for Saab models is not available from manufacturer. Saab recommends transaxle replacement for any internal malfunction.
NOTE: Remove thrust washers and bearings from all applicable components and note location and direction for reassembly reference.
CAUTION: Do not exceed 57 psi (4 kg/cm2 ) when applying air pressure to transaxle case or components.
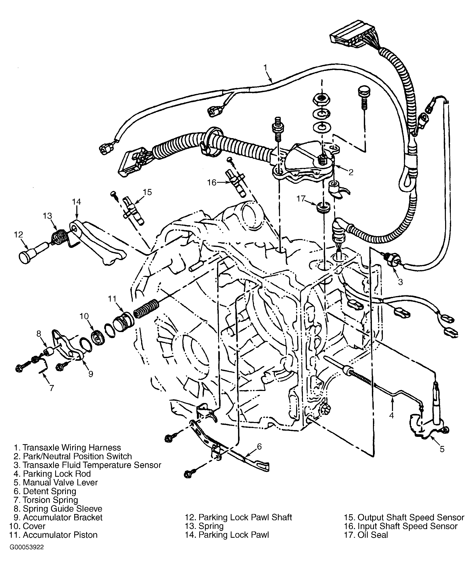
  1. Remove torque converter. Unstake lock washer securing nut at PNP switch. Remove nut and lock washer. Unbolt and remove PNP switch. See Fig 1 . Remove TFT sensor protector bracket. Remove TFT sensor. Remove ISS, OSS and VSS sensors. See Fig 2 . Remove drain plug. Remove converter housing cover. Remove valve body cover. See Figure .
  2. Disconnect shift solenoid connectors at valve body. Remove suction cover located at end of valve body assembly. Remove 7 valve body bolts, and remove valve body. Disconnect manual valve connecting rod from manual valve lever. Remove 2 valve body apply seals from transaxle case. See Figure . Remove solenoid wiring harness.
  3. Loosen and remove oil pump bolts in crisscross pattern. Remove oil pump, 2nd coast and 2nd brake assembly. Remove brake hub and one-way clutch. Unbolt and remove transaxle rear case. Remove 4 apply seals. See Fig 3 . Remove thrust washer from rear case. Remove clamp from apply tubes.
  4. Using appropriate pry bar or screwdriver, gently lift each end of apply tubes and remove. Remove forward/direct clutch assembly from rear of transaxle case. Remove planetary sun gear. Remove planetary ring gear. Remove planetary gear. Remove low/reverse brake snap ring.
  5. Remove low/reverse brake assembly, front planetary ring gear and one-way clutch. Remove snap ring and low/reverse return spring. Apply air to oil passage and remove low/reverse brake piston. See Fig 4 . Rotate transaxle on its side. Remove counterdrive gear snap ring. Remove counterdrive gear.
  6. Unbolt and separate converter housing from transaxle case. Remove apply seal located next to differential ring gear. Remove differential bearing lubrication apply tube. Remove oil reserve plate. Remove magnets from oil reserve plate. Remove differential.
  7. Remove oil filter. Remove transaxle case plate located near edge of case. Remove 2nd oil reserve plate. Remove parking pawl assembly cam plate. Remove parking pawl shaft, torsion spring and parking lock pawl. Remove parking lock pin.
  8. Disconnect parking lock rod from manual detent lever and remove. Remove 2 bolts, torsion spring, spacer and accumulator bracket. Remove underdrive brake accumulator cover, piston and spring. Remove underdrive planetary gear.
  9. Remove underdrive clutch drum. Remove underdrive brake band. Remove one-way clutch snap ring. Remove one-way clutch from case. Remove 2 sealing rings from drum support.
  10. Remove underdrive brake piston snap ring from outside of transaxle case. Remove piston cover, brake piston and spring.
Fig 1: Identifying External Transaxle Case Components
G00053922Courtesy of DAEWOO MOTOR AMERICA, INC.
Fig 2: Removing ISS & OSS Sensors
G00047787Courtesy of DAEWOO MOTOR AMERICA, INC.
Fig 3: Removing Apply Seals From Transaxle Case
G00047789Courtesy of DAEWOO MOTOR AMERICA, INC.
Fig 4: Removing Low/Reverse Brake Piston
G00047790Courtesy of DAEWOO MOTOR AMERICA, INC.