lemon-mirror:
Home >> Toyota >> 1990 >> Camry Base, Automatic >> Repair and Diagnosis >> Engine Performance >> System >> Engine Controls - System/Component Tests - EFI >> Throttle Position Sensor Test

Throttle Position Sensor Test

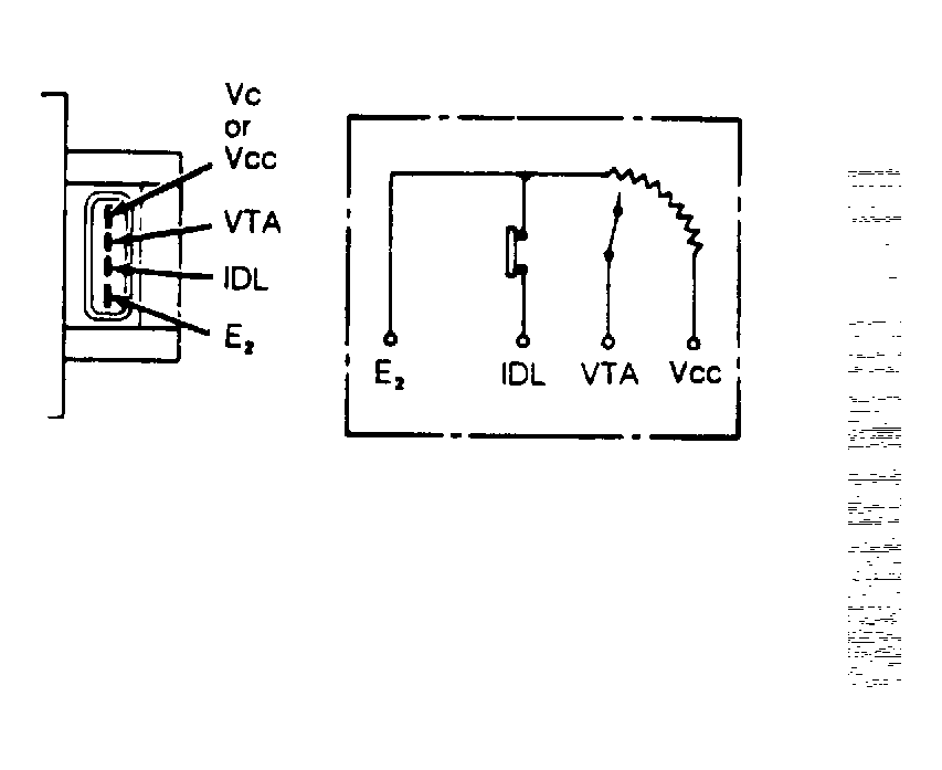
Turn ignition off. Unplug electrical connector at TPS on throttle body. Note terminal identification. See Fig 1, Fig 2 and Fig 3 . Insert specified thickness feeler gauge between throttle stop screw and throttle lever. See TPS RESISTANCE SPECIFICATIONS  table. Using an ohmmeter, check for resistance or continuity. Replace or adjust TPS if not within specification.

TPS RESISTANCE SPECIFICATIONS

Application Clearance In. (mm) Terminal Ohmmeter Reading
3S-FE 4-Cyl
(W/ECT)
0 (0) VTA & E2 200-800
.020 (.51) IDL & E2 2300 or Less
.028 (.71) IDL & E2 Infinity
Fully Open VTA & E2 3300-10,000
Fully Open VC & E2 3000-7000
3S-FE 4-Cyl
(W/OECT)
.020 (.51) IDL & E1 Continuity
.020 (.51) PSW & E1 No Continuity
.035 (.89) IDL & E1 No Continuity
.035 (.89) PSW & E1 No Continuity
Fully Open IDL & E1 No Continuity
Fully Open PSW & E1 Continuity
2VZ-FE V6
0 (0) VTA & E2 300-6300
.012 (.30) IDL & E2 2300 or Less
.028 (.71) IDL & E2 Infinity
Fully Open VTA & E2 3500-10,300
Fully Open VC & E2 4250-8250
Fig 1: Throttle Position Sensor Terminal ID (2VZ-FE V6)
G118909Courtesy of © TOYOTA, LICENSE AGREEMENT TMS1002
Fig 2: Throttle Position Sensor Terminal ID (3S-FE 4-Cyl W/ECT)
G119910Courtesy of © TOYOTA, LICENSE AGREEMENT TMS1002
Fig 3: Throttle Position Sensor Terminal ID (3S-FE 4-Cyl W/O ECT)
G118911Courtesy of © TOYOTA, LICENSE AGREEMENT TMS1002