lemon-mirror:
Home >> Cadillac >> 1990 >> Allante F7/ME9 >> Repair and Diagnosis >> Body & Frame >> Body, Cab Control Systems >> Body Computer Module >> Component Locations

Component Locations

COMPONENT LOCATIONS

Component Location
ALDL Connector On Left Shroud, Left Of Park Brake. See Fig 1 .
Body Computer Module (BCM) Behind center of Instrument Panel. See Fig 2 .
Central Power Supply Behind Left side Of Instrument Panel, Right Of Steering Column. See Fig 2 .
Climate Control & Driver Information Center Center Of Instrument Panel, Ahead Of Console
Coolant Temperature Sensor In Cooling System Water Passage, Right Rear Corner Of Engine Compartment. See Fig 3 .
Electronic Brake Control Module Behind Left Side Of Instrument Panel, Left Of Steering Column. See Fig 1 .
Engine Control Module See Powertrain Control Module.
Engine Metal Temperature Switch Left Rear Of Engine, Near Exhaust Manifold. See Fig 4 .
Electronic Spark Timing (EST) Distributor Left Top Of Engine
Fuse Block In Center Console. See Fig 5 .
Headlight Redundant Relay See Fig 12 .
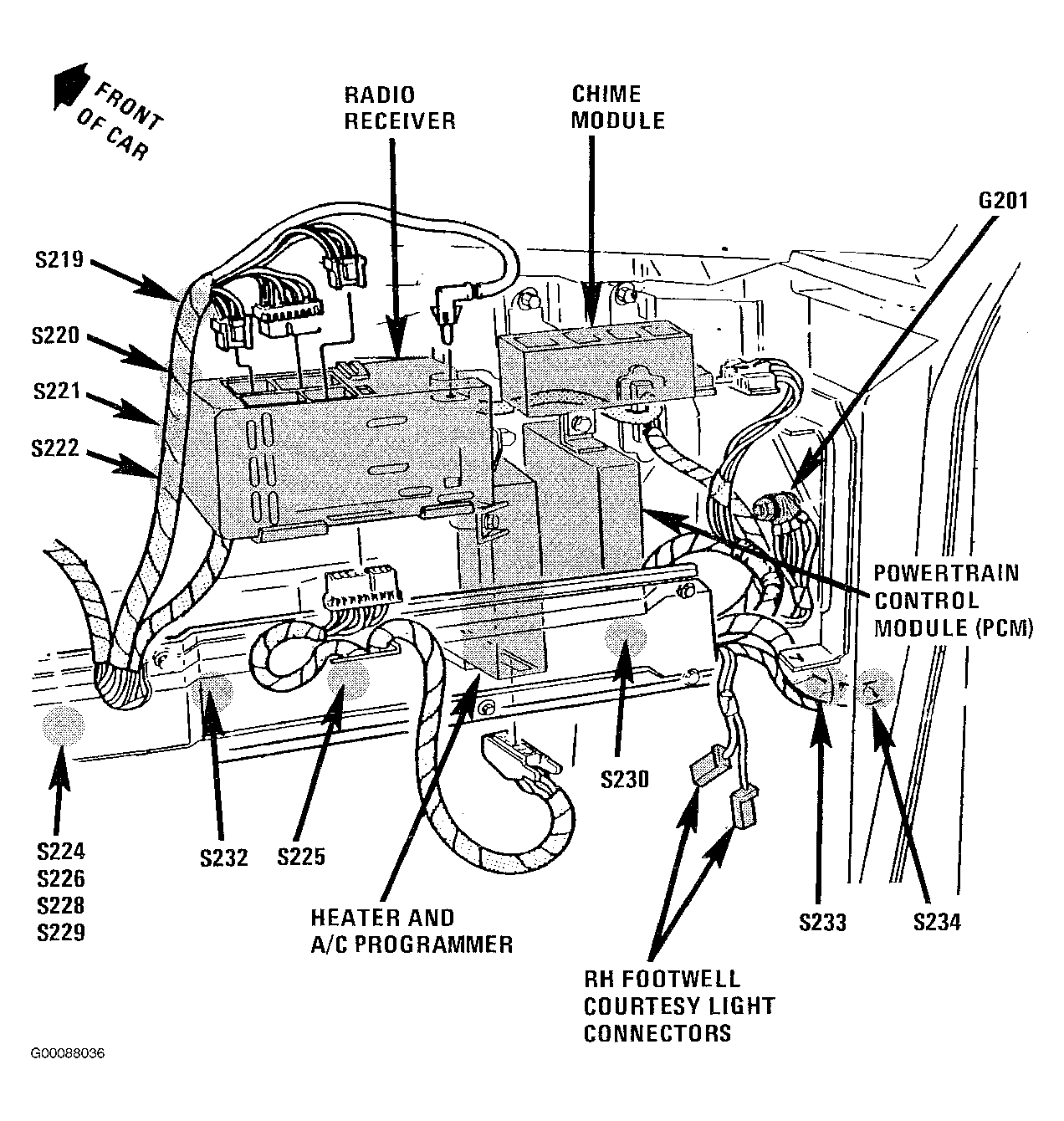
Heater & A/C Programer Behind Right Side Of Instrument Panel. See Fig 11 .
Isolated Ground Junction Block Behind Right Seat, Behind Access Panel. See Fig 6 .
Output Switch Module (OSM) No. 2 Left Rear Of Trunk, On Base Of End Panel. See Fig 7 .
Output Switch Module (OSM) No. 3 Left Rear Of Trunk, On Base Of End Panel
Output Switch Module (OSM) No. 4 & No. 5 Right Side Of Trunk, Above Rear Wheel House. See Fig 8 .
Output Switch Module (OSM) No. 6 Right Rear Of Trunk, On Base Of End Panel
Output Switch Module (OSM) No. 7 Right Rear Of Trunk, On Base Of End Panel. See Fig 9 .
Output Switch Module (OSM) No. 9, No. 10 & No. 13 Under Left Front Head Light. See Fig 10 .
Powertrain Control Module (PCM) Behind Right Side Of Instrument Panel, Near Shroud. See Fig 11 .
RAP Relay No. 1 Behind Right Side Of Instrument Panel, Above Heater & A/C Plenum. See Fig 12 .
RAP Relay No. 2 Behind Right Side Of Instrument Panel, Above Heater & A/C Plenum. See Fig 12 .
Rear Fuse Panel Right Side Of Trunk. See Fig 13 .
Rear Maxi-Fuse Block Behind Right Seat, Behind Access Panel. See Fig 6 .
Switch Pod, Left In Instrument Panel Cluster
Switch Pod, Right In Instrument Panel Cluster
Taillight Redundant Relay Right Side Of Trunk. See Fig 13 .
Theft Deterrent Module Behind Right Side Of Instrument Panel, Above Heater & A/C Plenum. See Fig 14 .
Fig 1: Locating ALDL& EBCM
G00088030Courtesy of GENERAL MOTORS CORP.
Fig 2: Locating Body Computer Module & Central Power Supply
G00090120Courtesy of GENERAL MOTORS CORP.
Fig 3: Locating Coolant Temperature Sensor
G00088007Courtesy of GENERAL MOTORS CORP.
Fig 4: Locating Engine Metal Temperature Switch
G00087998Courtesy of GENERAL MOTORS CORP.
Fig 5: Locating Fuse Block
G00088034Courtesy of GENERAL MOTORS CORP.
Fig 6: Locating Isolated Ground Junction Block & Maxi Fuse Block
G00090137Courtesy of GENERAL MOTORS CORP.
Fig 7: Locating Output Switching Module (OSM) 2
G00090141Courtesy of GENERAL MOTORS CORP.
Fig 8: Locating Ouput Switching Modules - OSM 4 & OSM 5
G00090143Courtesy of GENERAL MOTORS CORP.
Fig 9: Locating Output Switching Module (OSM) 7
G00090140Courtesy of GENERAL MOTORS CORP.
Fig 10: Locating Output Switching Modules (OSM) 9, 10 & 13
G00088003Courtesy of GENERAL MOTORS CORP.
Fig 11: Locating Powertrain Control Module (PCM)& Heater & A/C Programmer
G00088036Courtesy of GENERAL MOTORS CORP.
Fig 12: Locating RAP Relays& Headlight Redundant Relay
G00090119Courtesy of GENERAL MOTORS CORP.
Fig 13: Locating Taillight Redundant Relay & Rear Fuse Panel
G00090143Courtesy of GENERAL MOTORS CORP.
Fig 14: Locating Theft Deterrent Module
G00090118Courtesy of GENERAL MOTORS CORP.