lemon-mirror:
Home >> Chrysler >> 2002 >> Prowler >> Repair and Diagnosis >> Electrical >> Charging Systems >> Battery System >> Battery >> Removal

Battery System: Battery: Removal

WARNING: TO PROTECT THE HANDS FROM BATTERY ACID, A SUITABLE PAIR OF HEAVY DUTY RUBBER GLOVES, NOT THE HOUSEHOLD TYPE, SHOULD BE WORN WHEN REMOVING OR SERVICING A BATTERY. SAFETY GLASSES ALSO SHOULD BE WORN.
  1. Verify that the ignition switch and all accessories are OFF.
  2. Open hood.
  3. Disconnect both negative and positive battery cable terminals from the battery posts. Make sure to disconnect the negative first (Fig. Fig 1).
    Fig 1: Identifying Battery Cables
    G01056917Courtesy of DAIMLERCHRYSLER CORP.
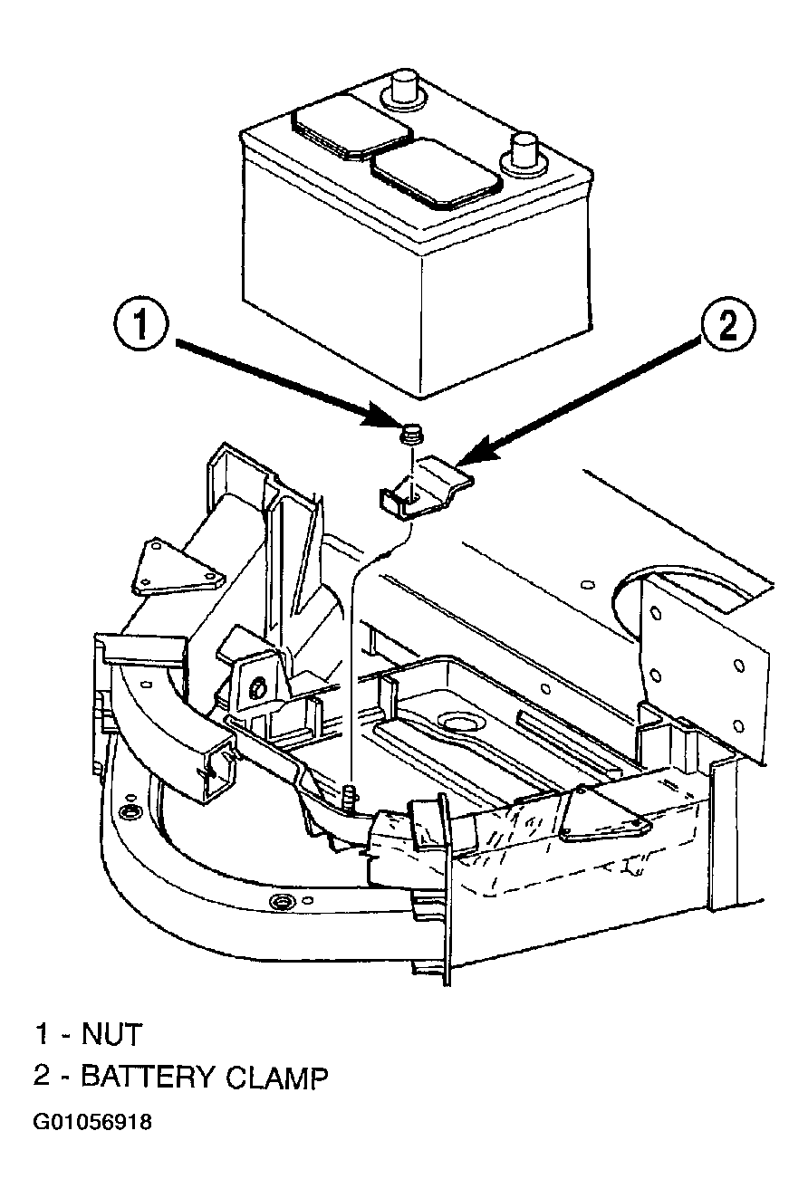
  4. Remove one nut to battery hold down (Fig. Fig 2).
    Fig 2: Removing Battery Hold Down
    G01056918Courtesy of DAIMLERCHRYSLER CORP.
  5. Remove battery from vehicle.