lemon-mirror:
Home >> Chrysler >> 2006 >> Sebring GTC >> Repair and Diagnosis >> Electrical >> Component Locations >> Electrical Component Locator >> Control Units

Control Units

CONTROL UNITS LOCATION

Component Location
Air Bag Control Module (ORC) (Base) Center of floor, near shifter assembly. See Figure .
Air Bag Control Module (Premium) Center of floor, near shifter. See Figure .
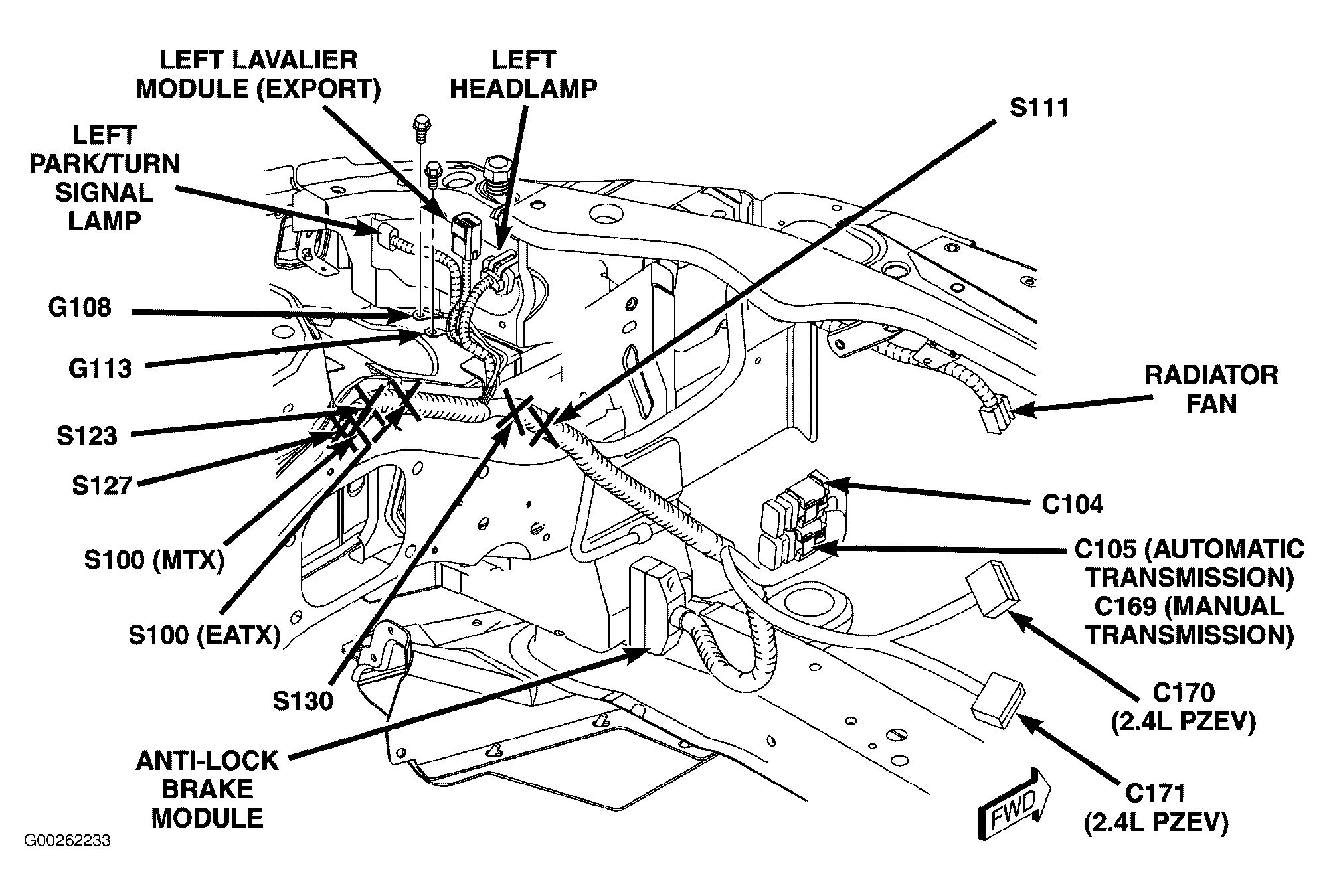
Anti-Lock Brake Module At lower left front of engine compartment. See Figure .
Blower Motor Power Module (ATC) At right end of HVAC. See Figure .
Body Control Module At left kick panel. See Figure .
Daytime Running Lamp Module On junction block. See Figure .
Fuel Pump Module On top of fuel tank.
Mode Door Actuator At left end of HVAC housing.
Occupant Restraint Controller Under floor console, behind transaxle gear selector.
Passenger Heated Seat Module Under passenger seat.
Powertrain Control Module Left front of engine compartment. See Figure .
Remote Keyless Entry Receiver On junction block.
Sentry Key Immobilizer Module On steering column. See Figure .
Sun Roof Control Module In left headliner. See Figure .