lemon-mirror:
Home >> Ford >> 1996 >> Explorer 2D Utility, AWD >> Repair and Diagnosis >> Engine Performance >> Vacuum Diagrams >> Vehicle Calibration

Vehicle Calibration

Vacuum diagrams are identified by calibration code. Use the Emission Calibration Label to identify calibration. Calibration label is attached to left door or left door pillar. See Fig 1 . Use calibration code to select vacuum diagram.

NOTE: Vacuum diagrams for calibrations not shown are not available from manufacturer.
Fig 1: Identifying Emission Calibration Label
G95D13162Courtesy of FORD MOTOR CO.
VACUUM DIAGRAM APPLICATIONS

Application & Calibration Codes See
Aerostar
3.0L
6-56J-R05, 6-56T-R05 Fig 2
4.0L
6-58J-R05, 6-58K-R05, 6-58N-R05, 6-58Q-R05 Fig 3
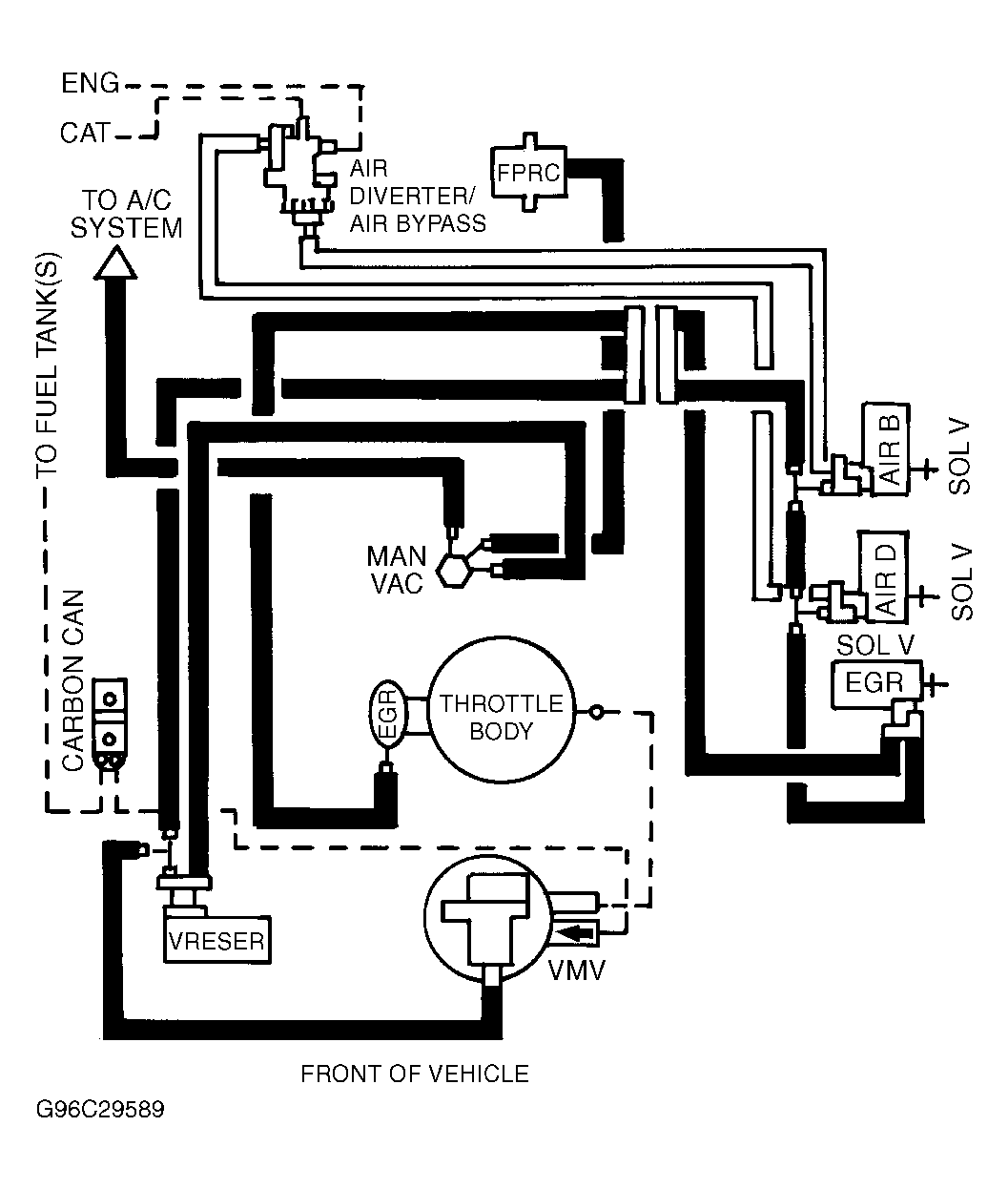
Bronco
5.0L
Canada & 49-States
6-53E-R10, 6-54J-R10 Fig 4
50-States
6-54P-R10 Fig 5
5.8L
6-64B-R05, 6-64T-R05 Fig 6
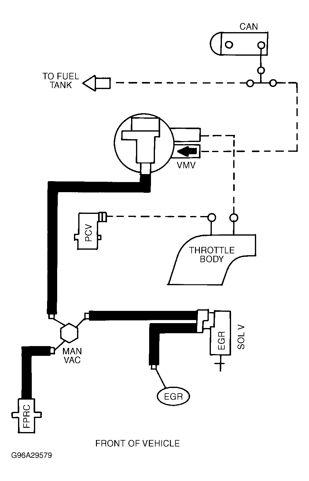
Explorer
4.0L
6-57B-R05, 6-57R-R05, 6-58B-R05, 6-58R-R05 Fig 7
5.0L
6-54G-R05 Fig 8
F-150
4.9L
6-51H-R06, 6-52R-R06 Fig 9
5.0L
Canada & 49-States
6-53E-R10, 6-53F-R10, 6-54E-R10, 6-54J-R10 Fig 4
50-States
6-54P-R10 Fig 5
5.8L
6-64E-R06, 6-64H-R06, 6-64S-R06 Fig 6
F-250
4.9L
Under 8500 GVWR
6-51H-R06, 6-52R-R06 Fig 9
Over 8500 GVWR
6-72J-R06 Fig 10
5.0L
Canada & 49-States
6-53G-R10, 6-54M-R10 Fig 4
50-States
6-54Q-R10 Fig 5
5.8L
Under 8500 GVWR
6-64E-R06, 6-64S-R06 Fig 6
Over 8500 GVWR
6-75A-R05, 6-76A-R05, 6-76C-R05 Fig 11
7.3L Turbo Diesel
Information Not Available Fig 12
7.5L
Medium-Duty
6-97Q-R06, 6-98N-R06, 6-98Q-R06 Fig 13
Heavy-Duty
Canada & 49-States
6-97A-R00, 6-98A-R00, 6-98F-R00 Fig 14
50-States
6-97P-R06, 6-98P-R06, 6-98T-R06 Fig 15
F-350
4.9L
6-72J-R06 Fig 10
5.8L
Canada & 49-States
6-75A-R05, 6-76A-R05, 6-76C-R05 Fig 11
50-States
6-76S-R06, 6-76T-R06 Fig 6
7.3L Turbo Diesel
Information Not Available Fig 12
7.5L
Medium-Duty
6-97Q-R06, 6-98N-R06, 6-98Q-R06 Fig 13
Heavy-Duty
Canada & 49-States
6-97A-R00, 6-98A-R00, 6-98F-R00 Fig 14
50-States
6-97P-R06, 6-98P-R06, 6-98T-R06 Fig 15
Ranger
2.3L
5-49A-R16, 5-49B-R16, 5-49Q-R16, 5-49T-R16, 5-50A-R16, 5-50T-R16 Fig 16
3.0L
5-55F-R15, 5-55H-R15, 5-55R-R15, 5-55S-R15, 5-56F-R15, 5-56H-R15, 5-56R-R15, 5-56S-R15 Fig 17
4.0L
5-57F-R15, 5-57H-R15, 5-57S-R15, 5-57T-R15, 5-58F-R15, 5-58H-R15, 5-58S-R15, 5-58T-R15 Fig 18
Super Duty
Pickup
7.5L
6-97B-R00, 6-98B-R00 Fig 19
Van
7.5L
6-98B-R00 Fig 19
Van
4.9L
6-52J-R06, 6-52K-R06, 6-52L-R06, 6-72M-R06 Fig 20
5.0L
Canada & 49-States
6-54K-R06 Fig 21
50-States
6-54T-R06 Fig 22
5.8L
Light & Medium-Duty
6-64K-R05, 6-64L-R05, 6-64R-R05, 6-76R-R06 Fig 23
Heavy-Duty
6-75A-R05 Fig 11
7.3L Turbo Diesel
Information Not Available Fig 12
7.5L
Medium-Duty
6-98S-R06 Fig 13
Heavy-Duty
Canada & 49-States
6-98E-R00 Fig 14
50-States
6-98R-R06 Fig 15
Windstar
3.0L
5-56K-R16, 5-56P-R16 Fig 24
3.8L
6-62J-R00, 6-62S-R00 Fig 25
Fig 2: Vacuum Diagram (Aerostar - 3.0L)
G96I29577Courtesy of FORD MOTOR CO.
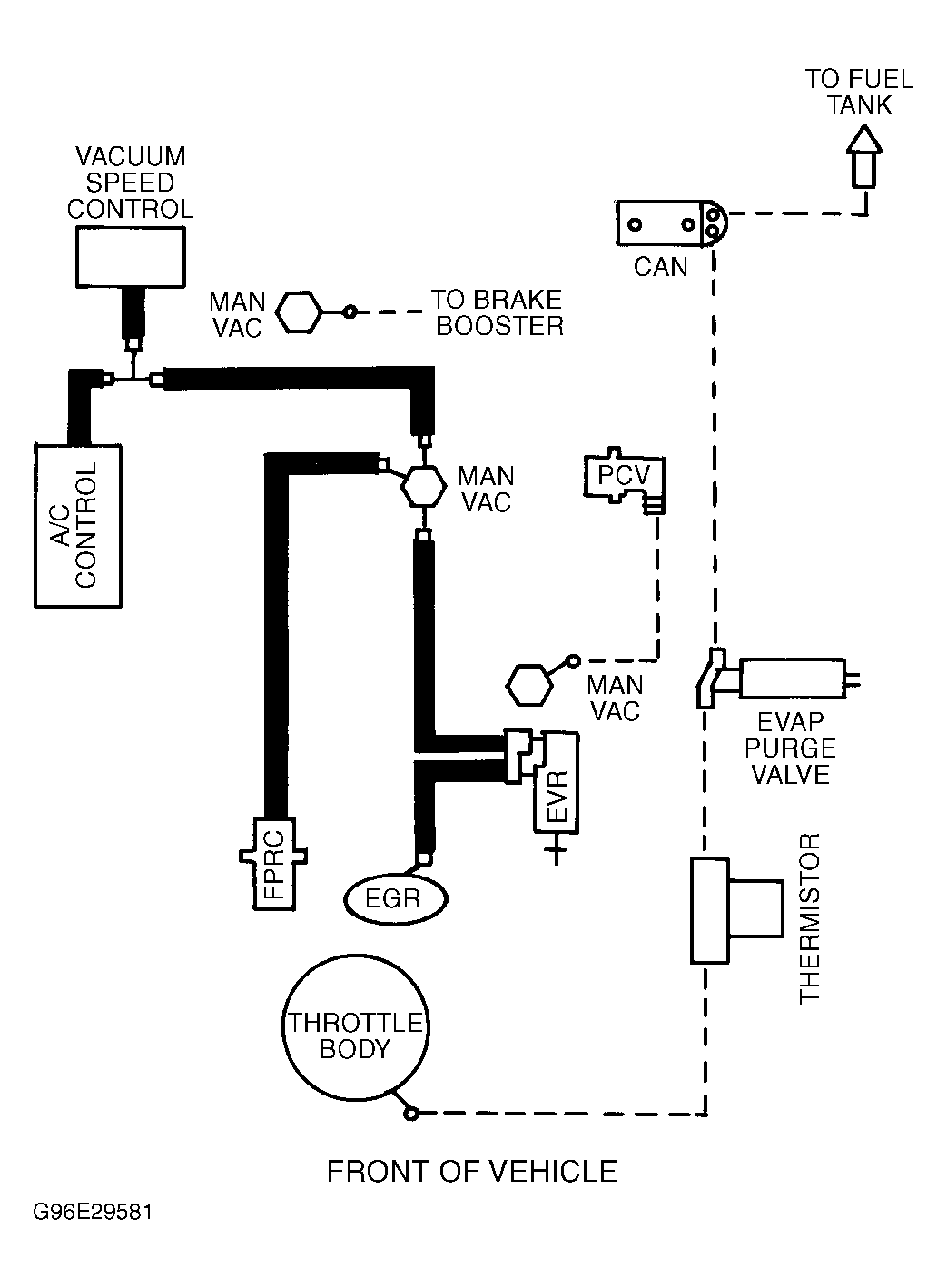
Fig 3: Vacuum Diagram (Aerostar - 4.0L)
G96E29581Courtesy of FORD MOTOR CO.
Fig 4: Vacuum Diagram (Bronco, F-150 & F-250 - 5.0L - Canada & 49-States)
G96C29589Courtesy of FORD MOTOR CO.
Fig 5: Vacuum Diagram (Bronco, F-150 & F-250 - 5.0L - 50-States)
G96F29590Courtesy of FORD MOTOR CO.
Fig 6: Vacuum Diagram (Bronco, F-150, F-250 Under 8500 GVWR & F-350 - 5.8L - 50-States)
G96J29594Courtesy of FORD MOTOR CO.
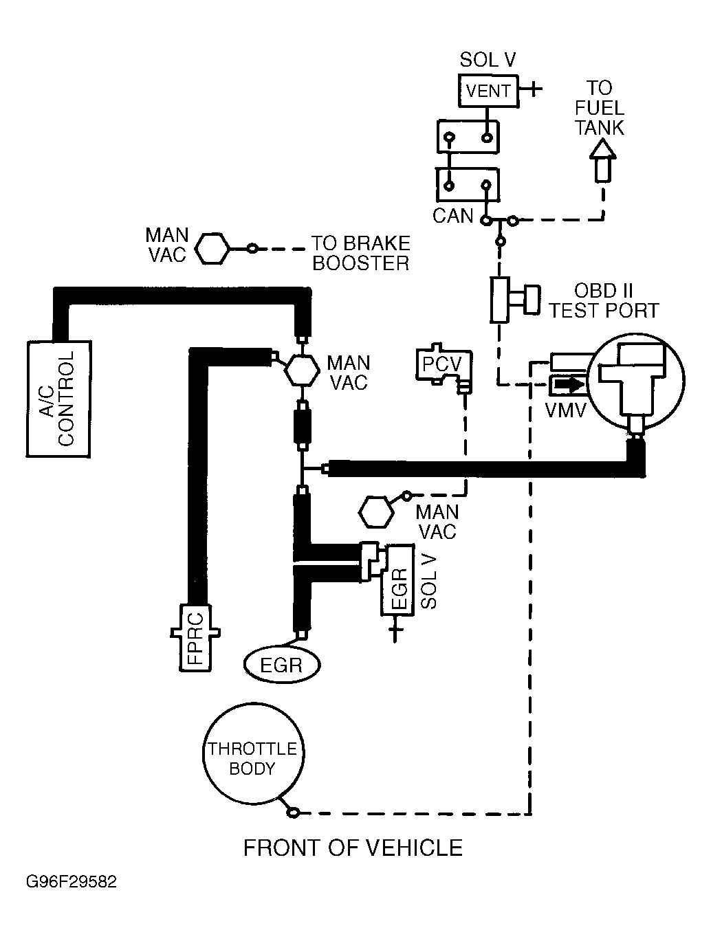
Fig 7: Vacuum Diagram (Explorer - 4.0L)
G96F29582Courtesy of FORD MOTOR CO.
Fig 8: Vacuum Diagram (Explorer - 5.0L)
G96I29593Courtesy of FORD MOTOR CO.
Fig 9: Vacuum Diagram (F-150 & F-250 Under 8500 GVWR - 4.9L)
G96J29586Courtesy of FORD MOTOR CO.
Fig 10: Vacuum Diagram (F-250 Over 8500 GVWR & F-350 - 4.9L)
G96A29587Courtesy of FORD MOTOR CO.
Fig 11: Vacuum Diagram (F-250 Over 8500 GVWR, F-350 - Canada & 49-States & Van - 5.8L - Heavy Duty)
G96A29595Courtesy of FORD MOTOR CO.
Fig 12: Vacuum Diagram (F-250, F-350 & Van - 7.3L Turbo Diesel)
G98E01515Courtesy of FORD MOTOR CO.
Fig 13: Vacuum Diagram (F-250, F-350 & Van - 7.5L - Medium-Duty)
G96E29599Courtesy of FORD MOTOR CO.
Fig 14: Vacuum Diagram (F-250, F-350 & Van - 7.5L - Heavy-Duty - Canada & 49-States)
G96C29597Courtesy of FORD MOTOR CO.
Fig 15: Vacuum Diagram (F-250, F-350 & Van - 7.5L - Heavy-Duty - 50-States)
G96H29600Courtesy of FORD MOTOR CO.
Fig 16: Vacuum Diagram (Ranger - 2.3L)
G96H29576Courtesy of FORD MOTOR CO.
Fig 17: Vacuum Diagram (Ranger - 3.0L)
G96J29578Courtesy of FORD MOTOR CO.
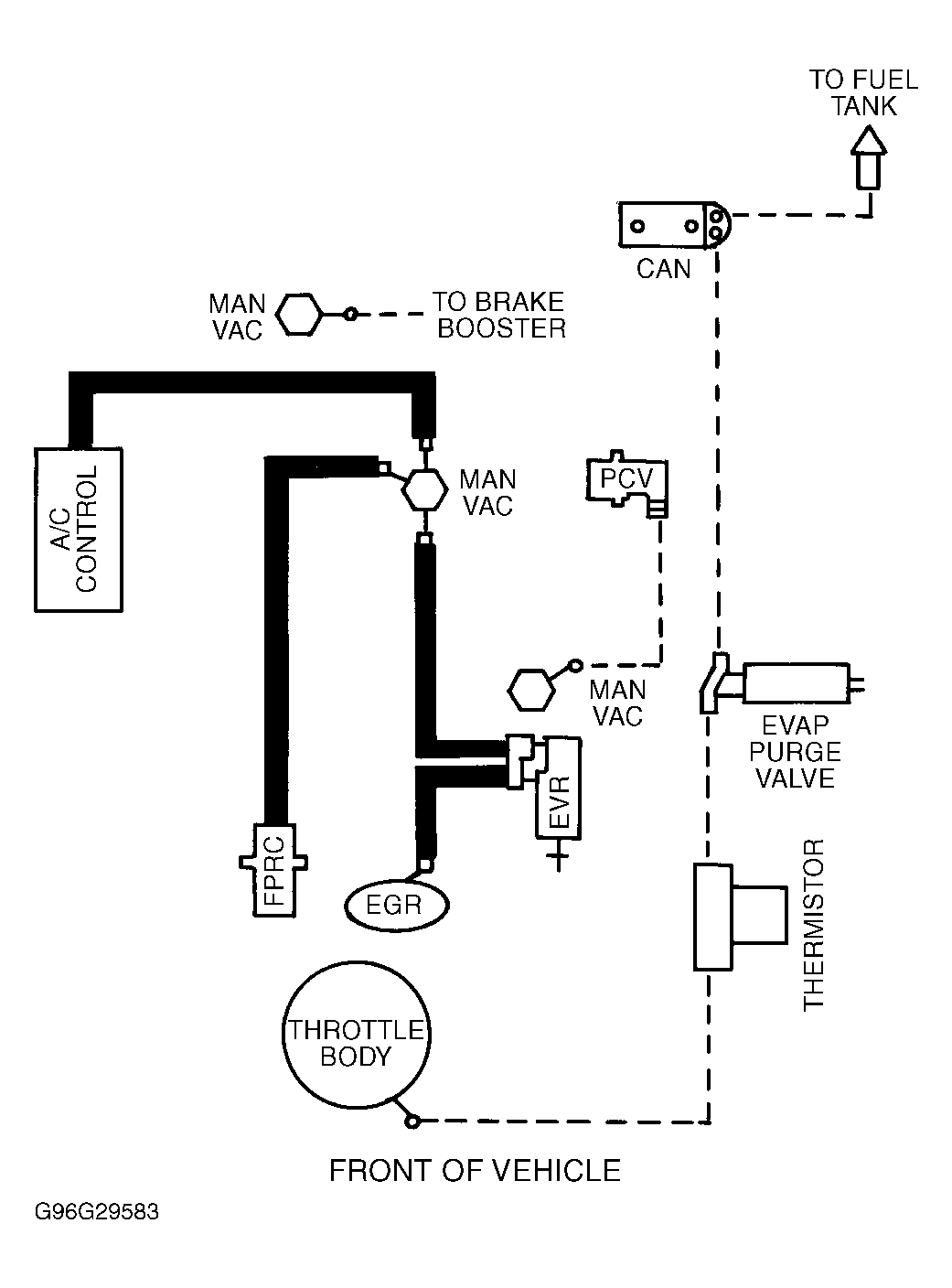
Fig 18: Vacuum Diagram (Ranger - 4.0L)
G96G29583Courtesy of FORD MOTOR CO.
Fig 19: Vacuum Diagram (F-350 & Van - 7.5L - Super-Duty)
G96D29598Courtesy of FORD MOTOR CO.
Fig 20: Vacuum Diagram (Van - 4.9L)
G96B29588Courtesy of FORD MOTOR CO.
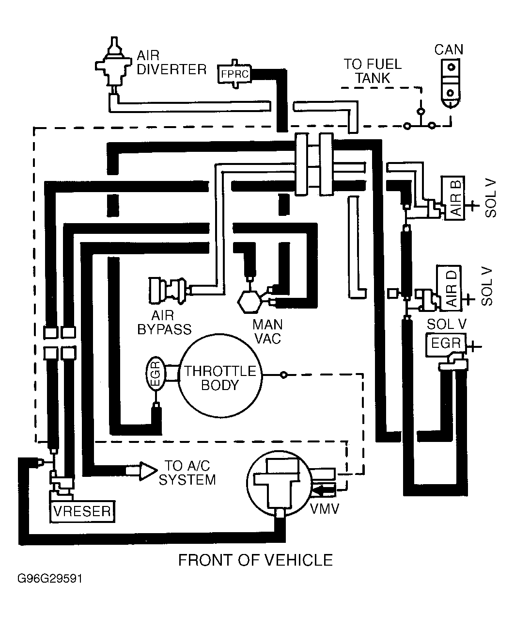
Fig 21: Vacuum Diagram (Van - 5.0L - Canada & 49-States)
G96G29591Courtesy of FORD MOTOR CO.
Fig 22: Vacuum Diagram (Van - 5.0L - 50-States)
G96H29592Courtesy of FORD MOTOR CO.
Fig 23: Vacuum Diagram (Van - 5.8L - Light & Medium Duty)
G96B29596Courtesy of FORD MOTOR CO.
Fig 24: Vacuum Diagram (Windstar - 3.0L)
G96A29579Courtesy of FORD MOTOR CO.
Fig 25: Vacuum Diagram (Windstar - 3.8L)
G96D29580Courtesy of FORD MOTOR CO.