lemon-mirror:
Home >> Honda >> 2012 >> Ridgeline RT >> Repair and Diagnosis >> Engine Mechanical >> Mechanical >> Engine Assembly >> Engine Installation

Engine Installation

Special Tools Required 

  1. Install the engine mount brackets and the accessory brackets, then tighten their bolts to the specified torque.
    Fig 1: Engine Replacement Components With Torque Specifications
    G05963954Courtesy of AMERICAN HONDA MOTOR CO., INC.
  2. Position the engine/transmission assembly under the vehicle. Be sure that they are properly aligned. Carefully lower the vehicle until the engine and transmission are properly positioned in the engine compartment. Make sure the vehicle is not resting on any part of the engine or transmission. Lift and support the engine/transmission (A) and carefully raise the engine/transmission assembly into place.
    NOTE: Reinstall the mounting bolts/support nuts in the sequence given in the following steps. Failure to follow this sequence may cause excessive noise, vibration, and reduce engine mount life.
    Fig 2: Lifting Engine
    G05963955Courtesy of AMERICAN HONDA MOTOR CO., INC.
  3. Remove the service caps (A) for the front damper flange nuts from the cowl cover (B). Position the engine hanger adapters (VSB02C000024) with the "FRONT" mark facing forward over the damper flange nuts.
    Fig 3: Identifying Service Caps
    G05963956Courtesy of AMERICAN HONDA MOTOR CO., INC.
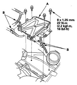
  4. Install the side engine mount mounting bolts into the upper half of the side engine mount bracket. Tighten the bolts to the specified torque.
    Fig 4: Engine Mount Bracket Mounting Bolts With Torque Specifications
    G05963957Courtesy of AMERICAN HONDA MOTOR CO., INC.
  5. Install the engine balance bar (VSB02C000019); attach the front arm (A) to the front cylinder head with a spacer (B) and a 10 x 1.25 mm bolt (C), remove the rear arm from the balance bar, and install the 2008 V6 attachment arm (SIL02C000033), then attach the 2008 V6 attachment arm to the rear cylinder head with a 8 x 1.25 mm bolt (D).
    Fig 5: Attaching Front Arm To Front Cylinder Head With Spacer
    G05963958Courtesy of AMERICAN HONDA MOTOR CO., INC.
  6. Install the engine support hanger (AAR-T1256) onto the vehicle as shown, and attach the hook to the slotted hole in the engine hanger balance bar. Tighten the wing nut (E) by hand, and lift and support the engine/transmission.
    NOTE: Be careful when working around the windshield.
  7. Using the front subframe adapter (EQS02BMDXSB0) and a jack, raise the front subframe up to the body.
    Fig 6: Lifting Front Subframe With Torque Specifications
    G00511478Courtesy of AMERICAN HONDA MOTOR CO., INC.
  8. Loosely install the new front subframe mounting bolts (four) (A), the 12 x 1.25 mm bolts (six) (B, C), and the stiffeners (D).
  9. Loosely tighten the right rear subframe mounting bolt (A); insert the frame positioning guide pin through the positioning slot (B) on the rear stiffener, through the positioning hole (C) on the subframe, and into the positioning hole (D) on the body, then tighten the subframe mounting bolt.
    Fig 7: Identifying Front Subframe Mark Location
    G00511479Courtesy of AMERICAN HONDA MOTOR CO., INC.
  10. Loosely tighten the left rear subframe mounting bolt in the same manner in step  7.
  11. Loosely tighten the right and left front subframe mounting bolts.
  12. Loosen the right rear mounting bolt, then tighten the bolt to the specified torque with putting the guide pin into the positioning hole.
  13. Tighten the left rear mounting bolt to the specified torque with putting the guide pin into the positioning hole.
  14. Tighten the right and left front mounting bolts to the specified torque.
  15. Check that the positioning holes and slot are aligned using the guide pin.
  16. Tighten the rear and front stiffener mounting bolts to the specified torque.
  17. Install the bolt retainers on both ends of the subframe.
    Fig 8: Bolt Retainers With Torque Specifications
    G05963961Courtesy of AMERICAN HONDA MOTOR CO., INC.
  18. Remove the jack and front subframe adapter.
  19. Tighten the transmission lower rear mount nuts (A) and the transmission lower front mount nuts (B).
    Fig 9: Transmission Lower Front And Rear Mount Nuts With Torque Specifications
    G05963962Courtesy of AMERICAN HONDA MOTOR CO., INC.
  20. Tighten the rear engine mount mounting bolts.
    Fig 10: Rear Mount Bolts With Torque Specifications
    G05963963Courtesy of AMERICAN HONDA MOTOR CO., INC.
  21. Lower the vehicle on the lift.
  22. Tighten the front engine mount bolt (A), then install the front engine mount stop (B).
    Fig 11: Front Mount Stop And Bolt With Torque Specifications
    G05963964Courtesy of AMERICAN HONDA MOTOR CO., INC.
  23. Loosen the mounting bolts for the upper half of the side engine mount bracket, then tighten them to the specified torque.
    Fig 12: Engine Mount Bracket Bolts With Torque Specifications
    G05963965Courtesy of AMERICAN HONDA MOTOR CO., INC.
  24. Remove the engine hanger and balance bar.
  25. Raise the vehicle on the lift.
  26. Install the A/C compressor.
  27. Connect the power steering hose (A), then install the power steering hose on the clamp (B).
    Fig 13: Identifying P/S Hose Clamp And Power Steering (P/S) Hose
    G05963967Courtesy of AMERICAN HONDA MOTOR CO., INC.
  28. Connect the power steering pressure switch connector.
    Fig 14: Identifying Power Steering Pressure Switch Connector
    G05963968Courtesy of AMERICAN HONDA MOTOR CO., INC.
  29. Install the transfer assembly (see TRANSFER ASSEMBLY INSTALLATION ).
  30. Install the propeller shaft onto the transfer shaft flange (see PROPELLER SHAFT INSTALLATION ).
  31. Install a new set ring on the end of each driveshaft, then install the driveshafts. Make sure each ring "clicks" into place in the differential and intermediate shaft.
  32. Connect the suspension lower arms to the knuckles (see STABILIZER LINK REMOVAL/INSTALLATION ).
  33. Connect the stabilizer links (see STABILIZER LINK REMOVAL/INSTALLATION ).
  34. Connect the tie-rod end ball joints to the knuckles (see step 26 on WHEEL BEARING REPLACEMENT ).
  35. 2009 - 2011 models: Install the exhaust pipe A using new gaskets (B) and new self-locking nuts (C).
    Fig 15: Exhaust Pipe And Self-Locking Nuts With Gaskets With Torque Specifications
    G05963969Courtesy of AMERICAN HONDA MOTOR CO., INC.
  36. 2012 model: Install the exhaust pipe A using new gaskets (B) and new self-locking nuts (C).
    Fig 16: Identifying Exhaust Pipe A, Gaskets & Self-Locking Nuts ('12 Model)
    G00511480Courtesy of AMERICAN HONDA MOTOR CO., INC.
  37. 2012 model: Connect the front secondary HO2S connector (D).
  38. Install the front subframe stiffener.
    Fig 17: Identifying Front Subframe Stiffener With Bolts
    G05963970Courtesy of AMERICAN HONDA MOTOR CO., INC.
  39. Install the front splash shield (see FRONT SPLASH SHIELD REPLACEMENT ).
    Fig 18: Identifying Splash Shield With Bolts
    G05963971Courtesy of AMERICAN HONDA MOTOR CO., INC.
  40. Install the front wheels.
  41. Lower the vehicle on the lift.
  42. Install the radiator (see RADIATOR AND FAN REPLACEMENT ).
  43. Connect the upper radiator hose (A) and the lower radiator hose (B).
    Fig 19: Identifying Upper And Lower Radiator Hose
    G05963972Courtesy of AMERICAN HONDA MOTOR CO., INC.
  44. Install the heater hoses.
    Fig 20: Identifying Heater Hoses
    G05963973Courtesy of AMERICAN HONDA MOTOR CO., INC.
  45. Install the automatic transmission fluid (ATF) cooler hoses to the transmission, and secure the hoses with the clips (see ATF COOLER HOSE REPLACEMENT ).
    Fig 21: Identifying Automatic Transmission Fluid Cooler Hoses
    G05963974Courtesy of AMERICAN HONDA MOTOR CO., INC.
  46. Install the connector bracket to the front cylinder head.
    Fig 22: Identifying Connector Bracket Blots
    G05963975Courtesy of AMERICAN HONDA MOTOR CO., INC.
  47. Install the harness clamp bracket to the rear cylinder head.
    Fig 23: Harness Clamp Bracket Bolt With Torque Specifications
    G05963976Courtesy of AMERICAN HONDA MOTOR CO., INC.
  48. Install the power steering pump outlet hose (A) with a new O-ring (B), and connect the power steering pump inlet hose (C).
    Fig 24: P/S Pump Inlet And Outlet Hose With Torque Specifications
    G05963977Courtesy of AMERICAN HONDA MOTOR CO., INC.
  49. Install the P/S hose clamp (D) to the cylinder head.
  50. Install the drive belt (see DRIVE BELT INSPECTION ).
  51. Connect the PCM connectors (B), then install the harness clamps (A).
    Fig 25: Identifying Powertrain Control Module Connectors
    G05963978Courtesy of AMERICAN HONDA MOTOR CO., INC.
  52. Install the PCM cover.
    Fig 26: Installing PCM Cover
    G05963979Courtesy of AMERICAN HONDA MOTOR CO., INC.
  53. Install the coolant reservoir tank to the bracket.
  54. Install the alternator cable (A) to the under-hood fuse/relay box.
    Fig 27: Identifying Alternator Cable And Harness Connectors
    G05963980Courtesy of AMERICAN HONDA MOTOR CO., INC.
  55. Connect the harness connectors (B).
  56. Align the reference mark (A) on the steering joint and steering gearbox pinion shaft. Connect the steering joint (B) to the steering gearbox pinion shaft (C). Tighten the steering joint bolt.
    Fig 28: Aligning Mark On Steering Joint And Steering Gearbox Pinion Shaft With Torque Specifications
    G05963981Courtesy of AMERICAN HONDA MOTOR CO., INC.
  57. Install the steering joint cover (D).
  58. Remove the steering wheel holder tool (A).
    Fig 29: Identifying Steering Wheel Holder Tool (A)
    G00511475Courtesy of AMERICAN HONDA MOTOR CO., INC.
  59. Install the transfer breather tube box (A) and the brake booster vacuum hose (B).
    Fig 30: Identifying Transfer Breather Tube Box And Brake Booster Vacuum Hose
    G05963982Courtesy of AMERICAN HONDA MOTOR CO., INC.
  60. Connect the EVAP canister hose (C), then install the EVAP purge joint (D).
  61. Connect the fuel feed hose (A) (see FUEL LINE/QUICK-CONNECT FITTING INSTALLATION ), then install the quick-connect fitting cover (B).
    Fig 31: Connecting Fuel Feed Hose
    G05963983Courtesy of AMERICAN HONDA MOTOR CO., INC.
  62. Install the shift cable (see step 61 on TRANSMISSION INSTALLATION ).
  63. Install the starter motor cable (A), the harness clamps (B) and the ground cable (C).
    Fig 32: Starter Motor Cable, Harness Clamps And Ground Cable With Torque Specifications
    G05963984Courtesy of AMERICAN HONDA MOTOR CO., INC.
  64. Install the battery base (A), then install the harness clamps (B).
    Fig 33: Harness Clamps And Battery Base With Torque Specifications
    G05963985Courtesy of AMERICAN HONDA MOTOR CO., INC.
  65. Install the air intake duct (A), then install the breather pipe (B).
    Fig 34: Identifying Air Intake Duct And Breather Pipe
    G05963986Courtesy of AMERICAN HONDA MOTOR CO., INC.
  66. Install the engine cover.
    Fig 35: Identifying Engine Cover
    G05963987Courtesy of AMERICAN HONDA MOTOR CO., INC.
  67. Install the bulkhead cover (see FRONT BULKHEAD COVER REPLACEMENT ).
  68. Install the service caps on the cowl cover.
  69. Do the battery installation procedure (see BATTERY REMOVAL AND INSTALLATION ).
  70. Inspect for fuel leaks. Turn the ignition switch to ON (II) (do not operate the starter) so the fuel pump runs for about 2 seconds and pressurizes the fuel line. Repeat this operation two or three times, then check for fuel leakage at any point in the fuel line.
  71. Refill the engine oil (see ENGINE OIL LEVEL CHECK ).
  72. Refill the transmission with ATF (see ATF REPLACEMENT ).
  73. Move the shift lever to each gear, and verify that the A/T gear position indicator follows the transmission range switch.
  74. Refill the radiator with engine coolant, and bleed the air from the cooling system with the heater valve open (see step 9 on COOLANT REPLACEMENT ).
  75. Refill the reservoir with the power steering fluid. Do the power steering system bleeding procedure (see FLUID REPLACEMENT ).
  76. Do the PCM reset procedure (see GENERAL TROUBLESHOOTING INFORMATION ).
  77. Do the crankshaft position (CKP) pattern clear/CKP pattern learn procedure (see CKP PATTERN CLEAR/CKP PATTERN LEARN ).
  78. Inspect the idle speed (see IDLE SPEED INSPECTION ).
  79. Inspect the ignition timing (see IGNITION TIMING INSPECTION ).
  80. Check the wheel alignment (see WHEEL ALIGNMENT ).