lemon-mirror:
Home >> Jeep >> 2005 >> Wrangler X, Automatic >> Repair and Diagnosis >> Suspension >> Wheel Alignment >> Suspension System >> Wheel Alignment >> Standard Procedure >> Toe Position

Toe Position

Before each alignment reading the vehicle should be jounced (rear first, then front). Grasp each bumper at the center and jounce the vehicle up and down three times. Always release the bumper in the down position.

NOTE: The wheel toe position adjustment is the final adjustment. This adjustment must be performed with the engine running, if the vehicle is equipped with power steering.
  1. Start the engine and turn wheels both ways before straightening the steering wheel. Center and secure the steering wheel.
  2. Loosen the adjustment sleeve clamp bolts. See Fig 1.
  3. Adjust the right wheel toe position with the drag link. See Fig 2. Turn the sleeve until the right wheel is at the correct positive TOE-IN position. Position the clamp bolts as shown and tighten to 49 N.m (36 ft. lbs.). See Fig 1.Make sure the toe setting does not change during clamp tightening. 
    Fig 1: Drag Link and Tie Rod Clamp
    GC0029906Courtesy of DAIMLERCHRYSLER CORP.
    1 - TIE ROD CLAMP
    2 - DRAG LINK CLAMPS
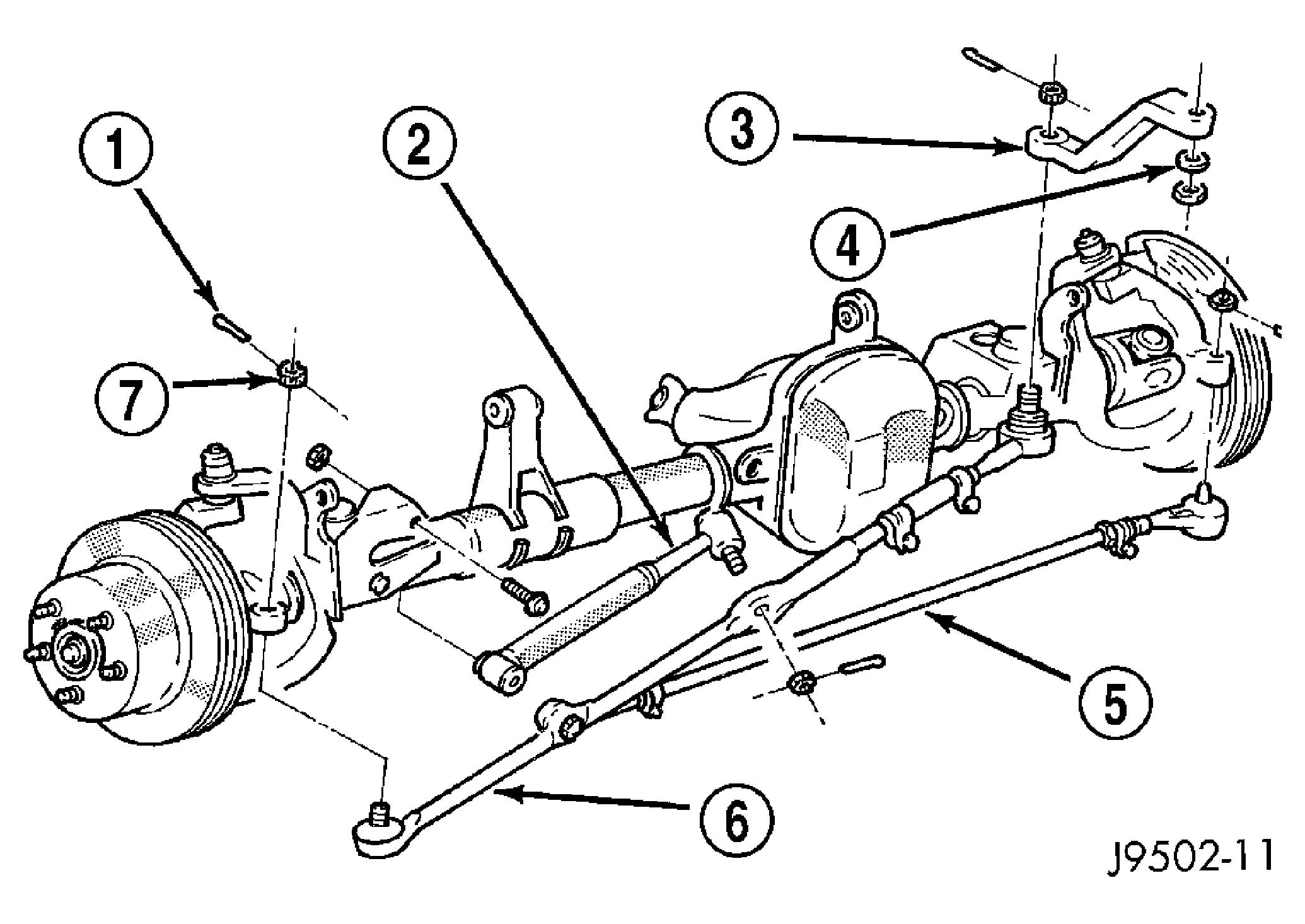
    Fig 2: Steering Linkage
    GC0029907Courtesy of DAIMLERCHRYSLER CORP.
    1 - COTTER PIN
    2 - DAMPENER
    3 - PITMAN ARM
    4 - WASHER
    5 - TIE ROD
    6 - DRAG LINK
    7 - NUT
  4. Adjust the left wheel toe position with the tie rod. Turn the sleeve until the left wheel is at the same TOE-IN position as the right wheel. Position the clamp bolts as shown and tighten to 27 N.m (20 ft. lbs.). See Fig 1. Make sure the toe setting does not change during clamp tightening. 
  5. Verify the right toe specifications and turn off the engine.