lemon-mirror:
Home >> Jeep >> 2007 >> Liberty Limited, RWD >> Repair and Diagnosis >> Electrical >> Component Locations >> Electrical Component Locator >> Circuit Protection Devices

Circuit Protection Devices

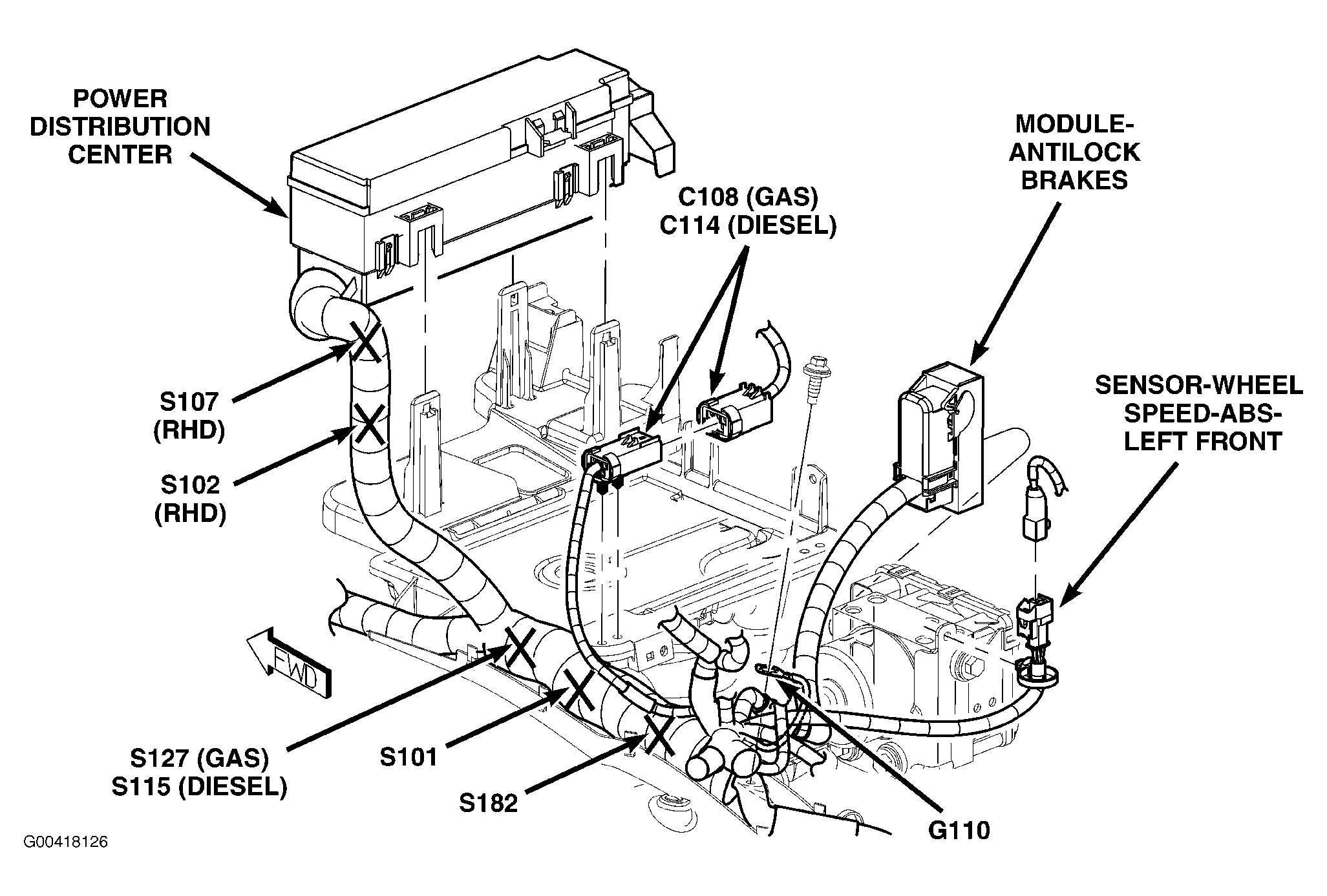
CIRCUIT PROTECTION DEVICES LOCATION

Component Location
Circuit Breaker No. 1 Junction block. See Figure.
Circuit Breaker No. 3 Junction block. See Figure.
Junction Block Left side of dash.
Power Distribution Center Left side of engine compartment. See Figure.