lemon-mirror:
Home >> Pontiac >> 2009 >> Torrent Base, AWD >> Repair and Diagnosis >> Electrical >> Component Locations >> Electrical Component Locator >> Control Units

Control Units

CONTROL UNITS LOCATION

Component Location
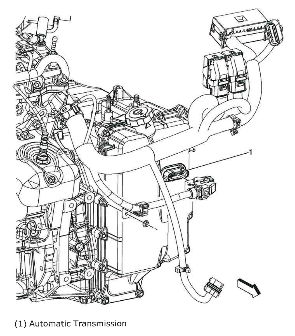
Automatic Transmission Lower left side of engine compartment. See Figure.
Blower Motor Control Module Under right side of dash, near blower motor. See Figure.
Body Control Module (BCM) Center of dash, behind HVAC control module. See Figure.
Electronic Brake Control Module (EBCM) Below brake master cylinder. See Figure.
Electronic Compass Module In front of headliner. See Figure.
Electronic Power Steering (EPS) Module Lower left side of steering column. See Figure.
Engine Control Module (ECM) Mounted on top of battery cover. See Figure.
Heated Seat Control Module Under right front seat. See Figure.
HVAC Control Module At center of dash. See Figure.
Ignition Control Module (ICM) At top right rear of engine. See Figure.
Inflatable Restraint I/P Module Right side of dash. See Figure.
Inflatable Restraint Passenger Presence (PPS) Module Under passenger seat. See Figure.
Inflatable Restraint Roof Rail Module - Left Behind left headliner, above left doors. See Figure.
Inflatable Restraint Roof Rail Module - Right Behind right headliner, above right doors. See Figure.
Inflatable Restraint Sensing & Diagnostic Module (SDM) Under rear of center console. See Figure.
Inflatable Restraint Steering Wheel Module In center of steering wheel. See Figure.
Infrared Transmitter Module In front of DVD screen assembly.
Rear Differential Clutch Control Module On top rear of rear differential. See Figure.
Remote Control Door Lock Receiver (RCDLR) On right "C" pillar. See Figure.
Sunroof Control Module Right rear of sunroof module assembly. See Figure.
Theft Deterrent Module Near top of steering column. See Figure.
Transmission Control Module (TCM) Top rear of transmission. See Figure.
Vehicle Communication Interface Module (VCIM) Attached to brake pedal bracket. See Figure.