lemon-mirror:
Home >> Acura >> 2002 >> 3.2CL Base >> Repair and Diagnosis >> Engine Mechanical >> Mechanical >> 3.2L V6 Engine >> Testing >> VTEC Rocker Arm Test

VTEC Rocker Arm Test

  1. Remove the strut brace. See Figure.
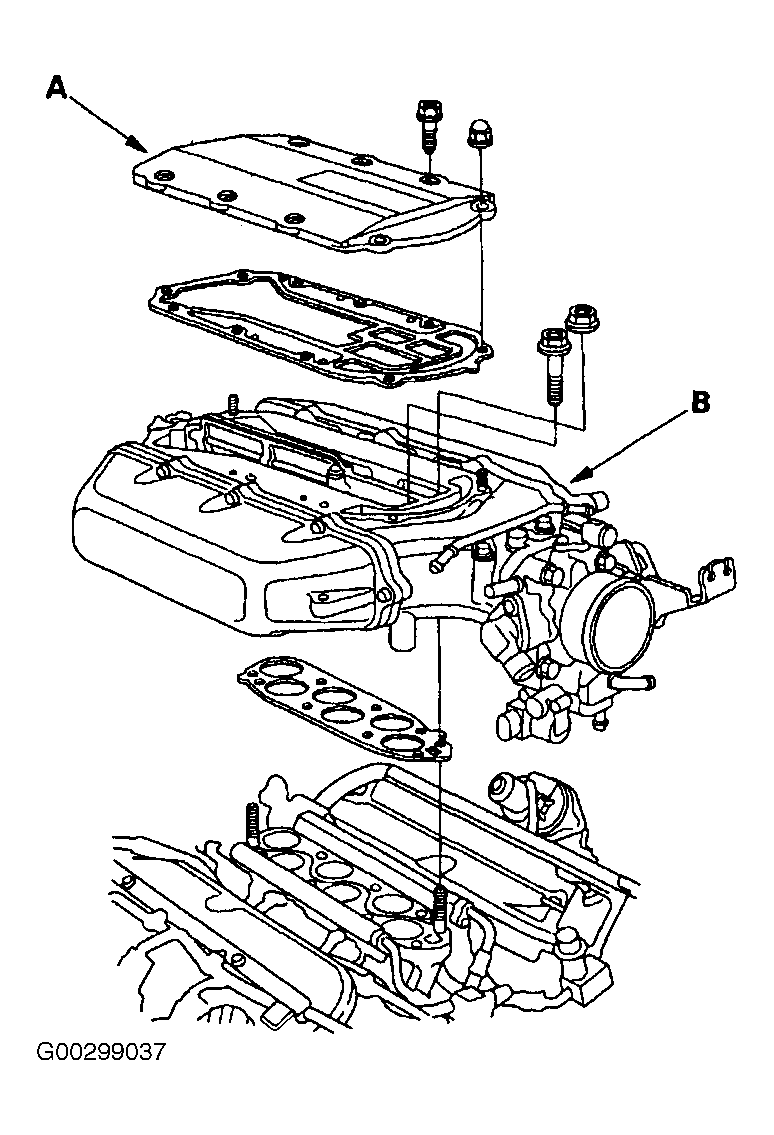
  2. Remove the intake manifold cover (A) and ignition coil cover (B). See Figure.
  3. Remove the water bypass hoses (A). Disconnect the TCS control actuator connector (B) and TCS control valve angle sensor connector (C) from the TCS control valve assembly, then remove the bolt (D) securing the TCS control valve bracket (J32A2 engine (A/T)). See Figure.
  4. Remove the EVAP canister hose (A). See Figure.
  5. Remove the vacuum hose (B) and breather pipe (C), then remove the intake air duct (D).
  6. Remove the throttle cable (A) and cruise control cable (B) by loosening the locknuts (C), then slipping the cable ends out of the accelerator linkage. See Figure. Take care not to bend the cables when removing them. Always replace any kinked cable with a new one.
  7. Remove the breather hose (A) and water bypass hose (B). See Figure.
  8. Remove the brake booster vacuum hose (A), vacuum hoses (B), and Positive Crankcase Ventilation (PCV) hose (C). See Figure.
  9. Remove the P/S hose clamp (A). See Figure. Disconnect the IMRC actuator connector (B), then remove the IMRC actuator (C) (J32A2 engine).
  10. Remove two bolt securing the wire harness holder. See Figure.
  11. Remove the following engine wire harness connectors and wire harness clamps from the intake manifold;
    • IAT sensor connector.
    • IAC valve connector.
    • TP sensor connector.
    • MAP sensor connector.
  12. Remove the upper cover (A), then remove the intake manifold (B). See Figure.
  13. Remove the cylinder head covers.
  14. Set the No. 1 piston at TDC. See step  14 under VALVE CLEARANCE under ADJUSTMENTS.
  15. Push on the intake mid rocker arm (A) for the No. 1 cylinder. See Fig 1. The mid rocker arm should move independently of the primary rocker arm (B) and secondary rocker arm (C).
    • If the intake mid rocker arm does not move, remove the mid, primary, and secondary intake rocker arms as an assembly, and check that the pistons in the mid and primary rocker arms move smoothly. If any rocker arm needs replacing, replace the primary, mid and secondary rocker arms as an assembly, and retest.
    • If the mid rocker arm moves freely, go to step next step.
  16. Repeat step  15 on the remaining intake mid rocker arms with each piston at TDC. When all the mid rocker arms pass the test, go to step next step.
  17. Check that the air pressure on the shop air compressor gauge indicates over 100 PSI (690 kPa).
  18. Inspect the valve clearance. See VALVE CLEARANCE  under ADJUSTMENTS.
  19. Cover the timing belt with a shop towel to protect the belt.
  20. Remove the 2 end intake rocker shaft mounting bolts, then install and connect the air regulator, VTEC air adapter, VTEC air stopper, and an air pressure regulator with a 0-100 psi gauge (A). See Fig 2.
  21. NOTE: If the synchronizing pistons A and B do not move after applying air pressure, move the primary or secondary rocker arm up and down manually.
  22. Loosen the valve on the regulator, and apply air pressure of 64-78 psi (440-540 kPa).
  23. Make sure that the intake primary rocker arm (A) and intake secondary rocker arm (B) are mechanically connected by the piston and that the mid rocker arm (C) does not move when pushed manually. See Fig 1. If any intake mid rocker arm moves independently of the primary and secondary rocker arms, replace the rocker arms as a set.
  24. Remove the tools.
  25. Check for smooth operation of each lost motion assembly. See ROCKER ARMS & SHAFTS INSPECTION  under ROCKER ARM ASSEMBLY in REMOVAL & INSTALLATION. Replace the lost motion assembly if it does not move smoothly.
Fig 1: Pushing On Intake Mid Rocker Arm For No. 1 Cylinder
G00297645Courtesy of AMERICAN HONDA MOTOR CO., INC.
Fig 2: Removing Two End Intake Rocker Shaft Mounting Bolts
G00297646Courtesy of AMERICAN HONDA MOTOR CO., INC.