lemon-mirror:
Home >> Cadillac >> 1990 >> Allante F7/ME9 >> Repair and Diagnosis >> External Pages >> Different car >> Section 28 (Body Computer Module) >> Component Locations

Component Locations

WARNING: This page is about a different car, the 1989 Cadillac Allante. However, it is still accessible from the selected car via links, so may be relevant.
NOTE: For more information, including ground locations, see 1989 ALLANTE - COMPONENT LOCATIONS article.
COMPONENT LOCATIONS

Component Location
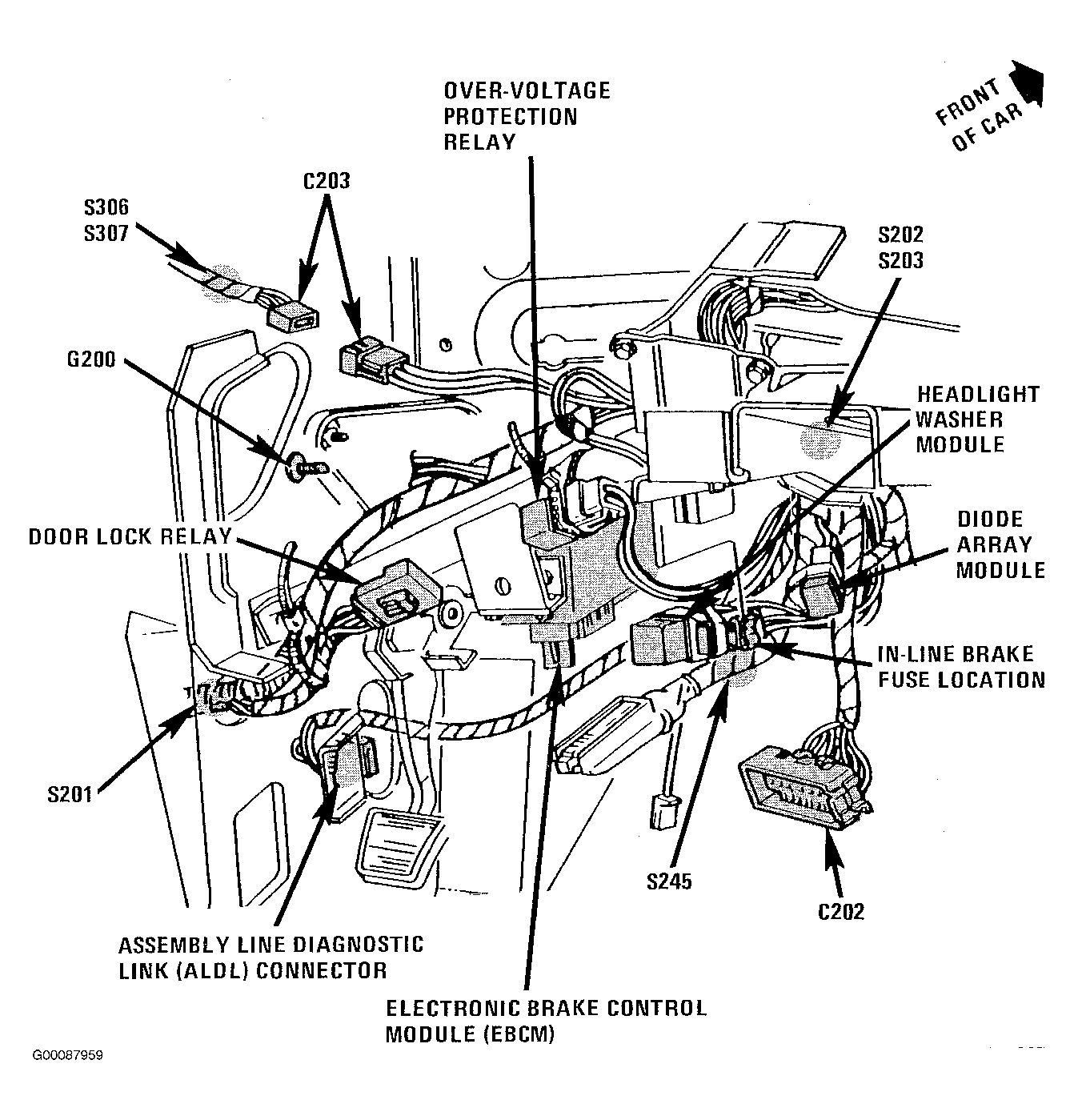
ALDL Connector On Left Shroud, Left Of Park Brake. See Fig 1 .
Body Computer Module Behind Center Of Instrument Panel. See Fig 2 .
Central Power Supply Behind Left Side Of Instrument Panel, Right Of Steering Column. See Fig 3 .
Climate Control & Driver Information Center Center Of Instrument Panel, Ahead Of Console
Coolant Temperature Sensor Top Of Engine, Next To Distributor. See Fig 4 .
Electronic Brake Control Module Behind Left Side Of Instrument Panel, Left Of Steering Column. See Fig 1 .
Engine Control Module (ECM) Behind Right Side Of Instrument Panel, Near Shroud. See Fig 5 .
Engine Metal Temperature Switch Left Rear Of Engine, Near Exhaust Manifold. See Fig 6 .
Electronic Spark Timing (EST) Distributor Left Top Of Engine
Fuse Block In Center Console. See Fig 7 .
Heater & A/C Programer Behind Right Side Of Instrument Panel. See Fig 8 .
Isolated Ground Junction Block Behind Right Seat, Behind Access Panel. See Fig 9 .
Output Switch Module (OSM) No. 2 Left Rear Of Trunk, On Base Of End Panel. See Fig 10 .
Output Switch Module (OSM) No. 3 Left Rear Of Trunk, On Base Of End Panel. See Fig 10 .
Output Switch Module (OSM) No. 4 Right Side Of Trunk, Above Rear Wheel House. See Fig 11 .
Output Switch Module (OSM) No. 5 Right Side Of Trunk, Above Rear Wheel House. See Fig 11 .
Output Switch Module (OSM) No. 6 Right Rear Of Trunk, On Base Of End Panel. See Fig 12 .
Output Switch Module (OSM) No. 7 Right Rear Of Trunk, On Base Of End Panel. See Fig 12 .
Output Switch Module (OSM) No. 9 Under Left Front Head Light. See Fig 13 .
Output Switch Module (OSM) No. 10 Under Left Front Head Light. See Fig 13 .
Output Switch Module (OSM) No. 13 Under Left Front Head Light. See Fig 13 .
RAP Relay No. 1 Behind Right Side Of Instrument Panel, Above Heater & A/C Plenum. See Fig 2 .
RAP Relay No. 2 Behind Right Side Of Instrument Panel, Above Heater & A/C Plenum. See Fig 2 .
Switch Pod, Left In Instrument Panel Cluster
Switch Pod, Right In Instrument Panel Cluster
Theft Deterrent Controller Behind Right Side Of Instrument Panel, Above Heater & A/C Plenum. See Fig 14 .
Vehicle Speed Sensor On Top Of Transaxle. See Fig 15 .
Fig 1: Locating ALDL & Electronic Brake Control Module
G00087959Courtesy of GENERAL MOTORS CORP.
Fig 2: Locating BCM & RAP Relays
G00087967Courtesy of GENERAL MOTORS CORP.
Fig 3: Locating Central Power Supply
G00087957Courtesy of GENERAL MOTORS CORP.
Fig 4: Locating Coolant Temperature Sensor
G00087944Courtesy of GENERAL MOTORS CORP.
Fig 5: Locating ECM
G00087974Courtesy of GENERAL MOTORS CORP.
Fig 6: Locating Engine Metal Temperature Switch
G00087935Courtesy of GENERAL MOTORS CORP.
Fig 7: Locating Fuse Block
G00087969Courtesy of GENERAL MOTORS CORP.
Fig 8: Locating Heater & A/C Programmer
G00087973Courtesy of GENERAL MOTORS CORP.
Fig 9: Locating Isolated Ground Junction Block
G00087976Courtesy of GENERAL MOTORS CORP.
Fig 10: Locating Output Switching Module No. 2 & No. 3
G00087984Courtesy of GENERAL MOTORS CORP.
Fig 11: Locating Output Switching Module No. 4 & No. 5
G00087982Courtesy of GENERAL MOTORS CORP.
Fig 12: Locating Output Switching Module No. 6 & No. 7
G00087983Courtesy of GENERAL MOTORS CORP.
Fig 13: Locating Output Switching Module No. 9, No. 10 & No. 13
G00087948Courtesy of GENERAL MOTORS CORP.
Fig 14: Locating Theft Deterrent Controller
G00087975Courtesy of GENERAL MOTORS CORP.
Fig 15: Locating Vehicle Speed Sensor
G00087939Courtesy of GENERAL MOTORS CORP.