lemon-mirror:
Home >> Chrysler >> 2002 >> Neon LE, Automatic >> Repair and Diagnosis >> Engine Mechanical >> Mechanical >> 2.0L >> Left Mount >> Installation

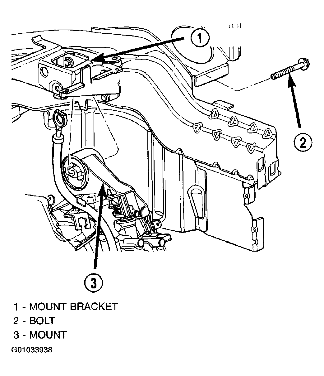
Left Mount: Installation

  1. Install mount and attaching bolts. (Figure or Figure ). Tighten bolts to 68 N.m (50 ft. lbs.).
  2. Install engine mount bracket to body frame rail and tighten fasteners to 28 N.m (250 in. lbs.). (Figure).
  3. Position engine/transaxle for installation of through bolt. Install and tighten through bolt to 118 N.m (87 ft. lbs.). (Figure).
  4. Remove jack from under transaxle.
  5. Install through bolt access plug at left side outer frame rail.
  6. Install left splash shield and wheel.
  7. Connect transaxle shift cable to engine mount and transaxle linkage.