lemon-mirror:
Home >> Chrysler >> 2003 >> PT Cruiser Base, Automatic >> Repair and Diagnosis >> Electrical >> Gauges >> Instrument Panel >> Instrument Panel Assembly >> Installation

Instrument Panel Assembly: Installation

  1. With the help of an assistant, carefully install the instrument panel in the vehicle being careful not to damage the instrument panel or vehicle interior.
  2. Install the four fence line instrument panel retaining bolts (Figure ).
  3. Connect the right side instrument panel wire connectors:
    1. Antenna
    2. Overhead Systems (Figure )
    3. Blower Motor
    4. Left Door Harness
    5. Body Harness
  4. Install the two right side A-pillar, instrument panel retaining bolts and one nut (Figure ).
  5. Place the right end cap in position and snap into place.
  6. Install two screws to the right instrument panel end cap.
  7. Install glove box assembly:
    1. Place glove box assembly in position and make the orientation of the hinge is correct and snap glove box assembly hinge into place (Figure ).
    2. Lift glove box assembly up, push in on the box/bin sides to allow the glove box to pass by the instrument panel.
    3. Close glove box.
    NOTE: The center console wiring is routed underneath the rear floor heat duct. You can maneuver the wiring underneath the rear seat heat duct without removal.
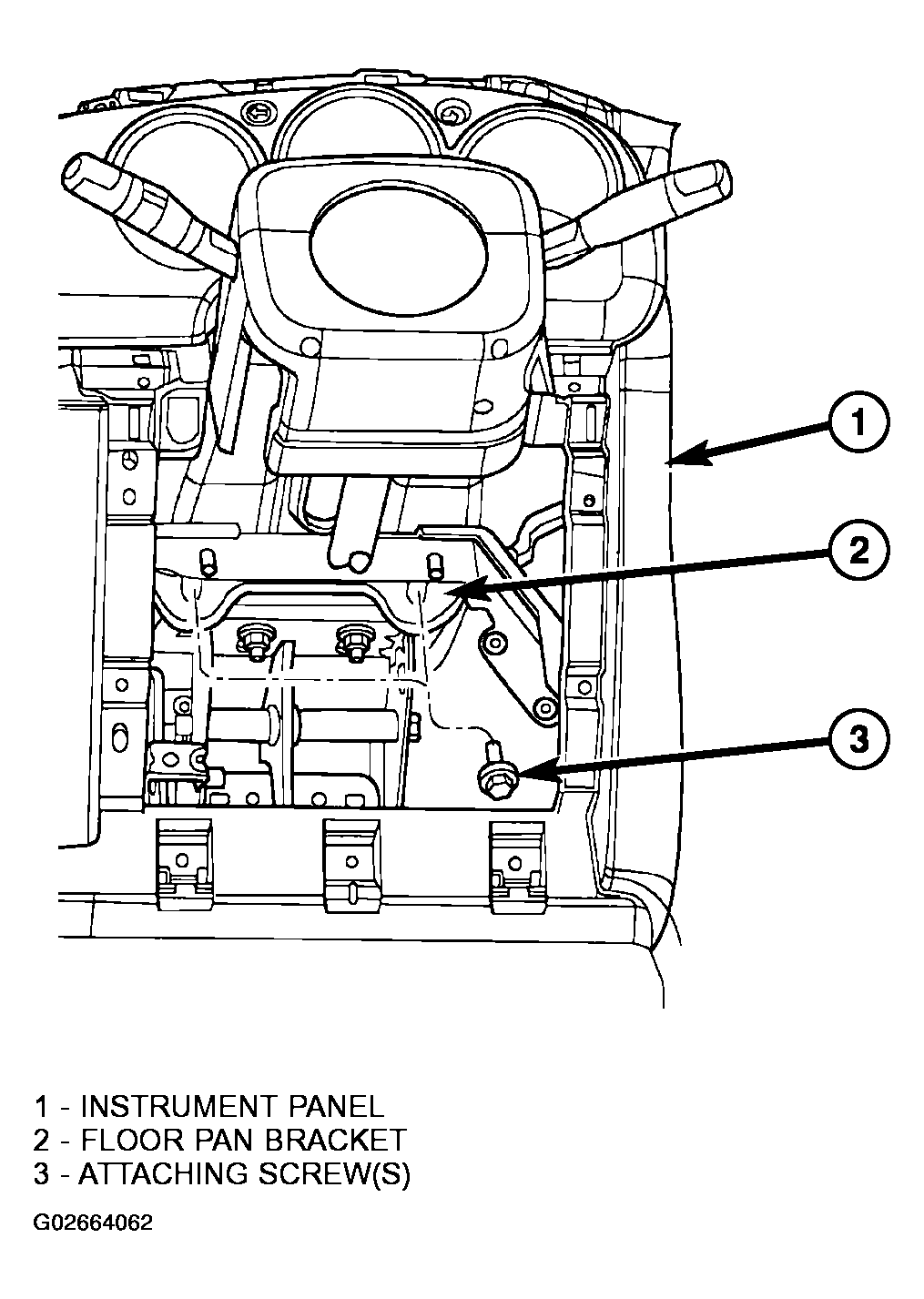
  8. Install two retaining bolts at the right side of the center support bracket (Figure ).
  9. Connect the following two center console wiring connectors:
    1. Occupant Restraint Controller (ORC) connector
    2. Park Brake Switch connector
  10. If equipped with an automatic, install the shifter handle and shifter bezel.
    1. Shifter Bezel  - Connect the illumination lamp, place in position and snap into place.
    2. Shifter Handle  - Place the shifter handle on the shifter assembly, tighten the set screw retaining the shifter handle.
  11. Place front of console into place and then rear over parking brake handle.
  12. Lift up the front of the console and connect one wire connector to console mounted auxiliary power outlet.
  13. Release parking brake handle.
  14. Connect wiring to rear power window switch and snap into rear of center console.
  15. Install four screws to center console.
  16. Install two retaining bolts at the left side of the center support bracket (Figure ).
  17. Install the two left side A-pillar, instrument panel retaining bolts and one nut (Figure ).
  18. Connect the five left side wiring connectors:
    1. Data Link Connector
    2. Two main instrument panel connectors.
    3. Brake Switch
    4. Left Side Body Harness
    5. Left Door Harness
  19. Place the left end cap in position and snap into place.
  20. Install two screws to the left instrument panel end cap.
  21. Install the two brake pedal support bracket, instrument panel retaining bolts (Figure ).
  22. Install steering column:
    1. Place column in instrument panel opening.
    2. Install the four retaining nuts to the steering column.
    3. Install the steering column pinch bolt at the base of the lower coupler.
  23. Connect the steering column wire connectors:
    1. Ignition Switch
    2. Multi-Function Switch
    3. Clockspring
  24. Place steering column cover in position and make sure the orientation of the hinge is correct and snap bezel hinge into place
  25. Rotate steering column cover upward and snap into place.
  26. Place upper and lower steering column shrouds into place and snap together.
  27. Install the two retaining screws to the upper and lower steering column shrouds.
  28. Place HVAC control head into place in instrument panel.
  29. Connect the following onto the HVAC control head:
    1. Two control cables
    2. Vacuum harness connector
    3. One wiring connector
  30. Install the two screws retaining the HVAC control head.
  31. Install the instrument panel top cover.
    1. Place the top cover into place. Line up the fasteners with each slot and firmly snap into place.
    2. Install the two top cover retaining screws.
    3. Place the center bezel into position, lining up the fasteners with the slots and snap into place.
    4. Install the HVAC control knobs.
    5. Install the one center bezel retaining screw.
    6. Connect the harness connector to the front power window switch. Align the front power window switch into the instrument panel center bezel opening and snap into place.
    7. Install the left and right A-pillar trim.
  32. Connect the battery negative cable (Figure ).
  33. Close hood.
  34. Verify vehicle and system operation.