lemon-mirror:
Home >> Buick >> 1999 >> Century Custom >> Repair and Diagnosis >> Body & Frame >> Door Locks >> Remote Keyless Entry Systems >> Component Locations

Component Locations

NOTE: For information on fuses and circuit breakers, see 1999 FUSES & CIRCUIT BREAKERS article.
COMPONENT LOCATIONS

Component Location
Body Control Module Below The Left Side Of Instrument Panel, Left Of Steering Column. See Fig 2
Data Link Connector (DLC) Under Left Side Of Dash, Right Of Steering Column.
Door Lock (Actuator Motor) In Rear Of Door Panel. See Fig 3
Door Lock Relay Behind Instrument Panel Compartment, Attached To Cross-Car Beam. See Fig 4
Fuse Block In Right Side Of Instrument Panel, In Right Front Door Opening. See Fig 5
Rear Compartment Lid Lock Release Actuator Mounted To Rear Compartment Lid, Near Latch. See Fig 6
Rear Compartment Lid Release Relay Behind Instrument Panel Compartment, Attached To Underside Of The Cross-Car Beam. See Fig 7
Remote Control Door Lock Receiver (RCDLR) On Left Side Of Instrument Panel, On Shelf Behind Instrument Cluster. See Fig 8
C200 (56 cavities) In Instrument Panel Wiring Harness To Body Wiring Harness, Behind Right Side Of The Instrument Panel. See Fig 4
C301 (16 cavities) In Body Wiring Harness To Left Front Door Wiring Harness, In A-Pillar. See Fig 9
C302 (16 cavities) In Body Wiring Harness To Right Front Door Wiring Harness, In A-Pillar. See Fig 10
C351 (10 cavities) In Body Wiring Harness To Left Rear Door Wiring Harness, In B-Pillar. See Fig 3
C352 (10 cavities) In Body Wiring Harness To Right Rear Door Wiring Harness, In B-Pillar. See Fig 3
C410 (8 cavities) In Body Wiring Harness To Rear Compartment Lid wiring Harness, Right Side Of Trunk, Above Wheel Well. See Fig 11
G200 Behind The Right Side Of Instrument Panel Compartment. See Fig 4
G201 Below Instrument Panel, The Left side Of Steering Column
G203 Below Instrument Panel, Right Side Of Steering Column. See Fig 12
G402 Inside Rear Compartment, Below Right Side Of Rear Window Trim Panel. See Fig 13
P430 On Lower Right Side Of Rear Compartment Lid. See Fig 11
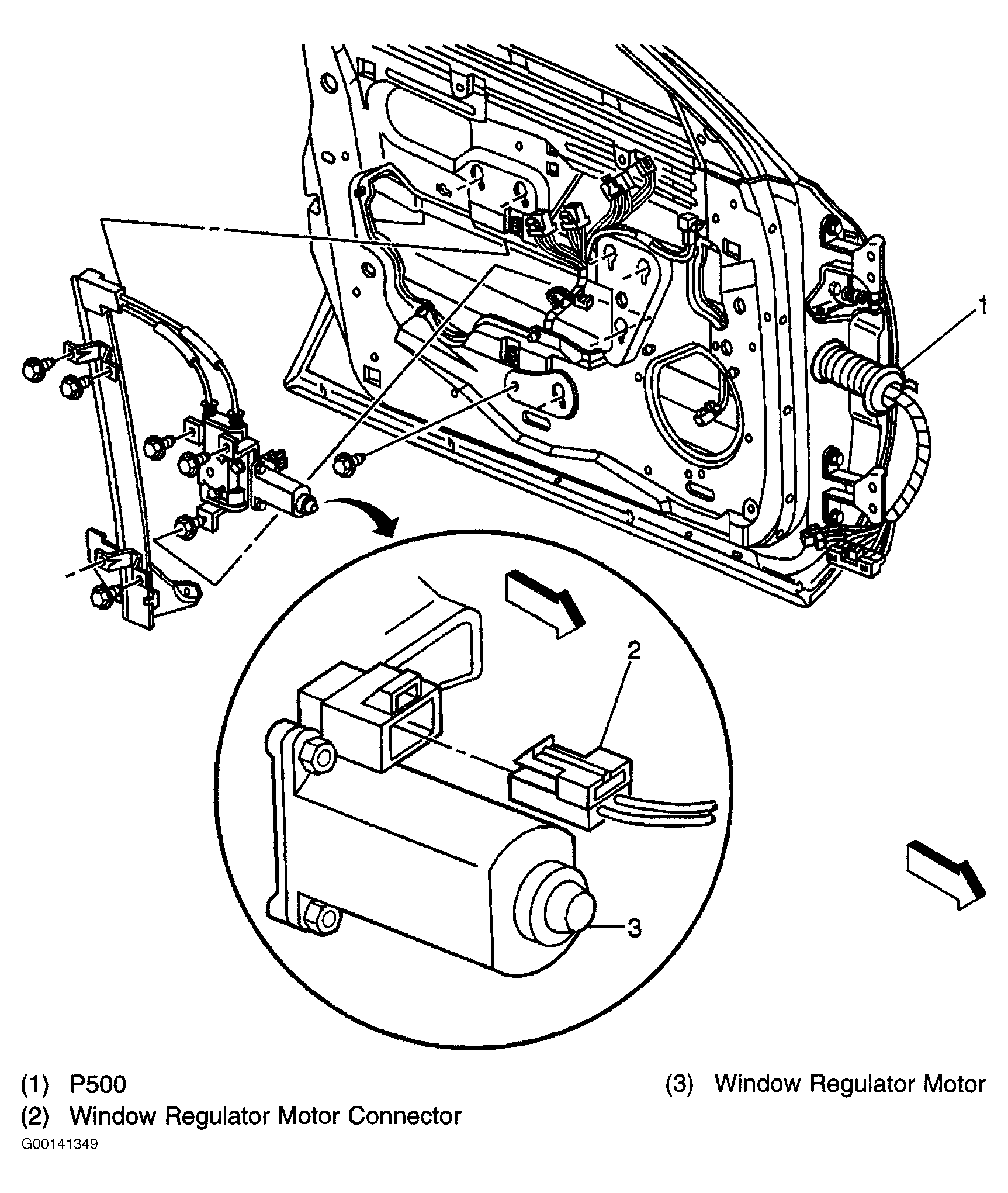
P500 On Left A-Pillar. See Fig 14
P600 On Right A-Pillar
P700 On Left B-Pillar. See Fig 3
P800 On Right B-Pillar. See Fig 3
P932 On Lower Right Side Of Rear Compartment Lid. See Fig 11
S202 In Instrument Panel Wiring Harness, Right Side Of Steering Column, Approximately 8" (19 cm) From The Radio Breakout
S211 In Instrument Panel Wiring Harness, Right Side Of Steering Column, Approximately 8" (20 cm) From Instrument Cluster Breakout
S230 In Instrument Panel Wiring Harness, Approximately 7" (18 cm) From Radio Breakout
S269 In Instrument Panel Wiring Harness, Near Blower Motor, Approximately 5" (13 cm) From Door Lock Relay Breakout
S314 In Body Wiring Harness, Right Outside Floor, Below Right Door Speaker, Approximately 20" (52 cm) From The Power Door Breakout
S315 In Body Wiring Harness, Center Floor, On Left Side Of Tunnel, Approximately 5" (12 cm) From C250 Breakout
S406 In Body Wiring Harness, Inside Near Right Side Of Trunk, Below Right Door Speaker, Approximately 2" (4 cm) From Right Radio Speaker Breakout
S930 In Rear Deck Lid Wiring Harness, In Rear Compartment Lid, Approximately 15" (38 cm) From P432
Fig 1: Exploded View Left Side Instrument Panel
G00131332Courtesy of GENERAL MOTORS CORP.
Fig 2: Locating Body Control Module
G00141337Courtesy of GENERAL MOTORS CORP.
Fig 3: Locating Door Lock Actuator, Connector C351 & C362 & Grommet P700 & P800
G00141338Courtesy of GENERAL MOTORS CORP.
Fig 4: Locating Door Lock Relay, Connector C200 & Ground G200
G00141339Courtesy of GENERAL MOTORS CORP.
Fig 5: Locating Fuse Block
G00141340Courtesy of GENERAL MOTORS CORP.
Fig 6: Locating Rear Compartment Lid Lock Release Actuator
G00141341Courtesy of GENERAL MOTORS CORP.
Fig 7: Locating Rear Compartment Lid Release Relay
G00141342Courtesy of GENERAL MOTORS CORP.
Fig 8: Locating Remote Control Door Lock Receiver
G00141343Courtesy of GENERAL MOTORS CORP.
Fig 9: Locating Connector C301
G00141344Courtesy of GENERAL MOTORS CORP.
Fig 10: Locating Connector C302
G00141345Courtesy of GENERAL MOTORS CORP.
Fig 11: Locating Connector C410 & Grommet P430 & P932
G00141346Courtesy of GENERAL MOTORS CORP.
Fig 12: Locating Ground G203
G00141347Courtesy of GENERAL MOTORS CORP.
Fig 13: Locating Ground G402
G00141348Courtesy of GENERAL MOTORS CORP.
Fig 14: Locating Grommet P500
G00141349Courtesy of GENERAL MOTORS CORP.