lemon-mirror:
Home >> Chrysler >> 2002 >> Neon LE, Standard >> Repair and Diagnosis >> Transmission >> Clutches >> Modular Clutch >> Installation

Modular Clutch: Installation

  1. Inspect clutch release bearing and lever for excessive wear and replace as necessary.
  2. Install clutch module onto input shaft. Install transaxle into position.
  3. Install transaxle-to-engine mounting bolts and tighten to 95 N.m (70 ft. lbs.). (Figure).
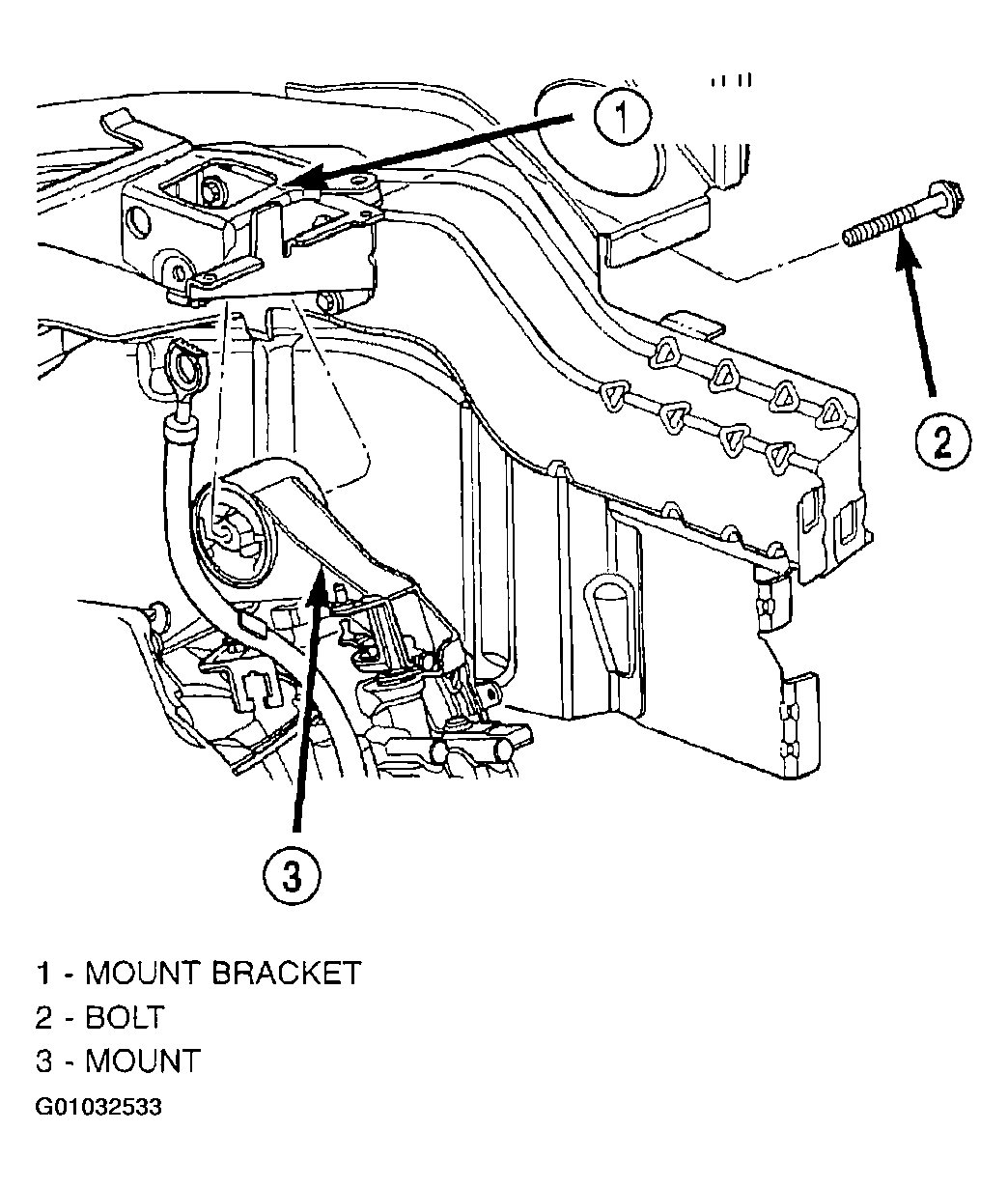
  4. Raise engine and transaxle with screw jack until through hole in upper mount aligns with hole in mount bracket. Install mount bolt and tighten to 108 N.m (70 ft. lbs.). (Figure).
  5. Remove screw jack.
  6. Install NEW drive plate-to-clutch module bolts and progressively tighten all bolts in a crisscross pattern until the modular clutch assembly seats against the drive plate. Final torque the bolts to 88 N.m (65 ft. lbs.).
  7. Install starter motor and tighten bolts to 54 N.m (40 ft. lbs.). Make sure to fasten ground cable to upper starter bolt as shown in. (Figure).
  8. Connect starter electrical harness and tighten positive cable nut to 10 N.m (90 in. lbs.).
  9. Install bellhousing dust cover. (Figure).
  10. Install left engine-to-transaxle bending brace. (Figure).
  11. Install structural collar as follows: (Figure).
    1. Position collar and install all bolts finger tight.
    2. Tighten the collar-to-oil pan bolts to 3 N.m (30 in. lbs.).
    3. Tighten the collar-to-transaxle bolts to 108 N.m (80 ft. lbs.).
    4. Final torque the collar-to-oil pan bolts to 54 N.m (40 ft. lbs.).
  12. Install the right lateral bending brace and tighten bolts to 81 N.m (60 ft. lbs.). (Figure).
  13. Install both axle shafts. (Refer to AXLE SHAFTS ).
  14. Fill transaxle with suitable amount of Mopar® ATF+4 (Automatic Transmission Fluid-Type 9602). Fill height is 3/16" (4.76 mm) below the bottom of the hole.
  15. Lower vehicle.
  16. Connect vehicle speed sensor connector. (Figure).
  17. Connect shift crossover and selector cables to shift lever. Install cables to bracket and install retaining clips. (Figure).
  18. Connect the clutch master cylinder hydraulic line to the slave cylinder hydraulic line. (Figure). An audible click should be heard. Verify the connection by pulling outward on the master cylinder line.
  19. Connect back-up lamp switch connector.
  20. Connect ground strap to transaxle upper mount bracket.
  21. Install battery lower tray and battery, and tighten battery hold down clamp to secure battery.
  22. Install the air cleaner/throttle body assembly as follows. (Figure):
    1. Connect the accelerator and speed control (if equipped) cables to the air cleaner/throttle body assembly.
    2. Install assembly into position, making sure the air cleaner locating slot is engaged to the battery bracket tab, and tighten fasteners to 14 N.m (120 in. lbs.).
    3. Verify throttle body duct is fully seated to intake manifold and tighten clamp to 5 N.m (40 in. lbs.).
    4. Connect the Throttle Position Sensor (TPS) and Idle Air Control (IAC) connectors.
    5. Connect proportional purge solenoid (PPS) and crankcase vent hose from throttle body.
  23. Connect the battery cables.
  24. Road test vehicle and inspect for leaks.