lemon-mirror:
Home >> Acura >> 2002 >> 3.2CL Base >> Repair and Diagnosis >> Engine Mechanical >> Mechanical >> 3.2L V6 Engine >> Removal & Installation >> Engine >> Installation

Removal & Installation: Engine: Installation

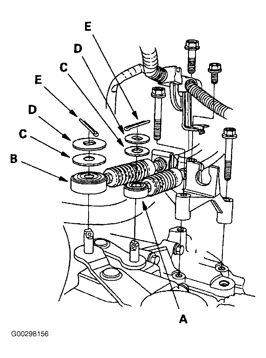
  1. Install engine brackets. Tighten bolts and nuts to specification. See Fig 1 and TORQUE SPECIFICATIONS .
  2. NOTE: Reinstall the mounting bolts/nuts in the sequence given. Failure to follow this sequence may cause excessive noise and vibration, and reduce bushing life.
  3. Position the engine under the vehicle. Attach the chain hoist to the engine, then lift the engine into position in the vehicle.
  4. Install transmission lower rear mount (A/T). See Figure.
  5. Install the rear mount bracket (A) (A/T). See Figure.
  6. Install the A/C compressor. See Figure.
  7. Install the front beam (A) by aligning both reference marks (B) on both rear beams (C) and tighten the bolts. See Fig 2.
  8. Connect the vacuum hose (D), and install the power steering (P/S) line (E) on its clamp.
    Fig 1: Installing Engine Mounting Brackets
    G00299030Courtesy of AMERICAN HONDA MOTOR CO., INC.
    Fig 2: Installing Front Beam By Aligning Both Reference Marks
    G00299031Courtesy of AMERICAN HONDA MOTOR CO., INC.
  9. Tighten the flange bolts on the radius rods. See Figure.
  10. Install the transmission mount/beam assembly (M/T). See Figure.
  11. Tighten the transmission lower mount nuts (A/T). See TORQUE SPECIFICATIONS  and Figure.
  12. Lower hoist.
  13. Tighten the front mount bracket support nut (A). See Figure.
  14. Install the front engine damper (B) (M/T).
  15. Tighten the rear mount bracket support nut (A) and mounting bolt (B) (A/T). See Figure. See TORQUE SPECIFICATIONS .
  16. Tighten the rear mount support bolt (A) and rear engine damper mounting bolts (B) (M/T). See Figure.
  17. Install the side engine mount bracket, then tighten the mounting bolts in the numbered sequence. See Figure.
  18. Remove the chain hoist from the engine.
  19. Raise the vehicle hoist to full height.
  20. Install a new spring clip on the end of each axle shaft, then install the axle shafts. Make sure each clip "clicks" into place in the differential and intermediate shaft.
  21. Connect the suspension lower arm ball joints. Use new cotter pins. See FRONT - 3.2CL article in SUSPENSION.
  22. Install the damper fork. See FRONT - 3.2CL article in SUSPENSION.
  23. Install the control lever (A) with the shift cable, on the control shaft. Do not bend the shift cable any more than is necessary to install the control lever (A/T). See Figure.
  24. Install the lock bolt (B) with a new lock washer (C), then bend the lock tab of the lock washer (A/T).
  25. Install the shift cable cover (D), then install the shift cable holder (E) on the shift cable cover.
  26. Install exhaust pipe "A" (A), using new gaskets (B) and new self-locking nuts (C). See Figure.
  27. Install the splash shield. See Figure.
  28. Install front tires/wheels.
  29. Lower hoist.
  30. Install P/S hose clamp to rear beam. See Figure.
  31. Install the radiator. See RADIATOR & FANS .
  32. Install heater hoses. See Figure.
  33. Install the upper radiator hose (A) and lower radiator hose (B). See Figure.
  34. Push the ECM/PCM connectors through the bulkhead. Install the grommet, and tighten the mounting nuts (A). See Figure.
  35. Connect the ECM/PCM connector (A), and install the harness clamps (B). See Figure.
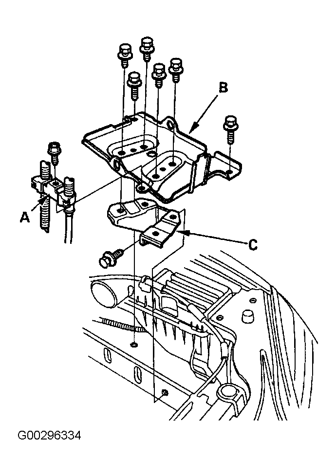
  36. Install the under-hood fuse relay box (A), and tighten the flange bolt (B). See Figure.
  37. Install the battery cable (C) on the under-hood fuse relay box. Install the harness clamps (D). Install the battery cable grommet (E).
  38. Install the engine wire harness clamps. See Figure.
  39. Install the brake booster vacuum hose (A) and vacuum hose (B). See Figure.
  40. Install the fuel feed hose (A), using new washers (C). See Figure.
  41. Install the fuel return hose (C).
  42. Connect the primary HO2S connector. See Figure.
  43. Install the select cable (A) and shift cable (B) using the plastic washers (C), washers (D) and new cotter pins (E) (M/T). See Figure.
  44. Install the clutch slave cylinder (A) and clutch line bracket mounting bolt (B) (M/T). See Figure.
  45. Install the starter cable (A) and ground cable (B). See Figure.
  46. Install the ground cable (A) and harness clamps (B). See Figure. Connect the engine wire harness connector (C).
  47. Install the battery base bracket (A), then install the battery base (B) and harness clamp (C). See Figure.
  48. Install the intake air duct (D), then install the vacuum hose the vacuum hose (B) and breather pipe (C). See Figure.
  49. Install the EVAP control canister hose (A).
  50. Loosely install the P/S pump belt and pump, then adjust the P/S pump belt.
  51. Install the alternator belt.
  52. Install and adjust the cruise control cable. See CRUISE CONTROL CABLE  under ADJUSTMENTS.
  53. Install the throttle cable, then adjust the cable. See THROTTLE CABLE  under ADJUSTMENTS.
  54. Install the intake manifold cover. See Figure.
  55. Tighten the bolt (D) securing the TCS control valve bracket. Connect the TCS control valve angle sensor connector (C), TCS control valve actuator connector (B) and water bypass hoses (A) on the TCS control valve assembly (J32A2 engine (A/T). See Figure.
  56. Clean the battery posts and cable terminals with sandpaper, then assemble them and apply grease to prevent corrosion.
  57. Move the shift lever to each gear, and verify that the A/T gear position indicator follows the transmission range switch (A/T).
  58. Check that the transmission shifts into gear smoothly (M/T).
  59. Inspect for fuel leaks. Turn the ignition switch ON (II) so the fuel pump runs for about 2 seconds and pressurizes the fuel line. DO NOT operate the starter. Repeat this operation two to three times, then check for fuel leakage at any point in the fuel line.
  60. Refill the engine with engine oil. See ENGINE OIL  under ENGINE OILING.
  61. Refill the transmission with fluid. See appropriate SERVICING article in TRANSAXLE/TRANSMISSIONS.
  62. Refill the radiator with engine coolant, and bleed air from the cooling system with the heater valve open.
  63. Perform the (PCM) idle learn procedure. See ECM/PCM in appropriate BASIC DIAGNOSTIC PROCEDURE article in ENGINE PERFORMANCE.
  64. Inspect the idle speed. See IDLE SPEED in appropriate BASIC DIAGNOSTIC PROCEDURE article in ENGINE PERFORMANCE.
  65. Inspect the ignition timing. See IGNITION TIMING in appropriate BASIC DIAGNOSTIC PROCEDURE article in ENGINE PERFORMANCE.
  66. Check the wheel alignment. See appropriate WHEEL ALIGNMENT article in SUSPENSION.
  67. Perform the power window control unit reset procedure.
  68. Enter the anti-theft code for the radio, then enter the customer's radio station presets.